Horizon
Treadmill

Model #ADVANCE 200 Official Horizon treadmill

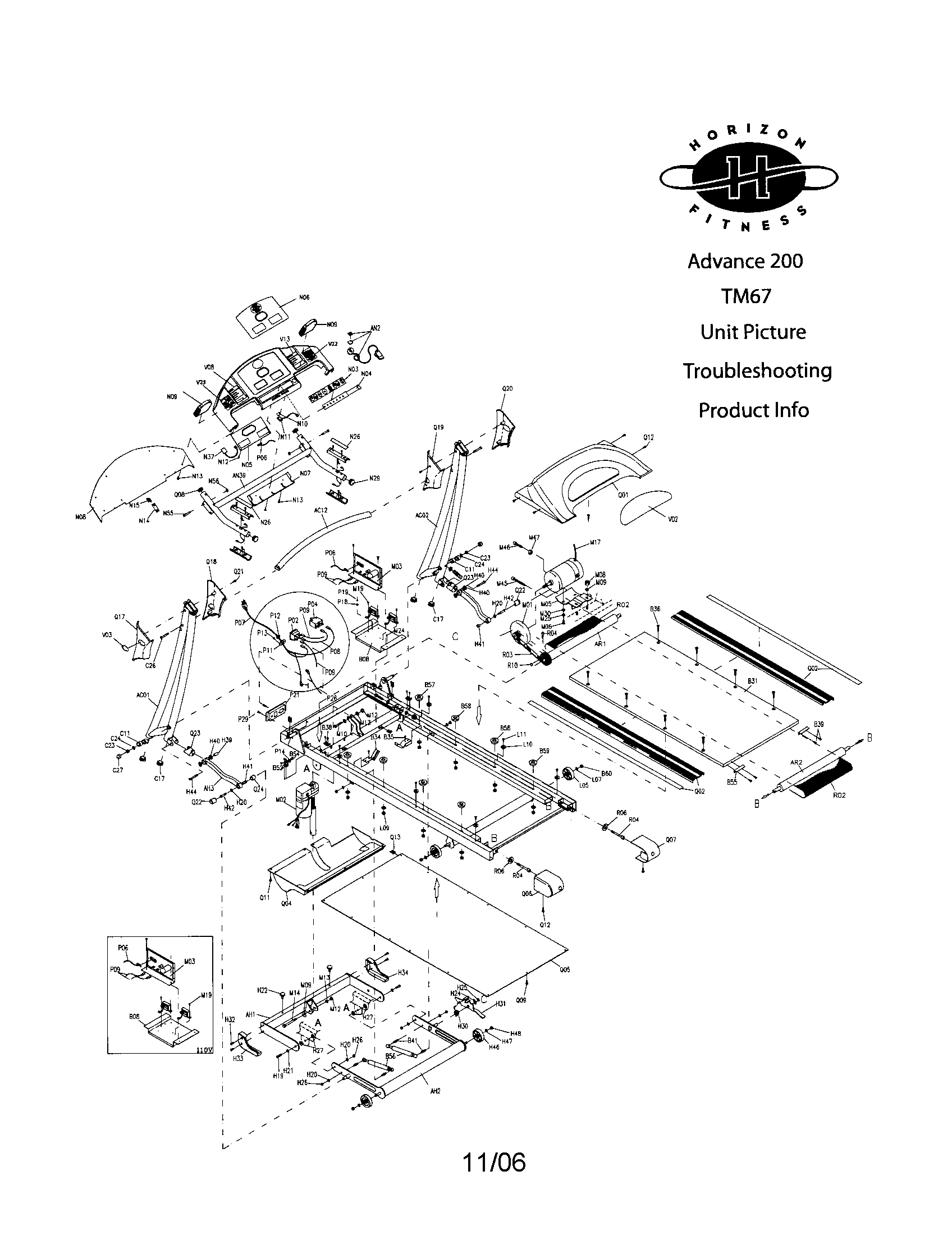
Here are the diagrams and repair parts for Horizon ADVANCE-200 treadmill, as well as links to manuals and error code tables, if available.

There are a couple of ways to find the part or diagram you need:

  • Click a diagram to see the parts shown on that diagram.
  • In the search box below, enter all or part of the part number or the part’s name.

Not all parts are shown on the diagrams—those parts are labeled NI, for “not illustrated”.

We encourage you to save the model to your profile, so it’s easy to access parts and manuals for your appliance whenever you log in.

For DIY troubleshooting advice and repair guides, visit our repair help section.

Showing 10 of 153 parts

Treadmill Nut

See All Related Diagrams

Nut

Part #MZE0204005
Replaced by #004926-00
?
Manufacturer substitution
This part replaces MZE0204005. Substitute parts can look different from the original.
This item is not returnable
In Stock
$2.73
Treadmill Circuit Breaker (replaces MC0702011)#P04

Treadmill assembly Diagram

Breaker

Part #MC0702011
Replaced by #003346-00
?
Manufacturer substitution
This part replaces MC0702011. Substitute parts can look different from the original.
In Stock
$22.76
Treadmill Motor Control Board (replaces MC0201035A, MC0201036A, SJED08011AA)#M03A

Treadmill assembly Diagram

Control motor

Part #SJED08011AA
Replaced by #013674-DG
?
Manufacturer substitution
This part replaces SJED08011AA. Substitute parts can look different from the original.
In Stock
$416.00 | 
$10.00 OFF 
Phone Price: $426.00
Treadmill Motor Control Board (replaces MC0201035A, MC0201036A, SJED08011AA)#M03

Treadmill assembly Diagram

Pcb assembly

Part #MC0201036A
Replaced by #013674-DG
?
Manufacturer substitution
This part replaces MC0201036A. Substitute parts can look different from the original.
In Stock
$416.00 | 
$10.00 OFF 
Phone Price: $426.00
Exercise Equipment Nut#M12

Treadmill assembly Diagram

Nut

Part #MZE0204013
Replaced by #004934-00
?
Manufacturer substitution
This part replaces MZE0204013. Substitute parts can look different from the original.
This item is not returnable
In Stock
$2.26
Treadmill Transport Wheel

See All Related Diagrams

Wheel

Part #MB0103006B
Replaced by #000021-B
?
Manufacturer substitution
This part replaces MB0103006B. Substitute parts can look different from the original.
This item is not returnable
In Stock
$5.25
End Cao#Q06

Treadmill assembly Diagram

End cap

Part #MB0238003DB
Replaced by #000387-EB
?
Manufacturer substitution
This part replaces MB0238003DB. Substitute parts can look different from the original.
In Stock
$8.15
Core#M17

Treadmill assembly Diagram

Core

Part #MC0704005
Replaced by #003386-A
?
Manufacturer substitution
This part replaces MC0704005. Substitute parts can look different from the original.
In Stock
$12.13
Overlay#N03

Treadmill assembly Diagram

Overlay

Part #MC0601153A
Replaced by #002875-A
?
Manufacturer substitution
This part replaces MC0601153A. Substitute parts can look different from the original.
This item is not returnable
In Stock
$5.49
Screw#Q11

Treadmill assembly Diagram

Screw

Part #MZE0119002

The manufacturer no longer makes this part, and there's no substitute part

Symptoms for treadmills

Choose a symptom to see related treadmill repairs.

Main causes: faulty sensors, wiring failure, bad control console
Main causes: no power, bad power cord, tripped or faulty overload switch, bad power switch, wiring failure, bad motor control board
Main causes: missing safety key, bad control console, wiring failure, faulty motor control board, bad drive motor
Main causes: bad control console, wiring failure, bad motor control board
Main causes: damaged walking belt, improper belt tension, lack of belt lubricant, bad drive motor
Main causes: damaged walking belt, improper belt tension, bad roller bearing
Main causes: rear roller out of alignment, damaged walking belt, bad roller

Repair guides for treadmills

These step-by-step repair guides will help you safely fix what’s broken on your treadmill.

How to replace a treadmill motor controller

Your treadmill motor won't run with a defective motor controller. Replace the motor controller if it doesn't operate the motor correctly.

Repair difficulty
Time required
 15 minutes or less
How to replace a treadmill walking belt

A worn walking belt will begin to slow down during use. If your treadmill walking belt is worn out, replace it using these steps.

Repair difficulty
Time required
 45 minutes or less
June 1, 2015
Lyle Weischwill
How to replace a treadmill drive motor

A defective drive motor won't run when activated by the motor controller. Replace the treadmill drive motor if it doesn't run.

Repair difficulty
Time required
 15 minutes or less

Articles and videos common to all fitness & exercise

Use the advice and tips in these articles and videos to get the most out of your treadmill.

June 29, 2022

Top questions about Sears and Sears PartsDirect

Lyle Weischwill

Get answers to frequently asked questions about Sears and Sears PartsDirect.