Excel
Weight System

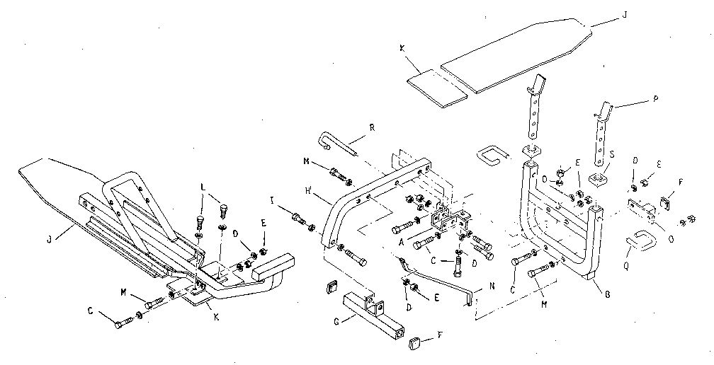
Model #11-E0223D Official Excel brutus i incline weight bench

Here are the diagrams and repair parts for Excel 11-E0223D brutus i incline weight bench, as well as links to manuals and error code tables, if available.

There are a couple of ways to find the part or diagram you need:

  • Click a diagram to see the parts shown on that diagram.
  • In the search box below, enter all or part of the part number or the part’s name.

Not all parts are shown on the diagrams—those parts are labeled NI, for “not illustrated”.

We encourage you to save the model to your profile, so it’s easy to access parts and manuals for your appliance whenever you log in.

For DIY troubleshooting advice and repair guides, visit our repair help section.

Showing 10 of 30 parts

Support#16

Frame assembly Diagram

Support

Part #85-8135

The manufacturer no longer makes this part, and there's no substitute part

Leg#8

Frame assembly Diagram

Leg

Part #85-8121

The manufacturer no longer makes this part, and there's no substitute part

Sq Plug#6

Frame assembly Diagram

Sq plug

Part #85-8235

The manufacturer no longer makes this part, and there's no substitute part

Roller Shaft#6

Swivel tube assembly Diagram

Roller shaft

Part #86-9170

The manufacturer no longer makes this part, and there's no substitute part

Crossbr Conn#1

Frame assembly Diagram

Crossbr conn

Part #85-8181

The manufacturer no longer makes this part, and there's no substitute part

Swivel Tube#1

Swivel tube assembly Diagram

Swivel tube

Part #86-9036

The manufacturer no longer makes this part, and there's no substitute part

U-frame#2

Frame assembly Diagram

U-frame

Part #85-8021

The manufacturer no longer makes this part, and there's no substitute part

Incline Pad#10

Frame assembly Diagram

Incline pad

Part #85-8346

The manufacturer no longer makes this part, and there's no substitute part

Nut

See All Related Diagrams

Nut

Part #95-2670

The manufacturer no longer makes this part, and there's no substitute part

Incline Pin#18

Frame assembly Diagram

Incline pin

Part #85-8352

The manufacturer no longer makes this part, and there's no substitute part

Articles and videos common to all fitness & exercise

June 29, 2022

Top questions about Sears and Sears PartsDirect

By Lyle Weischwill

Get answers to frequently asked questions about Sears and Sears PartsDirect.