Amana
Air Handler

Model #PKM3-1H/P55197-20C Official Amana package unit - pkm series

Here are the diagrams and repair parts for Amana PKM3-1H-P55197-20C package unit - pkm series, as well as links to manuals and error code tables, if available.

There are a couple of ways to find the part or diagram you need:

  • Click a diagram to see the parts shown on that diagram.
  • In the search box below, enter all or part of the part number or the part’s name.

Not all parts are shown on the diagrams—those parts are labeled NI, for “not illustrated”.

We encourage you to save the model to your profile, so it’s easy to access parts and manuals for your appliance whenever you log in.

For DIY troubleshooting advice and repair guides, visit our repair help section.

Showing 10 of 130 parts

Nut#86

(pkm3-1h/p55196-20c) (pkm3-1h/p55196-22c) Diagram

Nut

Part #M0282009
Replaced by #M0282009
?
Manufacturer substitution
This part replaces M0282009. Substitute parts can look different from the original.
In Stock
$12.49
Refrigerator Screw Kit, 2-piece#89

(pkm3-1h/p55196-20c) (pkm3-1h/p55196-22c) Diagram

Screw

Part #M0211030
Replaced by #R9800670
?
Manufacturer substitution
This part replaces M0211030. Substitute parts can look different from the original.
This item is not returnable
In Stock
$4.89 | 
17% OFF 
Phone Price: $5.89
Refrigerator Wire Retainer#128

(pkm3-1h/p55196-20c) (pkm3-1h/p55196-22c) Diagram

Cord clip

Part #M0104101
Replaced by #WPM0104106
?
Manufacturer substitution
This part replaces M0104101. Substitute parts can look different from the original.
This item is not returnable
In Stock
$4.39 | 
19% OFF 
Phone Price: $5.39
Screw#115

(pkm3-1h/p55196-20c) (pkm3-1h/p55196-22c) Diagram

Screw

Part #M0216529

The manufacturer no longer makes this part, and there's no substitute part

Refrigerator Screw

See All Related Diagrams

Screw

Part #M0211317
Replaced by #WP489464
?
Manufacturer substitution
This part replaces M0211317. Substitute parts can look different from the original.
This item is not returnable
In Stock
$6.49 | 
13% OFF 
Phone Price: $7.49
WIRE JOINT#108

(pkm3-1h/p55196-20c) (pkm3-1h/p55196-22c) Diagram

Wire joint

Part #A0317601
Replaced by #WPA0317601
?
Manufacturer substitution
This part replaces A0317601. Substitute parts can look different from the original.
This item is not returnable
In Stock
$6.29
Screw#110

(pkm3-1h/p55196-20c) (pkm3-1h/p55196-22c) Diagram

Screw

Part #M0211003
Replaced by #M0216703
?
Manufacturer substitution
This part replaces M0211003. Substitute parts can look different from the original.
This item is not returnable
In Stock
$3.40
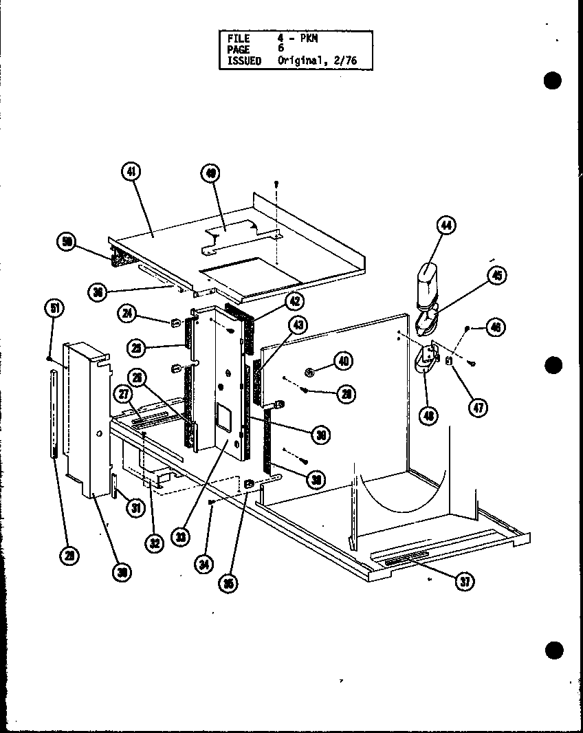
INSUL, FIBERGLAS CABINET CORNER POST, BOTTOM  17-5/8"  X#26

(pkm3-1h/p55196-20c) (pkm3-1h/p55196-22c) Diagram

Insul, fiberglas cabinet corner post, bottom 17-5/8" x

Part #B5193203

The manufacturer no longer makes this part, and there's no substitute part

Screw#85

(pkm3-1h/p55196-20c) (pkm3-1h/p55196-22c) Diagram

Screw

Part #M0267114

The manufacturer no longer makes this part, and there's no substitute part

GROMMET, L.V. WIRING THRU PART, PANEL 5/8" HOLE X 1-3/8"#40

(pkm3-1h/p55196-20c) (pkm3-1h/p55196-22c) Diagram

Grommet, l.v. wiring thru part, panel 5/8" hole x 1-3/8"

Part #A4598901

The manufacturer no longer makes this part, and there's no substitute part

Articles and videos common to all air handlers

August 5, 2022

Introducing new technical repair content that we’re developing for the Sears Technical Institute

By Lyle Weischwill

Learn about Sears Technical Institute and the advanced technical content being developed for aspiring appliance techs.