Kenmore
Charcoal Grill

Model #2582357980 Official Kenmore gas grill

Here are the diagrams and repair parts for Kenmore 2582357980 gas grill, as well as links to manuals and error code tables, if available.

There are a couple of ways to find the part or diagram you need:

  • Click a diagram to see the parts shown on that diagram.
  • In the search box below, enter all or part of the part number or the part’s name.

Not all parts are shown on the diagrams—those parts are labeled NI, for “not illustrated”.

We encourage you to save the model to your profile, so it’s easy to access parts and manuals for your appliance whenever you log in.

For DIY troubleshooting advice and repair guides, visit our repair help section.

Showing 10 of 92 parts

Screw#115

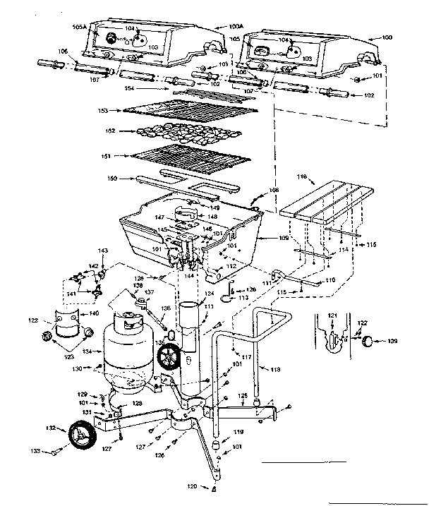
Burner section and cart Diagram

Screw

Part #Y-12356

The manufacturer no longer makes this part, and there's no substitute part

Cap Screw#127

Burner section and cart Diagram

Cap screw

Part #STD522506

The manufacturer no longer makes this part, and there's no substitute part

Gas Grill Cooking Grate (replaces 0417-0107)#151

Burner section and cart Diagram

Briq grate

Part #10222-20
Replaced by #04170107
?
Manufacturer substitution
This part replaces 10222-20. Substitute parts can look different from the original.
In Stock
$44.39 | 
10% OFF 
Phone Price: $49.39
Screw#174

Optional accessories Diagram

Screw

Part #7717

The manufacturer no longer makes this part, and there's no substitute part

Hex Nut

#NI

All parts Diagram

Hex nut

Part #7718

The manufacturer no longer makes this part, and there's no substitute part

Hex Nut#104

Burner section and cart Diagram

Hex nut

Part #STD541006

The manufacturer no longer makes this part, and there's no substitute part

Hex Nut#101

Burner section and cart Diagram

Hex nut

Part #STD541025

The manufacturer no longer makes this part, and there's no substitute part

Cotter Pin#108

Burner section and cart Diagram

Cotter pin

Part #STD560907

The manufacturer no longer makes this part, and there's no substitute part

Bolt#130

Burner section and cart Diagram

Bolt

Part #Y-12540

The manufacturer no longer makes this part, and there's no substitute part

Screw#164

Optional accessories Diagram

Screw

Part #Y-11752

The manufacturer no longer makes this part, and there's no substitute part

Articles and videos common to all outdoor grills

July 7, 2022

What are the main parts of a gas BBQ grill?

Lyle Weischwill

Learn about the main parts of gas grills and get DIY tips for replacing gas grill parts.