Amana
Central Air Conditioner

Model #BCEA48T002A/P1101508C Official Amana air conditioner blower coil unit - bcea model

Here are the diagrams and repair parts for Amana BCEA48T002A-P1101508C air conditioner blower coil unit - bcea model, as well as links to manuals and error code tables, if available.

There are a couple of ways to find the part or diagram you need:

  • Click a diagram to see the parts shown on that diagram.
  • In the search box below, enter all or part of the part number or the part’s name.

Not all parts are shown on the diagrams—those parts are labeled NI, for “not illustrated”.

We encourage you to save the model to your profile, so it’s easy to access parts and manuals for your appliance whenever you log in.

For DIY troubleshooting advice and repair guides, visit our repair help section.

Showing 10 of 124 parts

Appliance Screw#18

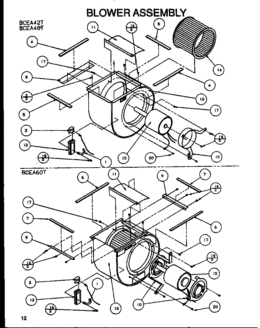
Blower assembly Diagram

Use m0220617

Part #M0233704
Replaced by #WP489069
?
Manufacturer substitution
This part replaces M0233704. Substitute parts can look different from the original.
This item is not returnable
In Stock
$4.39 | 
19% OFF 
Phone Price: $5.39
Refrigerator Screw#7

Control panel assembly Diagram

Screw

Part #M0216515
Replaced by #WP489349
?
Manufacturer substitution
This part replaces M0216515. Substitute parts can look different from the original.
This item is not returnable
In Stock
$4.39 | 
19% OFF 
Phone Price: $5.39
Refrigerator Wire Retainer#29

Cabinet assembly Diagram

Cord clip

Part #M0104101
Replaced by #WPM0104106
?
Manufacturer substitution
This part replaces M0104101. Substitute parts can look different from the original.
This item is not returnable
In Stock
$4.39 | 
19% OFF 
Phone Price: $5.39
Refrigerator Screw

See All Related Diagrams

Screw

Part #M0211217
Replaced by #WP489464
?
Manufacturer substitution
This part replaces M0211217. Substitute parts can look different from the original.
This item is not returnable
In Stock
$6.49 | 
13% OFF 
Phone Price: $7.49
Screw

See All Related Diagrams

Screw

Part #M0216529

The manufacturer no longer makes this part, and there's no substitute part

Screw

See All Related Diagrams

Screw

Part #M0211016
Replaced by #M0211016
?
Manufacturer substitution
This part replaces M0211016. Substitute parts can look different from the original.
This item is not returnable
In Stock
$3.40
Appliance Cable Tie#16

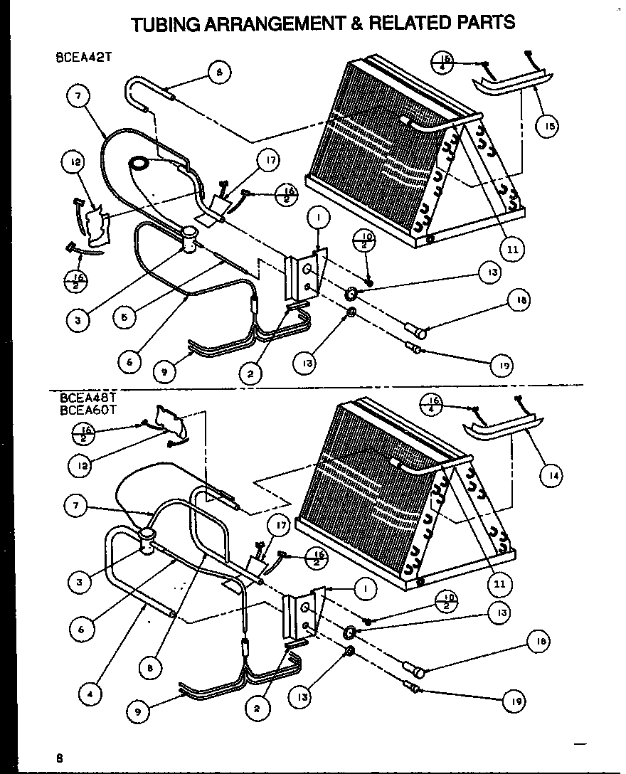
Tubing arrangement & related parts Diagram

Tie

Part #M0321202
Replaced by #WPW10339879
?
Manufacturer substitution
This part replaces M0321202. Substitute parts can look different from the original.
This item is not returnable
In Stock
$4.37 | 
19% OFF 
Phone Price: $5.37
Refrigerator Screw#9

Cabinet assembly Diagram

Screw

Part #M0211317
Replaced by #WP489464
?
Manufacturer substitution
This part replaces M0211317. Substitute parts can look different from the original.
This item is not returnable
In Stock
$6.49 | 
13% OFF 
Phone Price: $7.49
NAMEPLATE, AMANA#22

Cabinet assembly Diagram

Nameplate, amana

Part #10095403

The manufacturer no longer makes this part, and there's no substitute part

Insulation#9

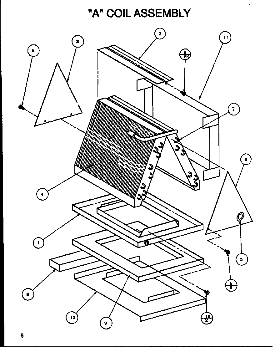
"a" coil assembly Diagram

Insulation

Part #C6430705

The manufacturer no longer makes this part, and there's no substitute part

Articles and videos common to all central air conditioners

November 30, 2022

2023 HVAC regulation changes and how they may affect you

By Lyle Weischwill

Find out how new DOE standards going into effect in 2023 can affect you and what you need to do.

October 24, 2022

Easy DIY appliance repairs that anyone can do

By Lyle Weischwill

Get advice on simple DIY fixes for appliances that you can safely do on your own.

August 5, 2022

Introducing new technical repair content that we’re developing for the Sears Technical Institute

By Lyle Weischwill

Learn about Sears Technical Institute and the advanced technical content being developed for aspiring appliance techs.