Craftsman
Water Pump

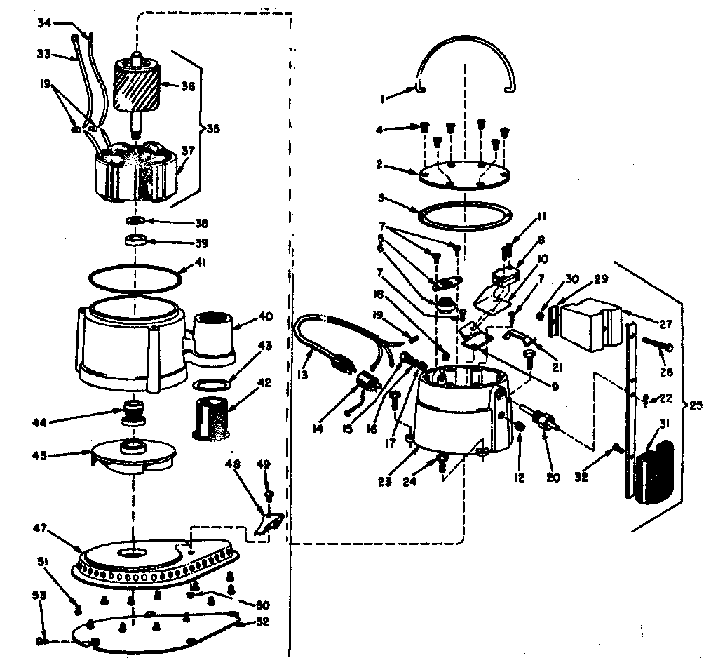
Model #3903025 Official Craftsman sump drainer

Here are the diagrams and repair parts for Craftsman 3903025 sump drainer, as well as links to manuals and error code tables, if available.

There are a couple of ways to find the part or diagram you need:

  • Click a diagram to see the parts shown on that diagram.
  • In the search box below, enter all or part of the part number or the part’s name.

Not all parts are shown on the diagrams—those parts are labeled NI, for “not illustrated”.

We encourage you to save the model to your profile, so it’s easy to access parts and manuals for your appliance whenever you log in.

For DIY troubleshooting advice and repair guides, visit our repair help section.

    Showing 10 of 53 parts

    Pump Screw, #8-32 x 1/2-in#51

    Replacement parts Diagram

    In Stock
    $11.96
    Pipe Plug#12

    Replacement parts Diagram

    Pipe plug

    Part #U78-95C

    The manufacturer no longer makes this part, and there's no substitute part

    Switch Screw#7

    Replacement parts Diagram

    Switch screw

    Part #U30-146C

    The manufacturer no longer makes this part, and there's no substitute part

    Bearing#39

    Replacement parts Diagram

    Bearing

    Part #U18-858

    The manufacturer no longer makes this part, and there's no substitute part

    Connector#19

    Replacement parts Diagram

    Connector

    Part #P18-166

    The manufacturer no longer makes this part, and there's no substitute part

    Screw#4

    Replacement parts Diagram

    Screw

    Part #U30-668C

    The manufacturer no longer makes this part, and there's no substitute part

    Pump Dielectric Oil, 1-qt

    #NI

    All parts Diagram

    Oil

    Part #U97-8
    Replaced by #U197-8A
    ?
    Manufacturer substitution
    This part replaces U97-8. Substitute parts can look different from the original.
    In Stock
    $102.99 | 
    9% OFF 
    Phone Price: $112.99
    Cord Plug#13

    Replacement parts Diagram

    Cord plug

    Part #U17-421

    The manufacturer no longer makes this part, and there's no substitute part

    Screw#32

    Replacement parts Diagram

    Screw

    Part #U30-695SS

    The manufacturer no longer makes this part, and there's no substitute part

    O-Ring#41

    Replacement parts Diagram

    O-ring

    Part #U9-167

    The manufacturer no longer makes this part, and there's no substitute part