Carrier
Central Air Conditioner

Model #38YXA030 SERIES300 Official Carrier heat pump

Here are the diagrams and repair parts for Carrier 38YXA030-SERIES300 heat pump, as well as links to manuals and error code tables, if available.

There are a couple of ways to find the part or diagram you need:

  • Click a diagram to see the parts shown on that diagram.
  • In the search box below, enter all or part of the part number or the part’s name.

Not all parts are shown on the diagrams—those parts are labeled NI, for “not illustrated”.

We encourage you to save the model to your profile, so it’s easy to access parts and manuals for your appliance whenever you log in.

For DIY troubleshooting advice and repair guides, visit our repair help section.

Installation guideOwner’s manual

Showing 10 of 60 parts

Central Air Conditioner Start Capacitor (replaces HC95DE088, P281-8805)#NI

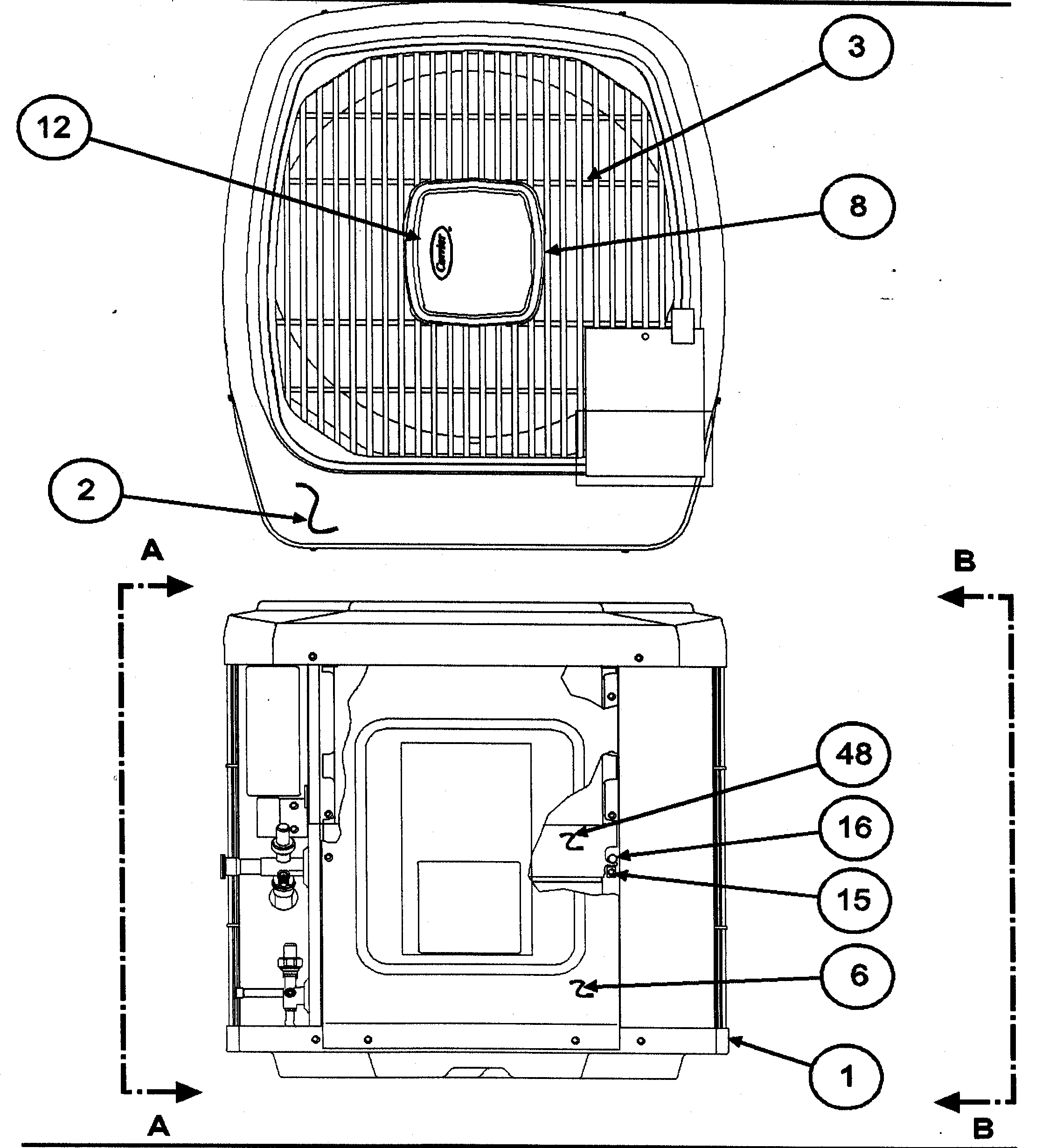
Outlet grille/top cover Diagram

Paint#NI

Outlet grille/top cover Diagram

Paint

Part #313974-752
In Stock
$30.49
Relay#NI

Outlet grille/top cover Diagram

Relay

Part #P283-9930
In Stock
$57.34
Interf Kit#NI

Outlet grille/top cover Diagram

Interf kit

Part #KHAIC0101AAA
In Stock
$306.00
Blanket#24

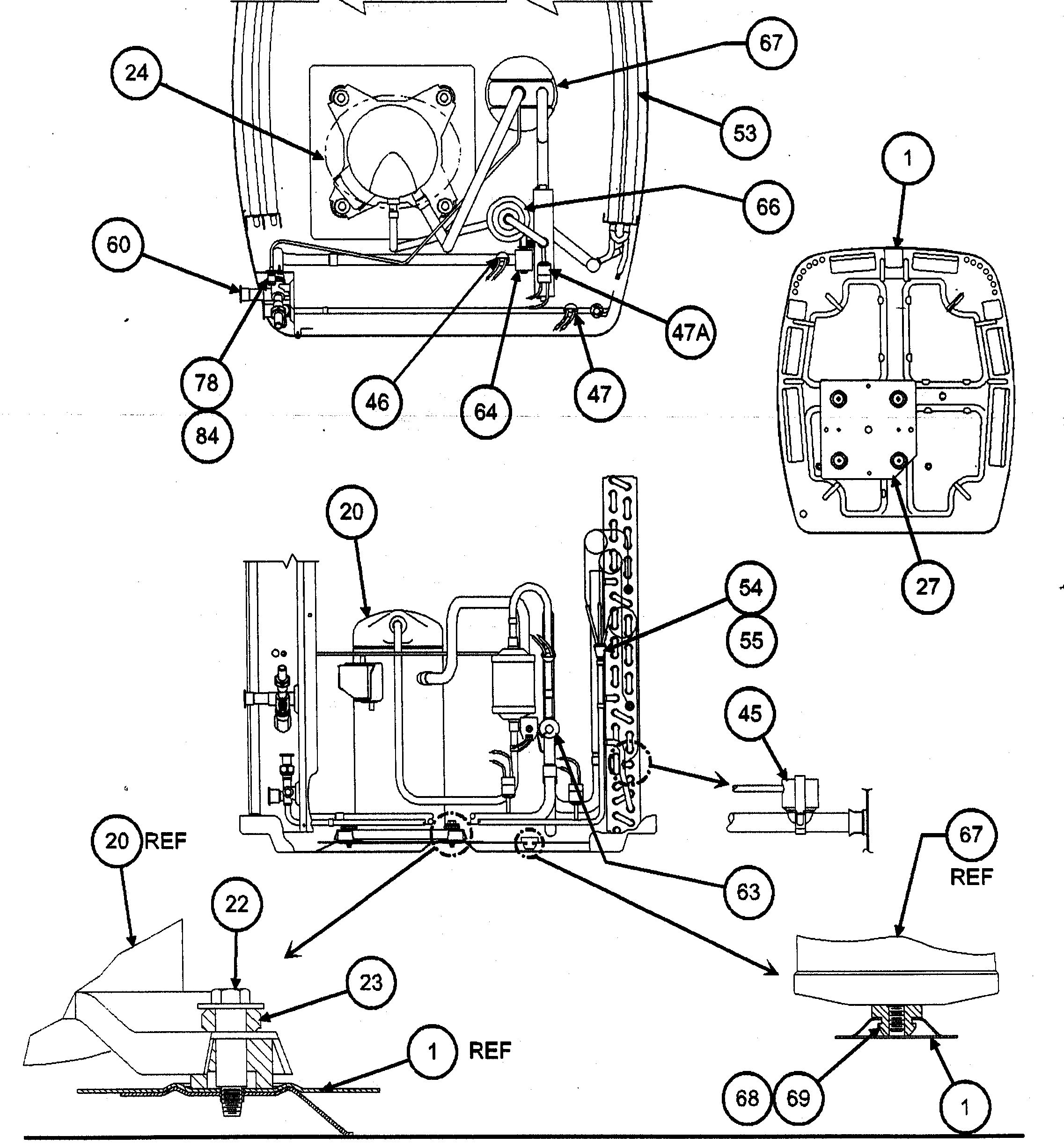
Compressor/condenser Diagram

Blanket

Part #321042-401
In Stock
$133.99
Kit#NI

Outlet grille/top cover Diagram

Kit

Part #KSALA0301410
In Stock
$220.00
Plug-compr#NI

Outlet grille/top cover Diagram

Plug-compr

Part #317749-407
In Stock
$27.84
Plate#NI

Outlet grille/top cover Diagram

Plate

Part #319553-701137
In Stock
$15.99
Valve#NI

Outlet grille/top cover Diagram

Valve

Part #EA36YD123
In Stock
$177.44
Box#28A

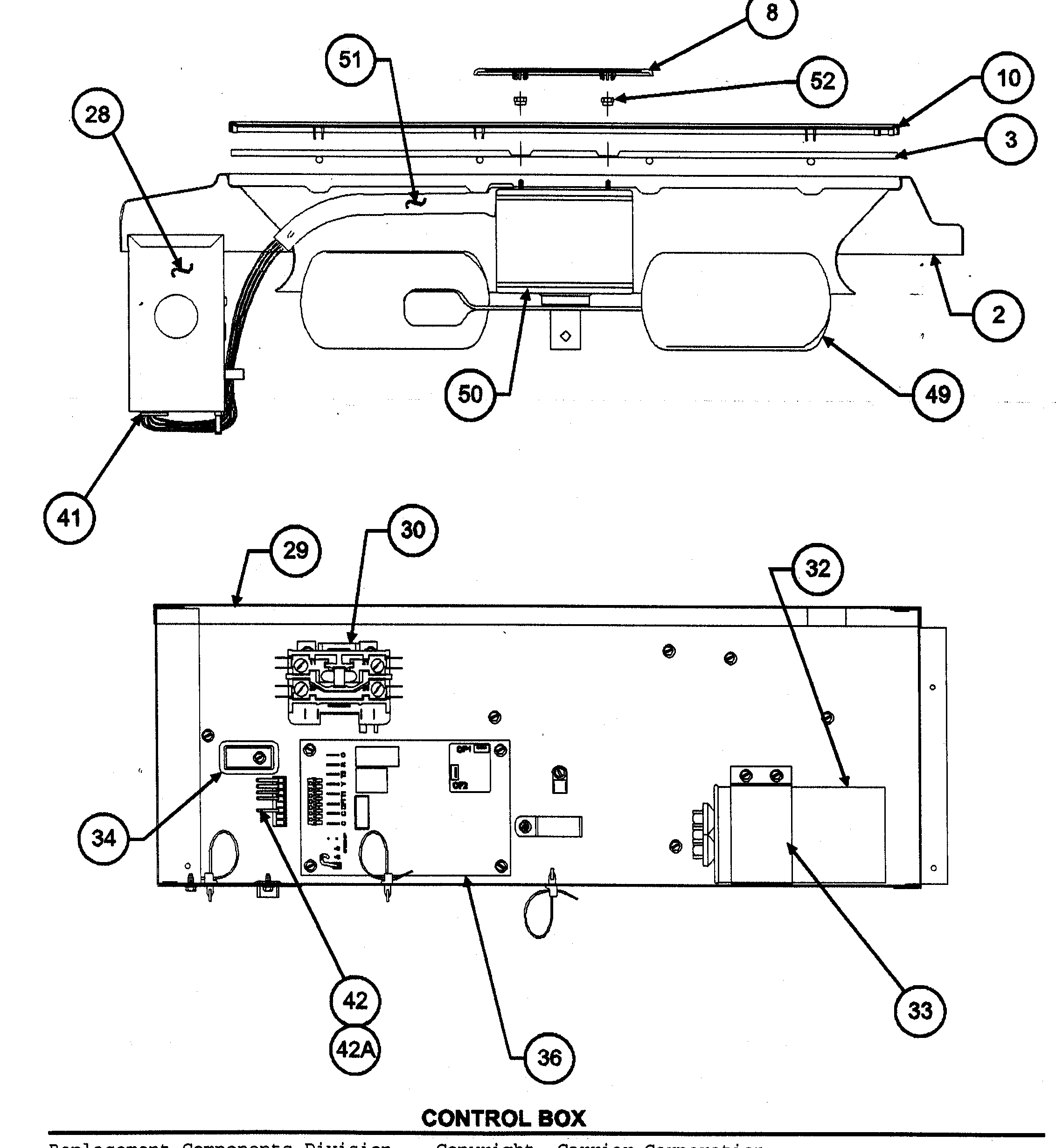
Control box Diagram

Box

Part #312241-302
This item is not returnable
In Stock
$3.99

Articles and videos common to all central air conditioners

October 24, 2022

Easy DIY appliance repairs that anyone can do

Lyle Weischwill

Get advice on simple DIY fixes for appliances that you can safely do on your own.

August 5, 2022

Introducing new technical repair content that we’re developing for the Sears Technical Institute

Lyle Weischwill

Learn about Sears Technical Institute and the advanced technical content being developed for aspiring appliance techs.

June 29, 2022

Top questions about Sears and Sears PartsDirect

Lyle Weischwill

Get answers to frequently asked questions about Sears and Sears PartsDirect.