Mitsubishi
Central Air Conditioner

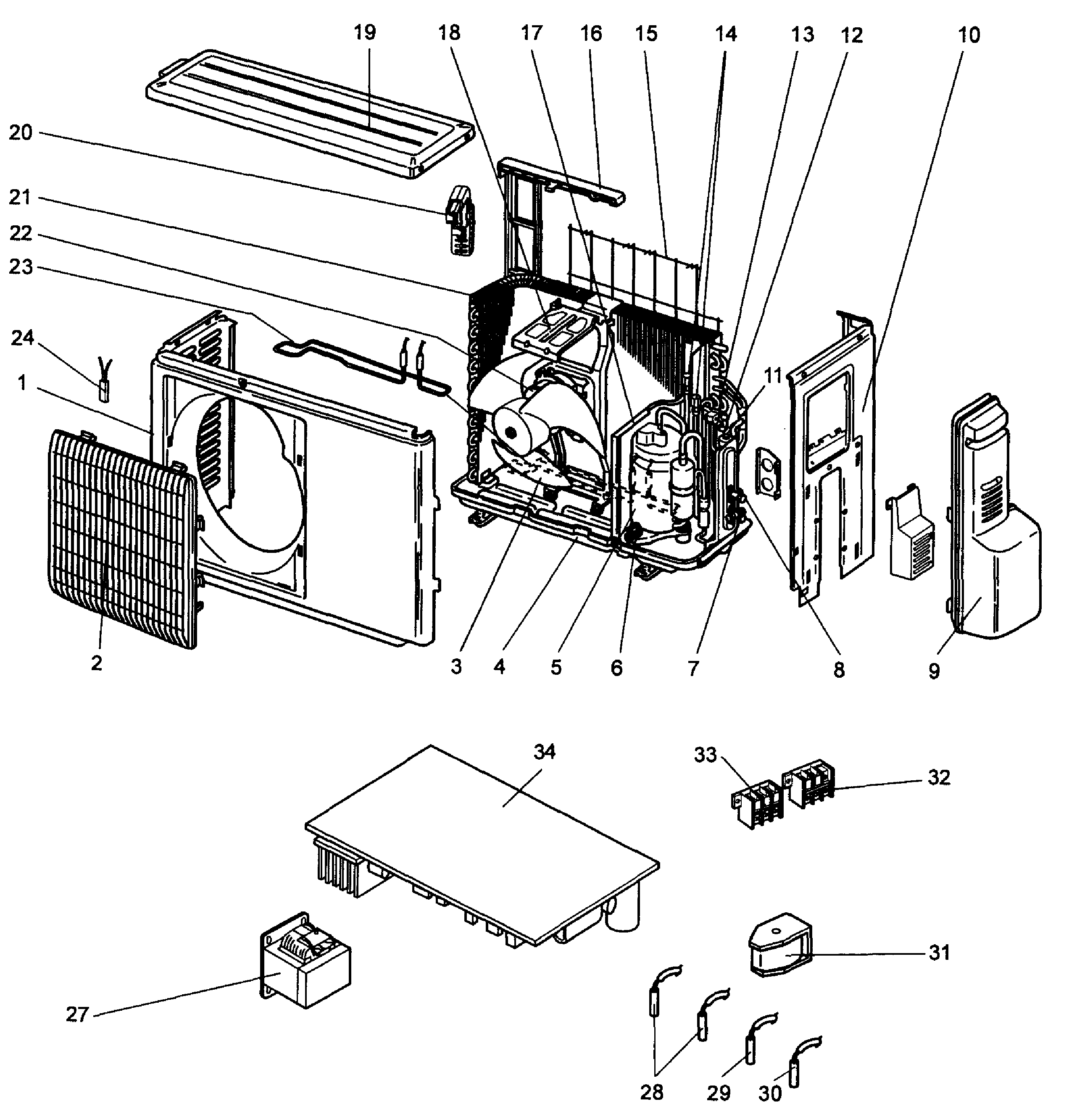
Model #MUZ-FE12NA Official Mitsubishi split-type air conditioner

Here are the diagrams and repair parts for Mitsubishi MUZ-FE12NA split-type air conditioner, as well as links to manuals and error code tables, if available.

There are a couple of ways to find the part or diagram you need:

  • Click a diagram to see the parts shown on that diagram.
  • In the search box below, enter all or part of the part number or the part’s name.

Not all parts are shown on the diagrams—those parts are labeled NI, for “not illustrated”.

We encourage you to save the model to your profile, so it’s easy to access parts and manuals for your appliance whenever you log in.

For DIY troubleshooting advice and repair guides, visit our repair help section.

Showing 10 of 34 parts

Thermistor#28

Cabinet parts Diagram

Thermistor

Part #E12C34306

The manufacturer no longer makes this part, and there's no substitute part

Capillary#NI

Cabinet parts Diagram

Capillary

Part #E12735936

The manufacturer no longer makes this part, and there's no substitute part

4way Valve#13

Cabinet parts Diagram

4way valve

Part #E12A54961

The manufacturer no longer makes this part, and there's no substitute part

Back Panel#10

Cabinet parts Diagram

Back panel

Part #E12A54233

The manufacturer no longer makes this part, and there's no substitute part

Cabinet#1

Cabinet parts Diagram

Cabinet

Part #E12927232

The manufacturer no longer makes this part, and there's no substitute part

Outdoor He#21

Cabinet parts Diagram

Outdoor he

Part #E12C85630

The manufacturer no longer makes this part, and there's no substitute part

Compressor#5

Cabinet parts Diagram

Compressor

Part #E12C85900

The manufacturer no longer makes this part, and there's no substitute part

Compressor#6

Cabinet parts Diagram

Compressor

Part #E12C34506

The manufacturer no longer makes this part, and there's no substitute part

Capillary#NI

Cabinet parts Diagram

Capillary

Part #E12927937

The manufacturer no longer makes this part, and there's no substitute part

Rv Coil#31

Cabinet parts Diagram

Rv coil

Part #E12C85490

The manufacturer no longer makes this part, and there's no substitute part

Articles and videos common to all central air conditioners

October 24, 2022

Easy DIY appliance repairs that anyone can do

Lyle Weischwill

Get advice on simple DIY fixes for appliances that you can safely do on your own.

August 5, 2022

Introducing new technical repair content that we’re developing for the Sears Technical Institute

Lyle Weischwill

Learn about Sears Technical Institute and the advanced technical content being developed for aspiring appliance techs.

June 29, 2022

Top questions about Sears and Sears PartsDirect

Lyle Weischwill

Get answers to frequently asked questions about Sears and Sears PartsDirect.