GE
Central Air Conditioner

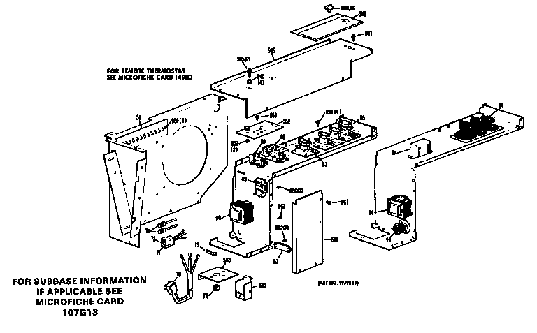
Model #A3B788CKCS2Y Official GE room air conditioner

Here are the diagrams and repair parts for GE A3B788CKCS2Y room air conditioner, as well as links to manuals and error code tables, if available.

There are a couple of ways to find the part or diagram you need:

  • Click a diagram to see the parts shown on that diagram.
  • In the search box below, enter all or part of the part number or the part’s name.

Not all parts are shown on the diagrams—those parts are labeled NI, for “not illustrated”.

We encourage you to save the model to your profile, so it’s easy to access parts and manuals for your appliance whenever you log in.

For DIY troubleshooting advice and repair guides, visit our repair help section.

Showing 10 of 211 parts

Screw

#724

All parts Diagram

Screw

Part #WZ4X288
This item is not returnable
In Stock
$3.49
Spring Gr

#400

All parts Diagram

Spring gr

Part #WJ2X258
In Stock
$17.49
Screw

#NI

All parts Diagram

Screw

Part #WZ4X362
This item is not returnable
In Stock
$4.99
Screw

#952

All parts Diagram

Screw

Part #WZ2X548
This item is not returnable
In Stock
$5.49
Clip

#73

All parts Diagram

Clip

Part #WJ3X87
This item is not returnable
In Stock
$2.16
Nut

#NI

All parts Diagram

Nut

Part #WZ8X11
This item is not returnable
In Stock
$4.49
Screw

#NI

All parts Diagram

Screw

Part #WZ4X120
This item is not returnable
In Stock
$5.99
Miniman Pkg

#LITR

All parts Diagram

Miniman pkg

Part #31-7319
Replaced by #31-7300-99
?
Manufacturer substitution
This part replaces 31-7319. Substitute parts can look different from the original.
In Stock
$26.99
Miniman Pkg

#LITR

All parts Diagram

Miniman pkg

Part #31-7325
Replaced by #31-7300-99
?
Manufacturer substitution
This part replaces 31-7325. Substitute parts can look different from the original.
In Stock
$26.99
Miniman Pkg

#LITR

All parts Diagram

Miniman pkg

Part #31-7318
Replaced by #31-7300-99
?
Manufacturer substitution
This part replaces 31-7318. Substitute parts can look different from the original.
In Stock
$26.99

Articles and videos common to all central air conditioners

October 24, 2022

Easy DIY appliance repairs that anyone can do

Lyle Weischwill

Get advice on simple DIY fixes for appliances that you can safely do on your own.

August 5, 2022

Introducing new technical repair content that we’re developing for the Sears Technical Institute

Lyle Weischwill

Learn about Sears Technical Institute and the advanced technical content being developed for aspiring appliance techs.

June 29, 2022

Top questions about Sears and Sears PartsDirect

Lyle Weischwill

Get answers to frequently asked questions about Sears and Sears PartsDirect.