Craftsman
Drill Press

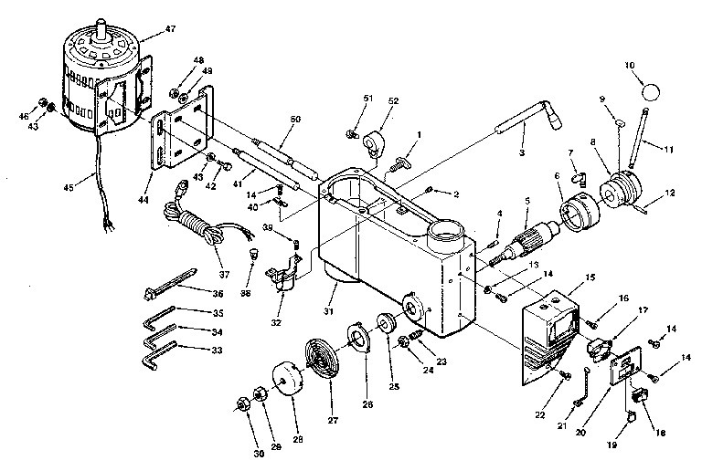
Model #113213170 Official Craftsman 17" drill press

Here are the diagrams and repair parts for Craftsman 113213170 17" drill press, as well as links to manuals and error code tables, if available.

There are a couple of ways to find the part or diagram you need:

  • Click a diagram to see the parts shown on that diagram.
  • In the search box below, enter all or part of the part number or the part’s name.

Not all parts are shown on the diagrams—those parts are labeled NI, for “not illustrated”.

We encourage you to save the model to your profile, so it’s easy to access parts and manuals for your appliance whenever you log in.

For DIY troubleshooting advice and repair guides, visit our repair help section.

Owner’s manual

Showing 10 of 126 parts

Plain Washer#43

Figure 2 Diagram

Plain washer

Part #STD551031

The manufacturer no longer makes this part, and there's no substitute part

Belt#17

Figure 1 Diagram

Belt

Part #STD304270

The manufacturer no longer makes this part, and there's no substitute part

Power Tool Washer#1

Motor Diagram

Power tool washer

Part #30767

The manufacturer no longer makes this part, and there's no substitute part

Drill Press Chuck Key#7

Figure 3 Diagram

Drill press chuck key

Part #817339

The manufacturer no longer makes this part, and there's no substitute part

Hex Socket Screw Set, M6-1 x 10 (Black)#1

Figure 4 Diagram

Hex socket screw set, m6-1 x 10 (black)

Part #817391-1

The manufacturer no longer makes this part, and there's no substitute part

Rubber Washer (Black)#5

Figure 3 Diagram

Rubber washer (black)

Part #817314

The manufacturer no longer makes this part, and there's no substitute part

Pn-roll 5x16#12

Figure 2 Diagram

Pn-roll 5x16

Part #813249-128

The manufacturer no longer makes this part, and there's no substitute part

Screw#21

Motor Diagram

Screw

Part #80048

The manufacturer no longer makes this part, and there's no substitute part

Drill Press On/Off Switch#18

Figure 2 Diagram

Drill press on/off switch

Part #817354

The manufacturer no longer makes this part, and there's no substitute part

Drill Press Screw, M5-0.8 x 10#22

Figure 2 Diagram

Drill press screw, m5-0.8 x 10

Part #816755-6

The manufacturer no longer makes this part, and there's no substitute part