Hotpoint
Electric Range

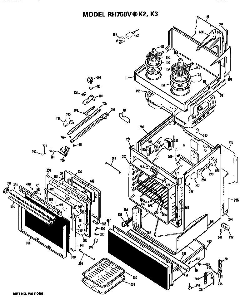
Model #RH758V*K2 Official Hotpoint electric range

Here are the diagrams and repair parts for Hotpoint RH758VK2 electric range, as well as links to manuals and error code tables, if available.

There are a couple of ways to find the part or diagram you need:

  • Click a diagram to see the parts shown on that diagram.
  • In the search box below, enter all or part of the part number or the part’s name.

Not all parts are shown on the diagrams—those parts are labeled NI, for “not illustrated”.

We encourage you to save the model to your profile, so it’s easy to access parts and manuals for your appliance whenever you log in.

For DIY troubleshooting advice and repair guides, visit our repair help section.

Error Codes

Showing 10 of 265 parts

Appliance Light Bulb, 40-watt (replaces 40A15-2PK, 60A, 60A15RVL, STD398091, WR02X12328, WX12X1510)

#1024

All parts Diagram

Range oven light bulb

Part #WX12X1510
Replaced by #40A15
?
Manufacturer substitution
This part replaces WX12X1510. Substitute parts can look different from the original.
BEST SELLER
In Stock
$7.52 | 
12% OFF 
Phone Price: $8.52
Range Oven Light Lens (replaces WB2X6211, WB36X0192, WB36X279, WB36X299, WB36X389, WB8K5)

#259

All parts Diagram

Lamp cover

Part #WB36X389
Replaced by #WB36X192
?
Manufacturer substitution
This part replaces WB36X389. Substitute parts can look different from the original.
BEST SELLER
This item is not returnable
In Stock
$7.69 | 
12% OFF 
Phone Price: $8.69
Range Coil Surface Element, 6-in

#49

All parts Diagram

Surface unit, 6"

Part #WB30X5071
Replaced by #WB30M1
?
Manufacturer substitution
This part replaces WB30X5071. Substitute parts can look different from the original.
In Stock
$37.29 | 
12% OFF 
Phone Price: $42.29
Range Bake Element

#908

All parts Diagram

Range bake element

Part #WB44X195
In Stock
$57.99 | 
8% OFF 
Phone Price: $62.99
Range Clock Timer Knob (replaces PM3X5699, WB03X5699, WB3K5, WB3K5059, WB3X5699R, WB3X5814, WB3X718)

#30

All parts Diagram

In Stock
$13.99 | 
13% OFF 
Phone Price: $15.99
Range Surface Element Receptacle (replaces WB02X7618, WB17X5094, WB2X7618)

#52

All parts Diagram

Receptacle

Part #WB17X5094
Replaced by #WB17X5113
?
Manufacturer substitution
This part replaces WB17X5094. Substitute parts can look different from the original.
This item is not returnable
In Stock
$24.56 | 
17% OFF 
Phone Price: $29.56
Range Broil Pan and Insert, 12-3/4 x 16-1/2-in (replaces WB32X10016, WB48K10008, WB48K10017, WB48T10001, WB48T10002, WB48X5072R, WB48X5590, WB49X5597, WB49X628)

#530

All parts Diagram

Broil pan rack

Part #WB48X5002
Replaced by #WB48X10056
?
Manufacturer substitution
This part replaces WB48X5002. Substitute parts can look different from the original.
In Stock
$25.09 | 
17% OFF 
Phone Price: $30.09
Range Surface Element Receptacle (replaces WB02X7618, WB17X5094, WB2X7618)

#180

All parts Diagram

Receptacle

Part #WB2X7618
Replaced by #WB17X5113
?
Manufacturer substitution
This part replaces WB2X7618. Substitute parts can look different from the original.
This item is not returnable
In Stock
$24.56 | 
17% OFF 
Phone Price: $29.56
Range Broil Pan and Insert, 12-3/4 x 16-1/2-in (replaces WB32X10016, WB48K10008, WB48K10017, WB48T10001, WB48T10002, WB48X5072R, WB48X5590, WB49X5597, WB49X628)

#529

All parts Diagram

Broiler pan

Part #WB49X5380
Replaced by #WB48X10056
?
Manufacturer substitution
This part replaces WB49X5380. Substitute parts can look different from the original.
In Stock
$25.09 | 
17% OFF 
Phone Price: $30.09
Range Oven Door Handle End Cap Set

#397

All parts Diagram

Lh endcap

Part #WB7X7015
Replaced by #WB15X5189
?
Manufacturer substitution
This part replaces WB7X7015. Substitute parts can look different from the original.
In Stock
$94.76 | 
10% OFF 
Was: $105.29

Symptoms common to all ranges

Choose a symptom to see related range repairs.

Main causes: food splatters, spilling food on the oven door, allowing liquid to drip through oven door vent when cleaning the door
Main causes: power supply failure, blown thermal fuse, bad relay control board, damaged terminal block, wiring failure
Main causes: broken oven door lock assembly, wiring failure, electronic control board problem
Main causes: faulty temperature sensor, electronic control board problem, control thermostat failure, weak burner igniter, oven door problem
Main causes: broken broiler element, weak or broken broil burner igniter, control system failure, faulty temperature sensor, wiring failure
Main causes: power supply problem, control thermostat or electronic control board failure, broken element, bad burner igniter
Main causes: bad bake element, broken burner igniter, control system failure, blown thermal fuse, faulty temperature sensor, wiring failure

Repair guides common to all ranges

These step-by-step repair guides will help you safely fix what’s broken on your range.

July 20, 2018
Lyle Weischwill
How to replace a range oven door switch

The oven door switch detects whether the oven door is closed and helps control the oven light. Replace the switch if it doesn’t control the oven light properly.

Repair difficulty
Time required
 30 minutes or less
February 20, 2015
Lyle Weischwill
How to replace a range oven door lock assembly

Oven door not locking? You can replace the lock assembly in less than 30 minutes. Here's how.

Repair difficulty
Time required
 15 minutes or less

Articles and videos common to all ranges

Use the advice and tips in these articles and videos to get the most out of your range.

December 27, 2021

How does a self-cleaning oven work?

Lyle Weischwill

Learn how the self-clean cycle works in an oven.

October 1, 2019

Coil surface element on range not heating video

Lyle Weischwill

Learn how to troubleshoot a coil surface element on your stove that won't heat.

May 23, 2018

F90 error code troubleshooting for ranges video

Wayne Archer

Troubleshoot the door lock system to find and fix the problem.