ICP
Central Air Conditioner

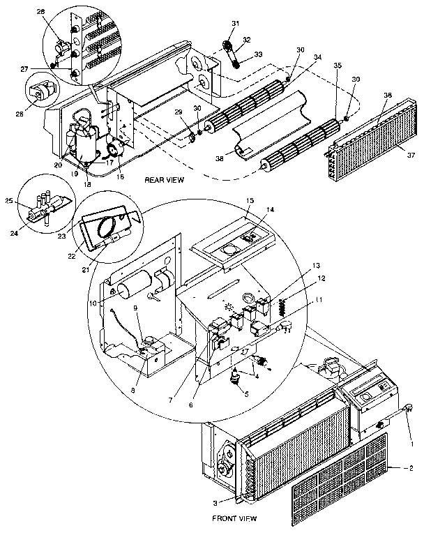
Model #THA09K34RTB Official ICP 230-v packaged terminal heat pump

Here are the diagrams and repair parts for ICP THA09K34RTB 230-v packaged terminal heat pump, as well as links to manuals and error code tables, if available.

There are a couple of ways to find the part or diagram you need:

  • Click a diagram to see the parts shown on that diagram.
  • In the search box below, enter all or part of the part number or the part’s name.

Not all parts are shown on the diagrams—those parts are labeled NI, for “not illustrated”.

We encourage you to save the model to your profile, so it’s easy to access parts and manuals for your appliance whenever you log in.

For DIY troubleshooting advice and repair guides, visit our repair help section.

Showing 10 of 55 parts

Board Termin#12

Functional Diagram

Board termin

Part #612254
In Stock
$8.63
Tube Cap#23

Functional Diagram

Tube cap

Part #1058664
In Stock
$8.99
Spst Relay#13

Functional Diagram

Spst relay

Part #1053004

The manufacturer no longer makes this part, and there's no substitute part

Grommet Tech#18

Functional Diagram

Grommet tech

Part #1090019

The manufacturer no longer makes this part, and there's no substitute part

Transformer#7

Functional Diagram

Transformer

Part #1056899

The manufacturer no longer makes this part, and there's no substitute part

Cap Rnrd#10

Functional Diagram

Capacitor

Part #1058594
Replaced by #1094992
?
Manufacturer substitution
This part replaces 1058594. Substitute parts can look different from the original.
In Stock
$18.21
Clamp Capaci#10

Non functional Diagram

Clamp

Part #709185
Replaced by #1095021
?
Manufacturer substitution
This part replaces 709185. Substitute parts can look different from the original.
This item is not returnable
In Stock
$2.71
Relay#11

Functional Diagram

Relay

Part #43205003
Replaced by #90-384
?
Manufacturer substitution
This part replaces 43205003. Substitute parts can look different from the original.
In Stock
$25.39
Isolator Bea#30

Functional Diagram

Isolator bea

Part #1058987

The manufacturer no longer makes this part, and there's no substitute part

Cvr Blwr Acs#14

Non functional Diagram

Cvr blwr acs

Part #1059049

The manufacturer no longer makes this part, and there's no substitute part

Articles and videos common to all central air conditioners

October 24, 2022

Easy DIY appliance repairs that anyone can do

Lyle Weischwill

Get advice on simple DIY fixes for appliances that you can safely do on your own.

August 5, 2022

Introducing new technical repair content that we’re developing for the Sears Technical Institute

Lyle Weischwill

Learn about Sears Technical Institute and the advanced technical content being developed for aspiring appliance techs.

June 29, 2022

Top questions about Sears and Sears PartsDirect

Lyle Weischwill

Get answers to frequently asked questions about Sears and Sears PartsDirect.