Kenmore
Toaster

Model #360633700 Official Kenmore 4-slice toaster

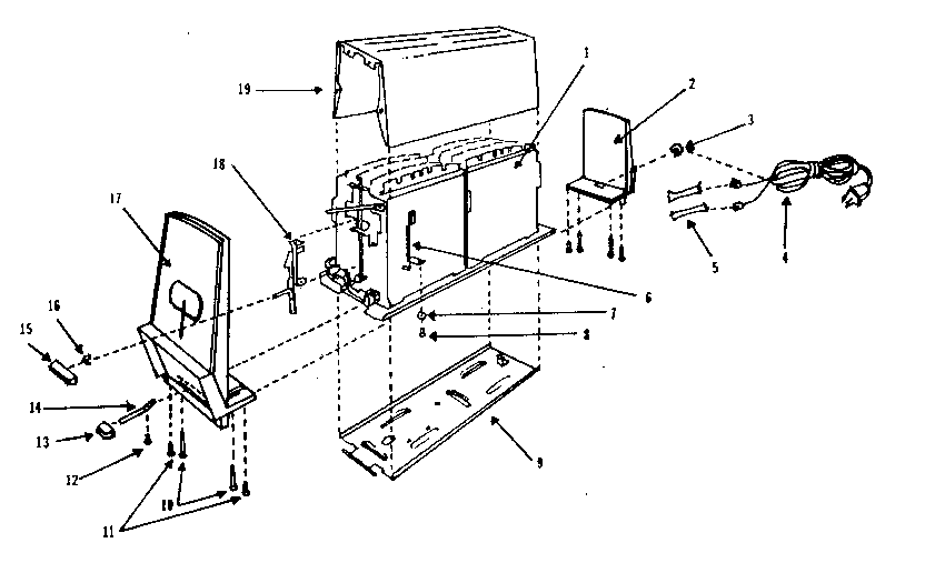
Here are the diagrams and repair parts for Kenmore 360633700 4-slice toaster, as well as links to manuals and error code tables, if available.

There are a couple of ways to find the part or diagram you need:

  • Click a diagram to see the parts shown on that diagram.
  • In the search box below, enter all or part of the part number or the part’s name.

Not all parts are shown on the diagrams—those parts are labeled NI, for “not illustrated”.

We encourage you to save the model to your profile, so it’s easy to access parts and manuals for your appliance whenever you log in.

For DIY troubleshooting advice and repair guides, visit our repair help section.

Showing 10 of 19 parts

Screw#11

Replacement parts Diagram

Screw

Part #002120

The manufacturer no longer makes this part, and there's no substitute part

Rear Panel#2

Replacement parts Diagram

Rear panel

Part #909297

The manufacturer no longer makes this part, and there's no substitute part

Spring#16

Replacement parts Diagram

Spring

Part #105005

The manufacturer no longer makes this part, and there's no substitute part

Screw#12

Replacement parts Diagram

Screw

Part #001300

The manufacturer no longer makes this part, and there's no substitute part

Sleeve#5

Replacement parts Diagram

Sleeve

Part #134103

The manufacturer no longer makes this part, and there's no substitute part

Screw#8

Replacement parts Diagram

Screw

Part #001107

The manufacturer no longer makes this part, and there's no substitute part

Screw#10

Replacement parts Diagram

Screw

Part #002134

The manufacturer no longer makes this part, and there's no substitute part

Chassis#1

Replacement parts Diagram

Chassis

Part #622907

The manufacturer no longer makes this part, and there's no substitute part

Extension#18

Replacement parts Diagram

Extension

Part #628291

The manufacturer no longer makes this part, and there's no substitute part

Crumb Tray B#9

Replacement parts Diagram

Crumb tray b

Part #927774

The manufacturer no longer makes this part, and there's no substitute part