GE
Washer

Model #WRW3705RBL Official GE washer

Here are the diagrams and repair parts for GE WRW3705RBL washer, as well as links to manuals and error code tables, if available.

There are a couple of ways to find the part or diagram you need:

  • Click a diagram to see the parts shown on that diagram.
  • In the search box below, enter all or part of the part number or the part’s name.

Not all parts are shown on the diagrams—those parts are labeled NI, for “not illustrated”.

We encourage you to save the model to your profile, so it’s easy to access parts and manuals for your appliance whenever you log in.

For DIY troubleshooting advice and repair guides, visit our repair help section.

Showing 10 of 291 parts

Washer Drive Belt#603

Pumps Diagram

Washer drive belt

Part #WH1X2026
In Stock
$7.59 | 
12% OFF 
Phone Price: $8.59
Washer Drain Hose#825

Tub, basket & agitator Diagram

Washer drain hose

Part #WH41X324
In Stock
$20.59 | 
20% OFF 
Phone Price: $25.59
Washer Tub Gasket#313

Tub, basket & agitator Diagram

Washer tub gasket

Part #WH8X305
In Stock
$39.59 | 
11% OFF 
Phone Price: $44.59
Laundry Appliance Screw, 12-pack#510

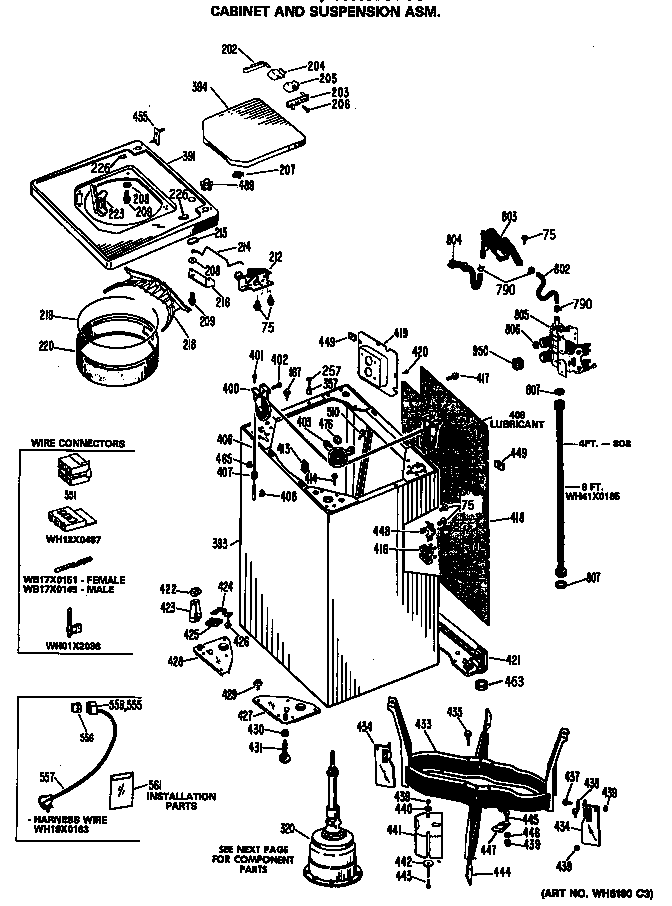
Cabinet & suspension asm. Diagram

Screw

Part #WE2X263
Replaced by #WE2X263D
?
Manufacturer substitution
This part replaces WE2X263. Substitute parts can look different from the original.
This item is not returnable
In Stock
$7.69 | 
12% OFF 
Phone Price: $8.69
Washer Water Inlet Valve Screen#806

Cabinet & suspension asm. Diagram

Screen

Part #WH1X1400
Replaced by #WH1X2267
?
Manufacturer substitution
This part replaces WH1X1400. Substitute parts can look different from the original.
In Stock
$7.69 | 
12% OFF 
Phone Price: $8.69
Washer Timer Knob Clip#9

Control panel Diagram

In Stock
$6.92 | 
13% OFF 
Phone Price: $7.92
Rca Use & Ca#1

Control panel Diagram

Rca use & ca

Part #79-9034
In Stock
$8.59 | 
10% OFF 
Phone Price: $9.59
Rca Use & Ca#1

Control panel Diagram

Rca use & ca

Part #79-9037
In Stock
$8.49
Mini Manual#1

Control panel Diagram

Mini manual

Part #31-2580
In Stock
$21.99
Washer Leveling Leg Rubber Pad#463

Cabinet & suspension asm. Diagram

In Stock
$7.69 | 
12% OFF 
Phone Price: $8.69

Symptoms common to all washers

Choose a symptom to see related washer repairs.

Main causes: leaky water inlet valve, faulty water-level pressure switch, bad electronic control board
Main causes: lack of electrical power, wiring failure, bad power cord, electronic control board failure, bad user interface board
Main causes: water heater failure, bad water temperature switch, faulty control board, bad water valve, faulty water temperature sensor
Main causes: unbalanced load, loose spanner nut, worn drive block, broken shock absorber or suspension spring, debris in drain pump
Main causes: broken lid switch or lid lock, bad pressure switch, broken shifter assembly, faulty control system
Main causes: clogged drain hose, house drain clogged, bad drain pump, water-level pressure switch failure, bad control board or timer
Main causes: worn agitator dogs, bad clutch, broken motor coupler, shifter assembly failure, broken door lock, suspension component failure
Main causes: no water supply, bad water valves, water-level pressure switch failure, control system failure, bad door lock or lid switch
Main causes: bad lid switch or door lock, bad timer or electronic control board, wiring failure, bad water inlet valve assembly

Articles and videos common to all washers

Use the advice and tips in these articles and videos to get the most out of your washer.

January 3, 2022

Why is my washing machine leaking when not in use?

By Lyle Weischwill

Learn how to fix a washing machine leak

December 30, 2021

How to fix a washing machine

By Lyle Weischwill

Learn how to fix your broken washing machine

April 10, 2020

Cleaning your appliances after a drinking water advisory

By Julie Riebe

Find out how to clean and flush household appliances once a boil water advisory is lifted.