Caloric
Electric Cooktop

Model #EDR648 Official Caloric electric downdraft cooktop - r series

Here are the diagrams and repair parts for Caloric EDR648 electric downdraft cooktop - r series, as well as links to manuals and error code tables, if available.

There are a couple of ways to find the part or diagram you need:

  • Click a diagram to see the parts shown on that diagram.
  • In the search box below, enter all or part of the part number or the part’s name.

Not all parts are shown on the diagrams—those parts are labeled NI, for “not illustrated”.

We encourage you to save the model to your profile, so it’s easy to access parts and manuals for your appliance whenever you log in.

For DIY troubleshooting advice and repair guides, visit our repair help section.

Error Codes

Showing 10 of 82 parts

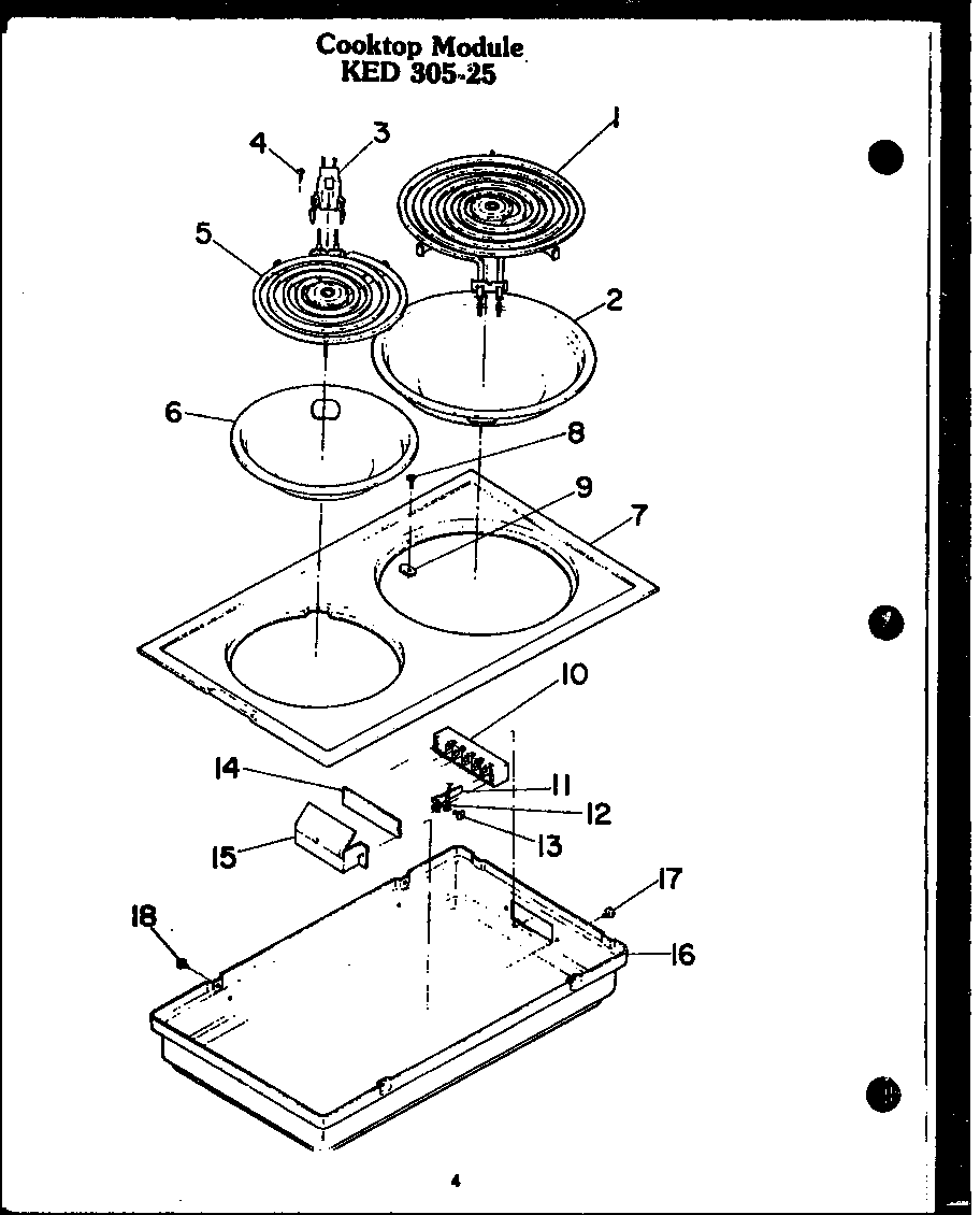
Range Drip Pan#6

Cook top module ked 305-25 Diagram

S pan

Part #42143
Replaced by #W10196406RW
?
Manufacturer substitution
This part replaces 42143. Substitute parts can look different from the original.
In Stock
$12.95 | 
13% OFF 
Phone Price: $14.95
Range Drip Pan, 8-in (Chrome) (replaces W10196405)#2

Cook top module ked 305-25 Diagram

Lg pan

Part #42144
Replaced by #WPW10196405
?
Manufacturer substitution
This part replaces 42144. Substitute parts can look different from the original.
In Stock
$8.09 | 
33% OFF 
MSRP: $12.00
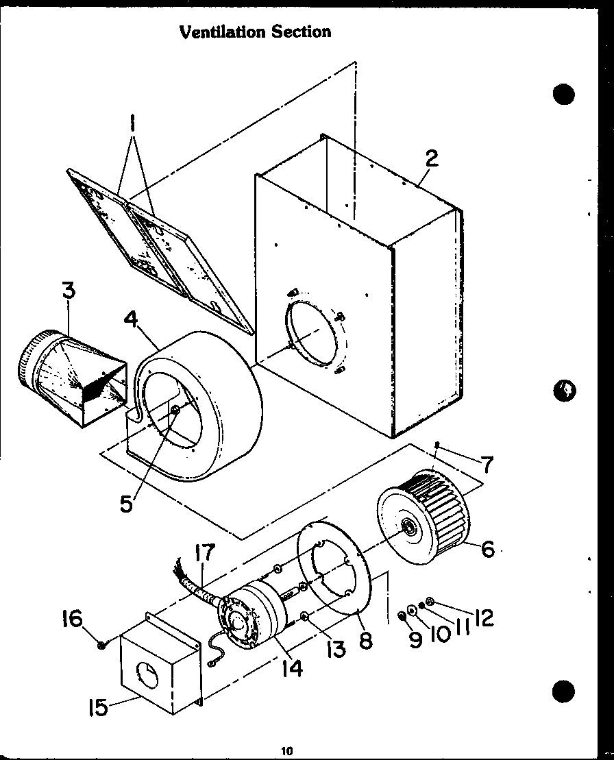
Filter#1

Ventillation section Diagram

Filter

Part #42024

The manufacturer no longer makes this part, and there's no substitute part

Block#3B

Cook top module ked 305-25 Diagram

Block

Part #89336

The manufacturer no longer makes this part, and there's no substitute part

Rack#8

Rotisserie ked 310-10 Diagram

Rack

Part #42721

The manufacturer no longer makes this part, and there's no substitute part

Conduit#17A

Ventillation section Diagram

Conduit

Part #42115

The manufacturer no longer makes this part, and there's no substitute part

90 DEGREES X 3/8 CONDUIT CONNECTOR

#NI

All parts Diagram

90 degrees x 3/8 conduit connector

Part #50244

The manufacturer no longer makes this part, and there's no substitute part

HI LIMIT SWITCH

#NI

All parts Diagram

Hi limit switch

Part #42069

The manufacturer no longer makes this part, and there's no substitute part

Grille#4

Grille module ked 306-20 Diagram

Grille

Part #51433

The manufacturer no longer makes this part, and there's no substitute part

Fan Scroll#4

Ventillation section Diagram

Fan scroll

Part #46204

The manufacturer no longer makes this part, and there's no substitute part

Symptoms common to all cooktops

Choose a symptom to see related cooktop repairs.

Main causes: lack of electrical power, gas supply failure, bad pressure regulator, control system failure

Repair guides for electric cooktops

How to replace a coil surface element on an electric cooktop

Easily replace a coil surface element in 15 minutes or less by following these step-by-step instructions.

Repair difficulty
Time required
 15 minutes or less
November 20, 2014
By Lyle Weischwill
How to replace the glass top on an electric cooktop

Don't use a cracked or damage glass cooktop—replace it, using these instructions to guide you.

Repair difficulty
Time required
 30 minutes or less
How to replace a radiant element on an electric cooktop

Follow these step-by-step instructions to replace a damaged radiant element on your electric cooktop when the element won’t heat when it receives voltage from the control.

Repair difficulty
Time required
 45 minutes or less

Articles and videos common to all cooktops

Use the advice and tips in these articles and videos to get the most out of your cooktop.

November 12, 2022

5 Holiday Cleaning Tasks Essential to Boosting Your Home’s Image

By Lyle Weischwill

Get tips on completing essential holiday cleaning tasks to brighten your home.

August 19, 2022

Are DIY appliance repairs safe?

By Lyle Weischwill

Find out how to stay safe when repairing your appliances.

July 9, 2021

How to clean stainless steel appliances video

By Lyle Weischwill

Learn how to keep the stainless-steel appliances in your home clean and shining bright.