GE
Chest Freezer

Model #CB5DCB Official GE freezer

Here are the diagrams and repair parts for GE CB5DCB freezer, as well as links to manuals and error code tables, if available.

There are a couple of ways to find the part or diagram you need:

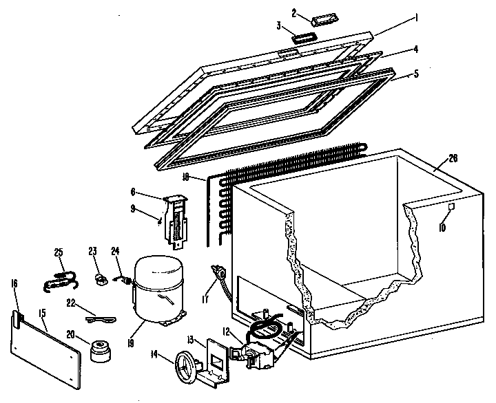
  • Click a diagram to see the parts shown on that diagram.
  • In the search box below, enter all or part of the part number or the part’s name.

Not all parts are shown on the diagrams—those parts are labeled NI, for “not illustrated”.

We encourage you to save the model to your profile, so it’s easy to access parts and manuals for your appliance whenever you log in.

For DIY troubleshooting advice and repair guides, visit our repair help section.

Error Codes

Showing 10 of 28 parts

Refrigerator Power Cord#17

Freezer assembly Diagram

Power cord

Part #WR23X108
Replaced by #WR23X10300
?
Manufacturer substitution
This part replaces WR23X108. Substitute parts can look different from the original.
In Stock
$24.59 | 
17% OFF 
Phone Price: $29.59
Refrigerator Use and Care Guide#26B

Freezer assembly Diagram

Refrigerator use and care guide

Part #49-6316
Replaced by #49-6316-2
?
Manufacturer substitution
This part replaces 49-6316. Substitute parts can look different from the original.
In Stock
$8.49
RETAINER PANEL#16

Freezer assembly Diagram

Retainer panel

Part #WR1X5472

The manufacturer no longer makes this part, and there's no substitute part

SCREW HINGE & CABINET#9

Freezer assembly Diagram

Screw hinge & cabinet

Part #WR1X5481

The manufacturer no longer makes this part, and there's no substitute part

CLIP GROMMET#22

Freezer assembly Diagram

Clip grommet

Part #WR1X5457

The manufacturer no longer makes this part, and there's no substitute part

Breaker Collar#26A

Freezer assembly Diagram

Breaker collar

Part #WR40X5432

The manufacturer no longer makes this part, and there's no substitute part

Handle#2

Freezer assembly Diagram

Handle

Part #WR12X5144

The manufacturer no longer makes this part, and there's no substitute part

O Lid Panel#1A

Freezer assembly Diagram

O lid panel

Part #WR78X6849

The manufacturer no longer makes this part, and there's no substitute part

Tubular Fastener#10B

Freezer assembly Diagram

Tubular fastener

Part #WR2X3757

The manufacturer no longer makes this part, and there's no substitute part

Retainer#24B

Freezer assembly Diagram

Retainer

Part #WR2X6241

The manufacturer no longer makes this part, and there's no substitute part

Symptoms common to all freestanding freezers

Choose a symptom to see related freezer repairs.

Main causes: burned out light bulb, bad door or lid switch, faulty LED light board, wiring failure, control system failure
Main causes: lack of power, bad compressor, refrigerant leak, bad thermistor, defrost system failure, dirty condenser coils, control failure
Main causes: leaky door or lid gasket, broken defrost heater, bad defrost bi-metal thermostat, defrost control failure, faulty compressor
Main causes: compressor failure, no refrigerant, faulty sensor, control failure, broken defrost heater, bad defrost bi-metal thermostat
Main causes: excessive frost, bad defrost heater, bad defrost bi-metal, control system failure, low refrigerant charge, compressor problems
Main causes: damaged door or lid gasket, cracked cabinet liner, bad defrost bi-metal thermostat, broken defrost heater, bad defrost timer
Main causes: lack of power, control system failure, broken compressor start relay, locked up compressor, compressor motor failure
Main causes: dirty condenser coils, condenser fan failure, dirty bottom front grill, leaky door or lid gasket

Repair guides for chest freezers

February 20, 2015
By Lyle Weischwill
How to replace a freezer compressor start relay

The compressor start relay starts the compressor. If the compressor won’t start, follow these steps to replace a defective compressor start relay.

Repair difficulty
Time required
 15 minutes or less
How to replace a freezer temperature control thermostat

The cold control thermostat regulates the freezer temperature. A defective cold control thermostat can prevent the compressor from cycling on or off. Follow these steps to replace a defective cold control thermostat.

Repair difficulty
Time required
 15 minutes or less
February 1, 2015
By Lyle Weischwill
How to replace a freezer lid gasket

The lid gasket prevents air and moisture from entering the freezer when the lid is closed. Follow these steps to replace a torn or damaged lid gasket.

Repair difficulty
Time required
 30 minutes or less

Articles and videos common to all freestanding freezers

Use the advice and tips in these articles and videos to get the most out of your freezer.

August 5, 2022

Introducing new technical repair content that we’re developing for the Sears Technical Institute

By Lyle Weischwill

Learn about Sears Technical Institute and the advanced technical content being developed for aspiring appliance techs.

April 12, 2021

7 tips to prevent freezer burn

By Lyle Weischwill

See how you can save frozen food from freezer burn.

December 15, 2014

5 tips for finding food in the freezer faster

By Lyle Weischwill

Don't get chapped hands digging through the icy depths. Get organized! Here's how.