Hoover
Canister Vacuum

Model #S7065-022 Official Hoover vacuum

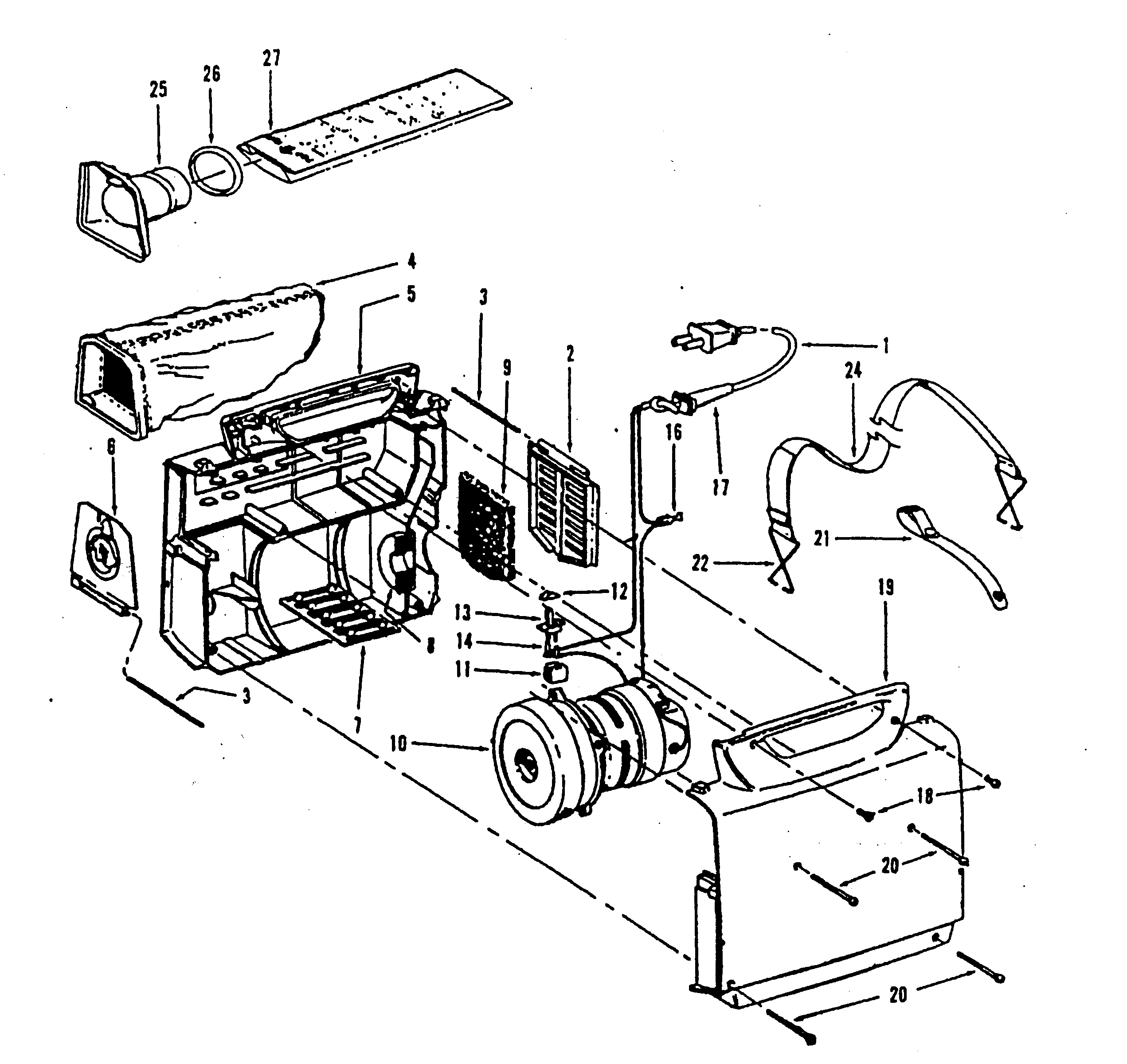
Here are the diagrams and repair parts for Hoover S7065-022 vacuum, as well as links to manuals and error code tables, if available.

There are a couple of ways to find the part or diagram you need:

  • Click a diagram to see the parts shown on that diagram.
  • In the search box below, enter all or part of the part number or the part’s name.

Not all parts are shown on the diagrams—those parts are labeled NI, for “not illustrated”.

We encourage you to save the model to your profile, so it’s easy to access parts and manuals for your appliance whenever you log in.

For DIY troubleshooting advice and repair guides, visit our repair help section.

Showing 10 of 59 parts

Vacuum Filter, 1-pack#7

Housing assy Diagram

Vacuum filter, 1-pack

Part #162083JM

The manufacturer no longer makes this part, and there's no substitute part

Vacuum Door#6

Housing assy Diagram

Vacuum door

Part #42227039

The manufacturer no longer makes this part, and there's no substitute part

Screw#21

Motor assy Diagram

Screw

Part #21429406

The manufacturer no longer makes this part, and there's no substitute part

Cord#1

Housing assy Diagram

Cord

Part #46383258

The manufacturer no longer makes this part, and there's no substitute part

Hoover Vacuum Bag, Type N, 5-pack#27

Housing assy Diagram

Hoover vacuum bag, type n, 5-pack

Part #4010038N

The manufacturer no longer makes this part, and there's no substitute part

Cord#1A

Housing assy Diagram

Cord

Part #46383350

The manufacturer no longer makes this part, and there's no substitute part

Vacuum Screw#18

Housing assy Diagram

Vacuum screw

Part #21447043

The manufacturer no longer makes this part, and there's no substitute part

Field Coil#14

Motor assy Diagram

Field coil

Part #45311051

The manufacturer no longer makes this part, and there's no substitute part

Armature#16

Motor assy Diagram

Armature

Part #44765171

The manufacturer no longer makes this part, and there's no substitute part

Pressure Pad#8

Housing assy Diagram

Pressure pad

Part #33712005

The manufacturer no longer makes this part, and there's no substitute part

Symptoms common to all vacuum cleaners

Choose a symptom to see related vacuum cleaner repairs.

Main causes: damaged vacuum hose, clogged motor air filter, bad suction motor
Main causes: broken drive belt, damaged brush roll, tripped brush roll motor overload, bad brush roll motor, wiring failure
Main causes: lack of power, bad power cord, drive motor failure, wiring failure
Main causes: weak suction motor, vacuum bag is full, clog in suction air path, dirty exhaust filter, leaky vacuum hose

Repair guides for canister vacuums

How to replace a vacuum power head ribbed drive belt

Some canister vacuums have a ribbed drive belt that spins the brush roll on a power brush attachment. If the brush roll slips, you can replace it using these instructions.

Repair difficulty
Time required
 30 minutes or less
July 1, 2013
Lyle Weischwill
How to replace a vacuum suction motor

The suction motor on a vacuum creates the draw of air at the cleaning head that picks up dirt. If the vacuum won't run, give it a new life by replacing the suction motor. These steps explain how.

Repair difficulty
Time required
 15 minutes or less
July 1, 2013
Lyle Weischwill
How to replace a vacuum beater bar

Replace the brush roll if the bristles ares worn or the cylinder is damaged.

Repair difficulty
Time required
 30 minutes or less

Articles and videos common to all vacuum cleaners

Use the advice and tips in these articles and videos to get the most out of your vacuum.

June 29, 2022

Top questions about Sears and Sears PartsDirect

Lyle Weischwill

Get answers to frequently asked questions about Sears and Sears PartsDirect.

January 5, 2015

10 must-have tools for appliance repair

Lyle Weischwill

Come see which tools made our top 10 must-haves for DIY appliance repair.

July 1, 2013

Vacuum common questions

Lyle Weischwill

Find the answers to frequently asked questions about vacuum cleaners.