ICP
Central Air Conditioner

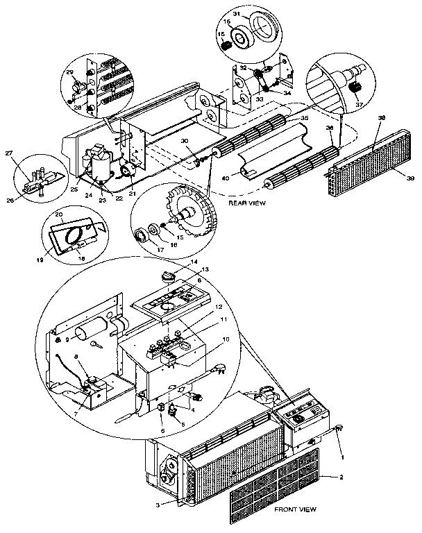
Model #THB09K50STA Official ICP 230-v packaged terminal heat pump

Here are the diagrams and repair parts for ICP THB09K50STA 230-v packaged terminal heat pump, as well as links to manuals and error code tables, if available.

There are a couple of ways to find the part or diagram you need:

  • Click a diagram to see the parts shown on that diagram.
  • In the search box below, enter all or part of the part number or the part’s name.

Not all parts are shown on the diagrams—those parts are labeled NI, for “not illustrated”.

We encourage you to save the model to your profile, so it’s easy to access parts and manuals for your appliance whenever you log in.

For DIY troubleshooting advice and repair guides, visit our repair help section.

Showing 10 of 59 parts

Wheel Indoor#35

Functional Diagram

Wheel indoor

Part #1062331
In Stock
$74.99
Wheel Outdoo#36

Functional Diagram

Wheel outdoo

Part #1062332
In Stock
$51.49
Tube Cap#20

Functional Diagram

Tube cap

Part #1058664
In Stock
$8.99
Clamp Capaci#2

Non functional Diagram

Clamp

Part #709185
Replaced by #1095021
?
Manufacturer substitution
This part replaces 709185. Substitute parts can look different from the original.
This item is not returnable
In Stock
$2.71
Grommet Tech#23

Functional Diagram

Grommet tech

Part #1090019

The manufacturer no longer makes this part, and there's no substitute part

Drive Belt#33

Functional Diagram

Belt ptac dr

Part #1063373
Replaced by #1064013
?
Manufacturer substitution
This part replaces 1063373. Substitute parts can look different from the original.
In Stock
$48.31
Plate Ctl Bo#4

Non functional Diagram

Plate ctl bo

Part #1058427

The manufacturer no longer makes this part, and there's no substitute part

Blwr Husing#18

Non functional Diagram

Blwr husing

Part #1058386

The manufacturer no longer makes this part, and there's no substitute part

Capllry Tube#19

Functional Diagram

Capllry tube

Part #1059074

The manufacturer no longer makes this part, and there's no substitute part

Scroll Blwr#21

Non functional Diagram

Scroll blwr

Part #1058350

The manufacturer no longer makes this part, and there's no substitute part

Articles and videos common to all central air conditioners

November 30, 2022

2023 HVAC regulation changes and how they may affect you

By Lyle Weischwill

Find out how new DOE standards going into effect in 2023 can affect you and what you need to do.

October 24, 2022

Easy DIY appliance repairs that anyone can do

By Lyle Weischwill

Get advice on simple DIY fixes for appliances that you can safely do on your own.

August 5, 2022

Introducing new technical repair content that we’re developing for the Sears Technical Institute

By Lyle Weischwill

Learn about Sears Technical Institute and the advanced technical content being developed for aspiring appliance techs.