Craftsman
Welder

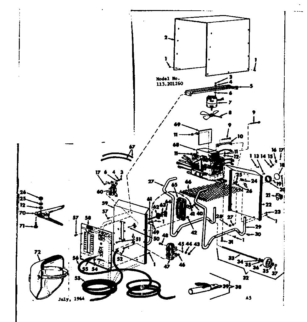
Model #113201260 Official Craftsman 231 amp ac arc welder

Here are the diagrams and repair parts for Craftsman 113201260 231 amp ac arc welder, as well as links to manuals and error code tables, if available.

There are a couple of ways to find the part or diagram you need:

  • Click a diagram to see the parts shown on that diagram.
  • In the search box below, enter all or part of the part number or the part’s name.

Not all parts are shown on the diagrams—those parts are labeled NI, for “not illustrated”.

We encourage you to save the model to your profile, so it’s easy to access parts and manuals for your appliance whenever you log in.

For DIY troubleshooting advice and repair guides, visit our repair help section.

Showing 10 of 76 parts

Washer#12

Unit Diagram

Washer

Part #446188

The manufacturer no longer makes this part, and there's no substitute part

Washer#45

Unit Diagram

Washer

Part #60013

The manufacturer no longer makes this part, and there's no substitute part

Ground Clamp#70

Unit Diagram

Ground clamp

Part #51439

The manufacturer no longer makes this part, and there's no substitute part

Washer#35

Unit Diagram

Washer

Part #60014

The manufacturer no longer makes this part, and there's no substitute part

Machine Screw#9

Unit Diagram

Machine screw

Part #60015

The manufacturer no longer makes this part, and there's no substitute part

Palnut#46

Unit Diagram

Palnut

Part #144564

The manufacturer no longer makes this part, and there's no substitute part

Hex Nut#14

Unit Diagram

Hex nut

Part #120614

The manufacturer no longer makes this part, and there's no substitute part

Screw#57

Unit Diagram

Screw

Part #125932

The manufacturer no longer makes this part, and there's no substitute part

Lockwashr#44

Unit Diagram

Lockwashr

Part #138540

The manufacturer no longer makes this part, and there's no substitute part

Hex Nut#26

Unit Diagram

Hex nut

Part #134551

The manufacturer no longer makes this part, and there's no substitute part