Sears
Toys & Games

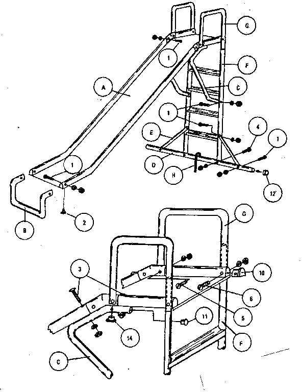
Model #SLIDE-71027 Official Sears slide

Here are the diagrams and repair parts for Sears SLIDE-71027 slide, as well as links to manuals and error code tables, if available.

There are a couple of ways to find the part or diagram you need:

  • Click a diagram to see the parts shown on that diagram.
  • In the search box below, enter all or part of the part number or the part’s name.

Not all parts are shown on the diagrams—those parts are labeled NI, for “not illustrated”.

We encourage you to save the model to your profile, so it’s easy to access parts and manuals for your appliance whenever you log in.

For DIY troubleshooting advice and repair guides, visit our repair help section.

Showing 10 of 22 parts

Hex Nut#8

Replacement parts Diagram

Hex nut

Part #416-6309

The manufacturer no longer makes this part, and there's no substitute part

Lk Washer#7

Replacement parts Diagram

Lk washer

Part #419-411

The manufacturer no longer makes this part, and there's no substitute part

Rd Hd Bolt#4

Replacement parts Diagram

Rd hd bolt

Part #416-2732

The manufacturer no longer makes this part, and there's no substitute part

Rd Hd Bolt#5

Replacement parts Diagram

Rd hd bolt

Part #416-2736

The manufacturer no longer makes this part, and there's no substitute part

Rd Hd Sc#1

Replacement parts Diagram

Rd hd sc

Part #416-2720

The manufacturer no longer makes this part, and there's no substitute part

Bolt#6

Replacement parts Diagram

Bolt

Part #416-2740

The manufacturer no longer makes this part, and there's no substitute part

Instruction Sheet

#NI

All parts Diagram

Instruction sheet

Part #410-12196

The manufacturer no longer makes this part, and there's no substitute part

Plst Cap#9

Replacement parts Diagram

Plst cap

Part #441-820

The manufacturer no longer makes this part, and there's no substitute part

End Cap#10

Replacement parts Diagram

End cap

Part #441-834

The manufacturer no longer makes this part, and there's no substitute part

Insert#11

Replacement parts Diagram

Insert

Part #441-831

The manufacturer no longer makes this part, and there's no substitute part