Crosley
Dryer

Model #CDE20P6W Official Crosley dryer

Here are the diagrams and repair parts for Crosley CDE20P6W dryer, as well as links to manuals and error code tables, if available.

There are a couple of ways to find the part or diagram you need:

  • Click a diagram to see the parts shown on that diagram.
  • In the search box below, enter all or part of the part number or the part’s name.

Not all parts are shown on the diagrams—those parts are labeled NI, for “not illustrated”.

We encourage you to save the model to your profile, so it’s easy to access parts and manuals for your appliance whenever you log in.

For DIY troubleshooting advice and repair guides, visit our repair help section.

Showing 10 of 174 parts

Dryer Drum Belt (replaces 2008, 31531589, 349533, 53-1512, 8210, W10127457, W10131364)

See All Related Diagrams

Cylinder bel

Part #53-1080
Replaced by #341241
?
Manufacturer substitution
This part replaces 53-1080. Substitute parts can look different from the original.
BEST SELLER
In Stock
$17.62 | 
10% OFF 
Phone Price: $19.62
Dryer Terminal Block Hex Nut

See All Related Diagrams

Nut (#10-32)

Part #25-0027
Replaced by #WP112432
?
Manufacturer substitution
This part replaces 25-0027. Substitute parts can look different from the original.
This item is not returnable
In Stock
$4.37 | 
19% OFF 
Phone Price: $5.37
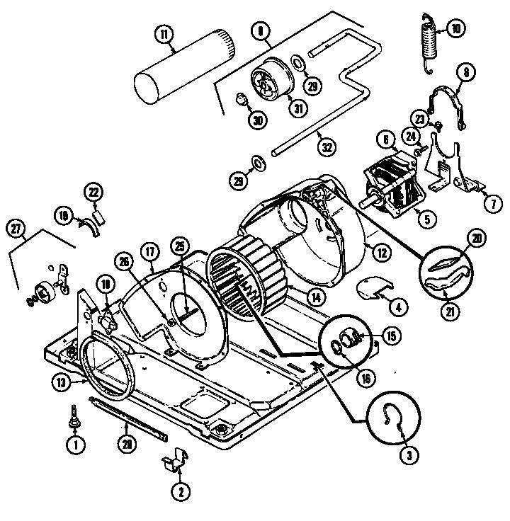
Dryer Drive Motor (replaces 31001015, 31001589)#5A

Motor & drive (rev. e-f) (cde20p6a) (cde20p6w) Diagram

Motor with pulley

Part #53-2275
Replaced by #W10410996
?
Manufacturer substitution
This part replaces 53-2275. Substitute parts can look different from the original.
In Stock
$214.10 | 
$10.00 OFF 
Phone Price: $224.10
Switch Screw

See All Related Diagrams

Switch screw

Part #25-3092
This item is not returnable
In Stock
$4.39 | 
19% OFF 
Phone Price: $5.39
Range Screw

See All Related Diagrams

Screw, sems

Part #25-3457
Replaced by #WP12990527
?
Manufacturer substitution
This part replaces 25-3457. Substitute parts can look different from the original.
This item is not returnable
In Stock
$4.37 | 
19% OFF 
Phone Price: $5.37
Dryer Door Seal

See All Related Diagrams

Door seal

Part #53-0648
Replaced by #WP31001529
?
Manufacturer substitution
This part replaces 53-0648. Substitute parts can look different from the original.
In Stock
$54.80 | 
10% OFF 
Was: $60.89
Refrigerator Leveler

See All Related Diagrams

Leveling leg

Part #63-5519
Replaced by #W11117769
?
Manufacturer substitution
This part replaces 63-5519. Substitute parts can look different from the original.
In Stock
$12.19 | 
14% OFF 
Phone Price: $14.19
Dryer Drum Front Glide Kit (replaces 53-0310N, LA1006)

See All Related Diagrams

Dryer drum front glide kit (replaces 53-0310n, la1006)

Part #LA-1006
This item is not returnable
In Stock
$17.59 | 
10% OFF 
Phone Price: $19.59
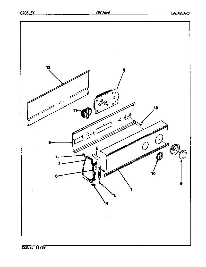
Cover Screw#10A

Cabinet (rev. e-f) Diagram

Cover screw

Part #25-7857
This item is not returnable
In Stock
$3.40
Dryer Door Catch

See All Related Diagrams

Dryer door catch

Part #LA-1003
This item is not returnable
In Stock
$20.69 | 
19% OFF 
Phone Price: $25.69

Symptoms common to all dryers

Choose a symptom to see related dryer repairs.

Main causes: bad drum support roller, damaged idler pulley, broken blower fan blade, worn drum glide bearing, bad drive motor
Main causes: bad gas valve coils, broken heating element, tripped safety thermostat or fuse, bad operating thermostat, control failure
Main causes: bad timer or electronic control board, door switch failure
Main causes: lack of electrical power, bad power cord, wiring failure, bad control board, blown thermal fuse, bad door switch
Main causes: clogged exhaust vent, bad motor relay, loose dryer door catch, bad door switch, control system failure, faulty drive motor
Main causes: damaged door strike, worn door catch
Main causes: door switch failure, lack of power, broken belt, blown thermal fuse, bad drive motor, control system failure
Main causes: clogged exhaust system, heating system failure, deposits on moisture sensor, control system failure

Repair guides common to all dryers

These step-by-step repair guides will help you safely fix what’s broken on your dryer.

August 1, 2014
Lyle Weischwill
How to replace a dryer drum support roller

If your dryer thumps or squeals, replace the drum support roller to restore quiet to your home.

Repair difficulty
Time required
 90 minutes or less
August 1, 2014
Lyle Weischwill
How to replace a dryer thermistor

The thermistor senses the air temperature in the dryer. If your dryer overheats or doesn't heat at all, the thermistor could be the problem.

Repair difficulty
Time required
 30 minutes or less
August 1, 2014
Lyle Weischwill
How to replace a dryer idler pulley

The idler pulley exerts pressure keeps the drive belt tight so it can rotate the drum. A worn idler pulley squeals or squeaks when the dryer is running. Follow these instructions to replace it.

Repair difficulty
Time required
 90 minutes or less

Articles and videos common to all dryers

Use the advice and tips in these articles and videos to get the most out of your dryer.

October 24, 2022

Easy DIY appliance repairs that anyone can do

Lyle Weischwill

Get advice on simple DIY fixes for appliances that you can safely do on your own.

January 4, 2022

How to replace a Maytag dryer heating element

Lyle Weischwill

Learn how to replace a Maytag dryer heating element

August 17, 2021

How to read a wiring schematic video

Lyle Weischwill

Learn how to decipher symbols so you can buy the right part for your problem.