Craftsman
Welder

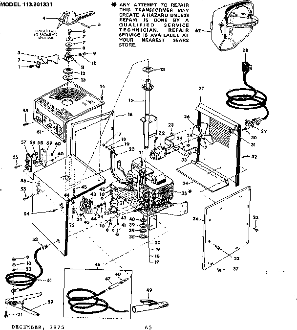
Model #113201331 Official Craftsman 230-amp arc welder

Here are the diagrams and repair parts for Craftsman 113201331 230-amp arc welder, as well as links to manuals and error code tables, if available.

There are a couple of ways to find the part or diagram you need:

  • Click a diagram to see the parts shown on that diagram.
  • In the search box below, enter all or part of the part number or the part’s name.

Not all parts are shown on the diagrams—those parts are labeled NI, for “not illustrated”.

We encourage you to save the model to your profile, so it’s easy to access parts and manuals for your appliance whenever you log in.

For DIY troubleshooting advice and repair guides, visit our repair help section.

Showing 10 of 63 parts

Washer#52

Unit Diagram

Washer

Part #STD551025

The manufacturer no longer makes this part, and there's no substitute part

Plain Washer#19

Unit Diagram

Plain washer

Part #STD551031

The manufacturer no longer makes this part, and there's no substitute part

Ground Clamp#50

Unit Diagram

Ground clamp

Part #51439

The manufacturer no longer makes this part, and there's no substitute part

Welder Cable Insulator#47

Unit Diagram

Welder cable insulator

Part #30332

The manufacturer no longer makes this part, and there's no substitute part

Welder Cable Plug#48

Unit Diagram

Welder cable plug

Part #61171

The manufacturer no longer makes this part, and there's no substitute part

Radial Arm Saw Arbor Collar#12

Unit Diagram

Radial arm saw arbor collar

Part #30494

The manufacturer no longer makes this part, and there's no substitute part

Welder Cable Block#59

Unit Diagram

Welder cable block

Part #61115

The manufacturer no longer makes this part, and there's no substitute part

1/4-in. Flat Lock Washer 8-pack#10

Unit Diagram

1/4-in. flat lock washer 8-pack

Part #STD551225

The manufacturer no longer makes this part, and there's no substitute part

Nut#33

Unit Diagram

Nut

Part #STD541411

The manufacturer no longer makes this part, and there's no substitute part

Machine Screw#14

Unit Diagram

Machine screw

Part #STD610805

The manufacturer no longer makes this part, and there's no substitute part