Husqvarna
Front-Engine Lawn Tractor

Model #96043032900 Official Husqvarna lawn tractor

Here are the diagrams and repair parts for Husqvarna 96043032900 lawn tractor, as well as links to manuals and error code tables, if available.

There are a couple of ways to find the part or diagram you need:

  • Click a diagram to see the parts shown on that diagram.
  • In the search box below, enter all or part of the part number or the part’s name.

Not all parts are shown on the diagrams—those parts are labeled NI, for “not illustrated”.

We encourage you to save the model to your profile, so it’s easy to access parts and manuals for your appliance whenever you log in.

For DIY troubleshooting advice and repair guides, visit our repair help section.

Owner’s manual

Showing 10 of 301 parts

Lawn Tractor Blade Drive Belt, 1/2 x 105-11/16-in (replaces 405143)#68

Mower deck/cutting deck Diagram

Drive v-belt

Part #532405143
Replaced by #584453101
?
Manufacturer substitution
This part replaces 532405143. Substitute parts can look different from the original.
BEST SELLER

Get free shipping with Automatic Reorder

Back Order
$42.29 | 
11% OFF 
Phone Price: $47.29
Lawn Tractor 46-in Deck High-Lift Blade#11

Mower deck/cutting deck Diagram

Lawn tractor 46-in deck high-lift blade

Part #532405380
BEST SELLER

Get free shipping with Automatic Reorder

In Stock
$19.89 | 
9% OFF 
Phone Price: $21.89
Lawn Tractor Self-Tapping Bolt#41

Mower deck/cutting deck Diagram

Lawn tractor self-tapping bolt

Part #584953901
BEST SELLER
This item is not returnable
In Stock
$3.29 | 
23% OFF 
Phone Price: $4.29
Lawn Mower Lock Nut, 3/8-in

See All Related Diagrams

Locking flange nut

Part #873900600
Replaced by #532409149
?
Manufacturer substitution
This part replaces 873900600. Substitute parts can look different from the original.
BEST SELLER
This item is not returnable
Back Order
$2.73 | 
27% OFF 
Phone Price: $3.73
Lawn Tractor Axle Cap#8

Wheels & tires Diagram

Hub cap

Part #532175039
Replaced by #532104757
?
Manufacturer substitution
This part replaces 532175039. Substitute parts can look different from the original.
BEST SELLER
This item is not returnable
In Stock
$2.40 | 
31% OFF 
MSRP: $3.48
Lawn Tractor Starter Solenoid#43

Electrical Diagram

Lawn tractor starter solenoid

Part #582042802
BEST SELLER
In Stock
$14.26 | 
25% OFF 
MSRP: $19.00
Lawn Tractor Ignition Switch#30

Electrical Diagram

Lawn tractor ignition switch

Part #532193350
BEST SELLER
Back Order
$12.98 | 
30% OFF 
MSRP: $18.51
Lawn Tractor Blade Idler Pulley#36

Mower deck/cutting deck Diagram

Idler pulley

Part #532197379
Replaced by #196106
?
Manufacturer substitution
This part replaces 532197379. Substitute parts can look different from the original.
BEST SELLER
Back Order
$21.99 | 
19% OFF 
Phone Price: $26.99
Lawn Tractor Deflector Shield Hinge Rod#29

Mower deck/cutting deck Diagram

Lawn tractor deflector shield hinge rod

Part #595297001
BEST SELLER
This item is not returnable
Back Order
$5.25
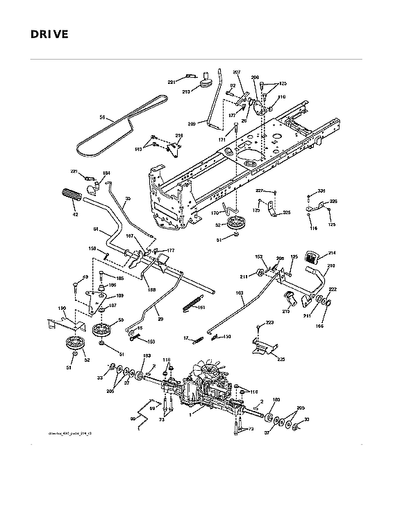
Lawn Tractor Ground Drive Fixed Idler Pulley#52

Drive Diagram

Lawn tractor ground drive idler pulley

Part #532194326
Replaced by #194326
?
Manufacturer substitution
This part replaces 532194326. Substitute parts can look different from the original.
BEST SELLER
Back Order
$15.32 | 
12% OFF 
Phone Price: $17.32

Symptoms common to all riding mowers & tractors

Choose a symptom to see related riding mower and lawn tractor repairs.

Main causes: punctured tire or inner tube, leaky valve stem, damaged wheel rim
Main causes: worn or broken ground drive belt, bad seat switch, transaxle freewheel control engaged, transaxle failure, dirty carburetor
Main causes: shift lever needs adjustment, neutral control needs adjustment
Main causes: worn or broken blade belt, broken belt idler pulley, blade clutch cable failure, bad PTO switch, damaged mandrel pulleys
Main causes: damaged cutting blade, worn deck pulley, damaged mandrel pulley, loose fasteners on mower deck components
Main causes: engine overfilled with oil, leaky head gasket or sump gasket, damaged carburetor seals, cracked fuel pump, broken fuel line
Main causes: clogged carburetor, damaged flywheel key, dirty spark plug, stale fuel, improper valve lash, engine needs a tune up
Main causes: faulty battery, bad alternator
Main causes: unlevel mower deck, dull or damaged cutting blades, worn mandrel pulleys, bent mower deck, engine needs tune up

Repair guides common to all riding mowers & tractors

These step-by-step repair guides will help you safely fix what’s broken on your riding mower or lawn tractor.

January 1, 2015
By Lyle Weischwill
How to replace a riding lawn mower rear tire

Your mower can’t run on a damaged rear tire. Here’s how to install a new one.

Repair difficulty
Time required
 60 minutes or less
January 1, 2015
By Lyle Weischwill
How to replace a riding lawn mower blade

If a blade on your mower is dull or bent, replace it following the steps in this repair guide.

Repair difficulty
Time required
 30 minutes or less
January 1, 2015
By Lyle Weischwill
How to replace a riding lawn mower fuel filter

Help your mower run better by replacing the fuel filter during your riding mower's annual tune-up.

Repair difficulty
Time required
 15 minutes or less

Articles and videos common to all riding mowers & tractors

Use the advice and tips in these articles and videos to get the most out of your riding mower or lawn tractor.

February 11, 2023

Top 10 electric lawn and garden tools for 2023

By Lyle Weischwill

Learn about the top 10 must-have electric lawn & garden tools for 2023

August 6, 2020

How to remove a lawn mower blade using a removal tool

By Lyle Weischwill

Learn how a blade removal tool makes replacing the blade easier and safer

April 9, 2019

Riding mower parts and supplies to stock up on video

By Lyle Weischwill

Keep these 6 things on hand to keep the mower season running smoothly.