Kenmore
Countertop Microwave

Model #5649908210 Official Kenmore microwave

Here are the diagrams and repair parts for Kenmore 5649908210 microwave, as well as links to manuals and error code tables, if available.

There are a couple of ways to find the part or diagram you need:

  • Click a diagram to see the parts shown on that diagram.
  • In the search box below, enter all or part of the part number or the part’s name.

Not all parts are shown on the diagrams—those parts are labeled NI, for “not illustrated”.

We encourage you to save the model to your profile, so it’s easy to access parts and manuals for your appliance whenever you log in.

For DIY troubleshooting advice and repair guides, visit our repair help section.

Showing 10 of 124 parts

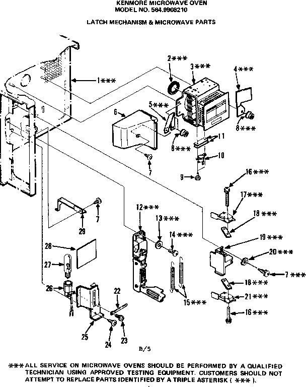
Latch Switch#20

Control parts Diagram

Latch switch

Part #10333

The manufacturer no longer makes this part, and there's no substitute part

Lamp#27

Latch mechansim & microwave parts Diagram

Lamp

Part #10035

The manufacturer no longer makes this part, and there's no substitute part

Washer#15

Door parts Diagram

Washer

Part #STD551010

The manufacturer no longer makes this part, and there's no substitute part

Nut#18

Control parts Diagram

Nut

Part #10034

The manufacturer no longer makes this part, and there's no substitute part

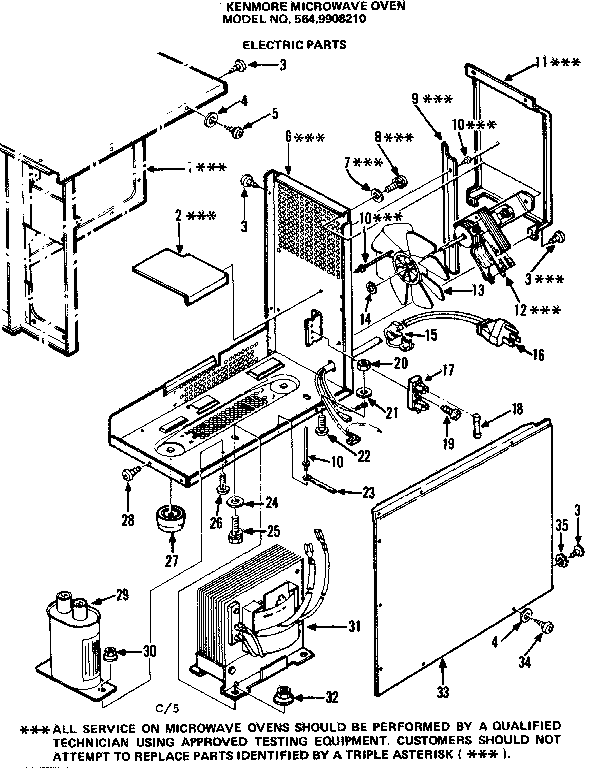
Fuse 10a#18

Electric parts Diagram

Fuse 10a

Part #11427

The manufacturer no longer makes this part, and there's no substitute part

Washer#24

Electric parts Diagram

Washer

Part #STD551012

The manufacturer no longer makes this part, and there's no substitute part

Thermostat#10

Latch mechansim & microwave parts Diagram

Thermostat

Part #11235

The manufacturer no longer makes this part, and there's no substitute part

Fuse Holder#17

Electric parts Diagram

Fuse holder

Part #11256

The manufacturer no longer makes this part, and there's no substitute part

Magnetron#3

Latch mechansim & microwave parts Diagram

Magnetron

Part #11422

The manufacturer no longer makes this part, and there's no substitute part

Screw#9

Latch mechansim & microwave parts Diagram

Screw

Part #10305

The manufacturer no longer makes this part, and there's no substitute part

Articles and videos common to all microwaves

November 12, 2022

5 Holiday Cleaning Tasks Essential to Boosting Your Home’s Image

Lyle Weischwill

Get tips on completing essential holiday cleaning tasks to brighten your home.

August 19, 2022

Are DIY appliance repairs safe?

Lyle Weischwill

Find out how to stay safe when repairing your appliances.

August 5, 2022

Introducing new technical repair content that we’re developing for the Sears Technical Institute

Lyle Weischwill

Learn about Sears Technical Institute and the advanced technical content being developed for aspiring appliance techs.