Craftsman
Air Compressor

Model #919152142 Official Craftsman air compressor

Here are the diagrams and repair parts for Craftsman 919152142 air compressor, as well as links to manuals and error code tables, if available.

There are a couple of ways to find the part or diagram you need:

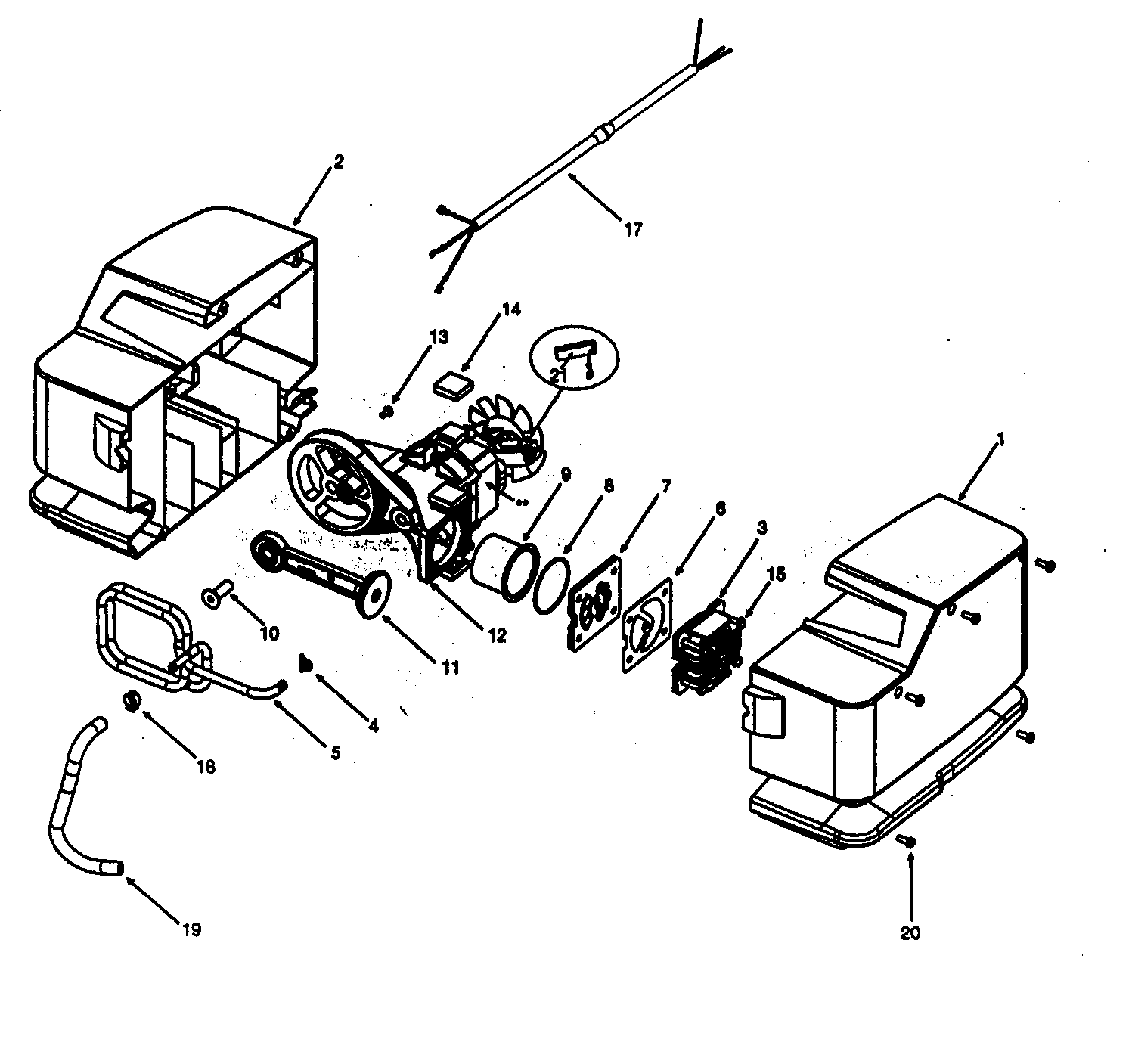
  • Click a diagram to see the parts shown on that diagram.
  • In the search box below, enter all or part of the part number or the part’s name.

Not all parts are shown on the diagrams—those parts are labeled NI, for “not illustrated”.

We encourage you to save the model to your profile, so it’s easy to access parts and manuals for your appliance whenever you log in.

For DIY troubleshooting advice and repair guides, visit our repair help section.

Owner’s manual

Showing 10 of 52 parts

Regulator#9

Compressor Diagram

Regulator

Part #D20643

The manufacturer no longer makes this part, and there's no substitute part

Tube Seal#4

Motor assy Diagram

Tube seal

Part #CAC-1212

The manufacturer no longer makes this part, and there's no substitute part

Air Compressor Cylinder Head#3

Motor assy Diagram

Air compressor cylinder head

Part #D25877

The manufacturer no longer makes this part, and there's no substitute part

Air Compressor Air Hose Clamp

See All Related Diagrams

Air compressor air hose clamp

Part #CAC-1206-1

The manufacturer no longer makes this part, and there's no substitute part

Screw#13

Motor assy Diagram

Screw

Part #SUDL-9-1

The manufacturer no longer makes this part, and there's no substitute part

Air Compressor Shroud Screw#20

Motor assy Diagram

Air compressor shroud screw

Part #SSF-3156

The manufacturer no longer makes this part, and there's no substitute part

Label, Dra#24

Compressor Diagram

Label, dra

Part #LA-3092-1

The manufacturer no longer makes this part, and there's no substitute part

Switch Cover#16

Motor assy Diagram

Switch cover

Part #CAC-1283

The manufacturer no longer makes this part, and there's no substitute part

Motor Cord#17

Motor assy Diagram

Motor cord

Part #D27279

The manufacturer no longer makes this part, and there's no substitute part

Air Compressor Pump Isolator#14

Motor assy Diagram

Air compressor pump isolator

Part #D25731

The manufacturer no longer makes this part, and there's no substitute part

Symptoms common to all air compressors

Choose a symptom to see related air compressor repairs.

Main causes: rusted air tank, loose air tube fitting connections, bad check valve, leaky safety valve, bad tank drain valve
Main causes: bad safety valve, pressure switch failure
Main causes: loose air tube fitting connections, bad check valve, faulty safety valve, damaged or corroded air tank, bad air pump
Main causes: tank drain valve open or leaking air, leaky air tank, bad safety valve, worn pump seals, bad pump valve plate
Main causes: lack of electrical power, check valve failure, bad pressure switch

Repair guides common to all air compressors

These step-by-step repair guides will help you safely fix what’s broken on your air compressor.

How to replace an air compressor pressure switch

You can replace a broken air compressor pressure switch in about 45 minutes.

Repair difficulty
Time required
 45 minutes or less
May 1, 2015
Lyle Weischwill
How to rebuild an air compressor pump

If the air compressor won't fill the tank with compressed air, rebuild the pump using these steps in about 45 minutes.

Repair difficulty
Time required
 45 minutes or less
How to replace an air compressor check valve

You can replace a defective air compressor check valve in about 10 minutes.

Repair difficulty
Time required
 15 minutes or less

Articles and videos common to all air compressors

Use the advice and tips in these articles and videos to get the most out of your air compressor.

April 24, 2015

How to reduce air compressor noise

Wayne Archer

Find out how to reduce air compressor noise.

April 21, 2015

How to maintain an oil-lubricated air compressor

Wayne Archer

See how to perform routine maintenance on your oil-lubricated air compressor.

April 21, 2015

How to maintain an oil-free air compressor

Wayne Archer

Learn how to maintain an oil-less air compressor for safe and efficient operation.