Kenmore
Washer

Model #11072950120 Official Kenmore washer

Here are the diagrams and repair parts for Kenmore 11072950120 washer, as well as links to manuals and error code tables, if available.

There are a couple of ways to find the part or diagram you need:

  • Click a diagram to see the parts shown on that diagram.
  • In the search box below, enter all or part of the part number or the part’s name.

Not all parts are shown on the diagrams—those parts are labeled NI, for “not illustrated”.

We encourage you to save the model to your profile, so it’s easy to access parts and manuals for your appliance whenever you log in.

For DIY troubleshooting advice and repair guides, visit our repair help section.

    Showing 10 of 285 parts

    Washer Agitator Bolt#25

    Tub and basket parts Diagram

    Washer agitator bolt

    Part #358237
    Replaced by #WP358237
    ?
    Manufacturer substitution
    This part replaces 358237. Substitute parts can look different from the original.
    BEST SELLER
    This item is not returnable
    In Stock
    $2.51 | 
    40% OFF 
    MSRP: $4.20
    Appliance Touch-Up Paint, 0.6-oz (White)

    #NI

    All parts Diagram

    In Stock
    $8.29 | 
    11% OFF 
    Phone Price: $9.29
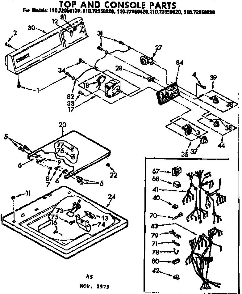
    Laundry Appliance Door Switch Kit#13

    Top & console parts Diagram

    Lid switch

    Part #364090
    Replaced by #W10820036
    ?
    Manufacturer substitution
    This part replaces 364090. Substitute parts can look different from the original.
    BEST SELLER
    In Stock
    $27.04 | 
    18% OFF 
    MSRP: $33.00
    Appliance Spray Paint (White)

    #NI

    All parts Diagram

    Appliance spray paint (white)

    Part #350930
    BEST SELLER
    This item is not returnable
    In Stock
    $15.69 | 
    11% OFF 
    Phone Price: $17.69
    Washer Lid Bumper#22

    Top & console parts Diagram

    Bumper

    Part #354241
    Replaced by #WP9724509
    ?
    Manufacturer substitution
    This part replaces 354241. Substitute parts can look different from the original.
    BEST SELLER
    This item is not returnable
    In Stock
    $4.39 | 
    19% OFF 
    Phone Price: $5.39
    Appliance Touch-Up Paint, 0.6-oz (Almond)

    #NI

    All parts Diagram

    Appliance touch-up paint, 0.6-oz (almond)

    Part #72107
    Replaced by #WP72107
    ?
    Manufacturer substitution
    This part replaces 72107. Substitute parts can look different from the original.
    BEST SELLER
    This item is not returnable
    Back Order
    $5.39 | 
    16% OFF 
    Phone Price: $6.39
    Washer Lid Bumper#76

    Top & console parts Diagram

    Bumper

    Part #354255
    Replaced by #WP354255
    ?
    Manufacturer substitution
    This part replaces 354255. Substitute parts can look different from the original.
    BEST SELLER
    This item is not returnable
    In Stock
    $4.39 | 
    19% OFF 
    Phone Price: $5.39
    Dryer Top Panel Clip#17

    Cabinet parts Diagram

    Dryer top panel clip

    Part #18776
    Replaced by #WP18776
    ?
    Manufacturer substitution
    This part replaces 18776. Substitute parts can look different from the original.
    This item is not returnable
    Back Order
    $8.39 | 
    11% OFF 
    Phone Price: $9.39
    Washer Hose Clamp#3

    Cabinet parts Diagram

    Clamp

    Part #370445
    Replaced by #WP285655
    ?
    Manufacturer substitution
    This part replaces 370445. Substitute parts can look different from the original.
    This item is not returnable
    In Stock
    $6.49 | 
    13% OFF 
    Phone Price: $7.49
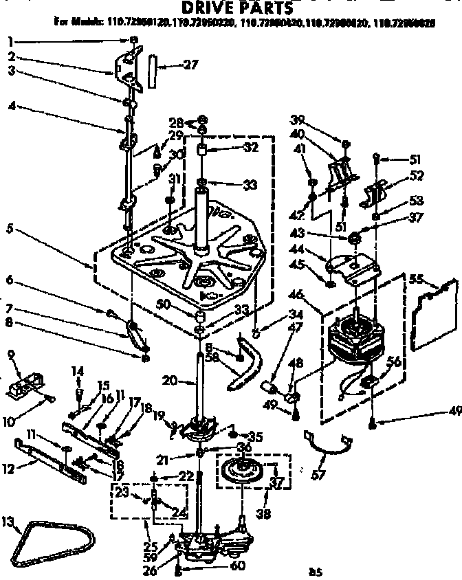
    Washer Drive Belt#13

    Drive parts Diagram

    Washer drive belt

    Part #95405
    Replaced by #WP95405
    ?
    Manufacturer substitution
    This part replaces 95405. Substitute parts can look different from the original.
    This item is not returnable
    In Stock
    $13.09 | 
    53% OFF 
    MSRP: $28.00

    Symptoms common to all washers

    Choose a symptom to see related washer repairs.

    Main causes: leaky water inlet valve, faulty water-level pressure switch, bad electronic control board
    Main causes: lack of electrical power, wiring failure, bad power cord, electronic control board failure, bad user interface board
    Main causes: water heater failure, bad water temperature switch, faulty control board, bad water valve, faulty water temperature sensor
    Main causes: unbalanced load, loose spanner nut, worn drive block, broken shock absorber or suspension spring, debris in drain pump
    Main causes: broken lid switch or lid lock, bad pressure switch, broken shifter assembly, faulty control system
    Main causes: clogged drain hose, house drain clogged, bad drain pump, water-level pressure switch failure, bad control board or timer
    Main causes: worn agitator dogs, bad clutch, broken motor coupler, shifter assembly failure, broken door lock, suspension component failure
    Main causes: no water supply, bad water valves, water-level pressure switch failure, control system failure, bad door lock or lid switch
    Main causes: bad lid switch or door lock, bad timer or electronic control board, wiring failure, bad water inlet valve assembly

    Articles and videos common to all washers

    Use the advice and tips in these articles and videos to get the most out of your washer.

    January 3, 2022

    Why is my washing machine leaking when not in use?

    By Lyle Weischwill

    Learn how to fix a washing machine leak

    December 30, 2021

    How to fix a washing machine

    By Lyle Weischwill

    Learn how to fix your broken washing machine

    April 10, 2020

    Cleaning your appliances after a drinking water advisory

    By Julie Riebe

    Find out how to clean and flush household appliances once a boil water advisory is lifted.