Kenmore
Washer

Model #11082980330 Official Kenmore washer

Here are the diagrams and repair parts for Kenmore 11082980330 washer, as well as links to manuals and error code tables, if available.

There are a couple of ways to find the part or diagram you need:

  • Click a diagram to see the parts shown on that diagram.
  • In the search box below, enter all or part of the part number or the part’s name.

Not all parts are shown on the diagrams—those parts are labeled NI, for “not illustrated”.

We encourage you to save the model to your profile, so it’s easy to access parts and manuals for your appliance whenever you log in.

For DIY troubleshooting advice and repair guides, visit our repair help section.

    Showing 10 of 240 parts

    Washer Agitator Dog Set#5

    Agitator, basket and tub Diagram

    Agitator dog

    Part #387091
    Replaced by #80040
    ?
    Manufacturer substitution
    This part replaces 387091. Substitute parts can look different from the original.
    BEST SELLER
    This item is not returnable
    In Stock
    $3.03 | 
    28% OFF 
    MSRP: $4.20
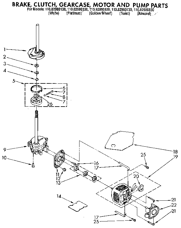
    Washer Motor Coupling#13

    Brake, clutch, gearcase, motor and pump Diagram

    Coupling

    Part #661560
    Replaced by #285753A
    ?
    Manufacturer substitution
    This part replaces 661560. Substitute parts can look different from the original.
    BEST SELLER
    In Stock
    $27.30 | 
    15% OFF 
    Phone Price: $32.30
    Washer Agitator Cam#3

    Agitator, basket and tub Diagram

    Agitator cam

    Part #3351000
    Replaced by #285748
    ?
    Manufacturer substitution
    This part replaces 3351000. Substitute parts can look different from the original.
    BEST SELLER
    In Stock
    $33.74 | 
    13% OFF 
    Phone Price: $38.74
    Washer Agitator Bolt#2

    Agitator, basket and tub Diagram

    Washer agitator bolt

    Part #358237
    Replaced by #WP358237
    ?
    Manufacturer substitution
    This part replaces 358237. Substitute parts can look different from the original.
    BEST SELLER
    This item is not returnable
    In Stock
    $2.51 | 
    40% OFF 
    MSRP: $4.20
    Washer Drain Pump#22

    Brake, clutch, gearcase, motor and pump Diagram

    Water pump

    Part #3352492
    Replaced by #WP3363394
    ?
    Manufacturer substitution
    This part replaces 3352492. Substitute parts can look different from the original.
    BEST SELLER
    In Stock
    $30.02 | 
    38% OFF 
    Was: $48.19
    Washer Clutch#5

    Brake, clutch, gearcase, motor and pump Diagram

    Clutch

    Part #3350115
    Replaced by #285785
    ?
    Manufacturer substitution
    This part replaces 3350115. Substitute parts can look different from the original.
    BEST SELLER
    In Stock
    $41.19 | 
    15% OFF 
    MSRP: $48.43
    Washer Water Inlet Valve#26

    Rear panel Diagram

    Washer valve

    Part #388328
    Replaced by #285805
    ?
    Manufacturer substitution
    This part replaces 388328. Substitute parts can look different from the original.
    BEST SELLER
    In Stock
    $39.12 | 
    11% OFF 
    Phone Price: $44.12
    Washer Timer Knob#13

    Control panel Diagram

    Timer knob

    Part #3353309
    Replaced by #WP3362624
    ?
    Manufacturer substitution
    This part replaces 3353309. Substitute parts can look different from the original.
    BEST SELLER
    In Stock
    $35.50 | 
    12% OFF 
    Phone Price: $40.50
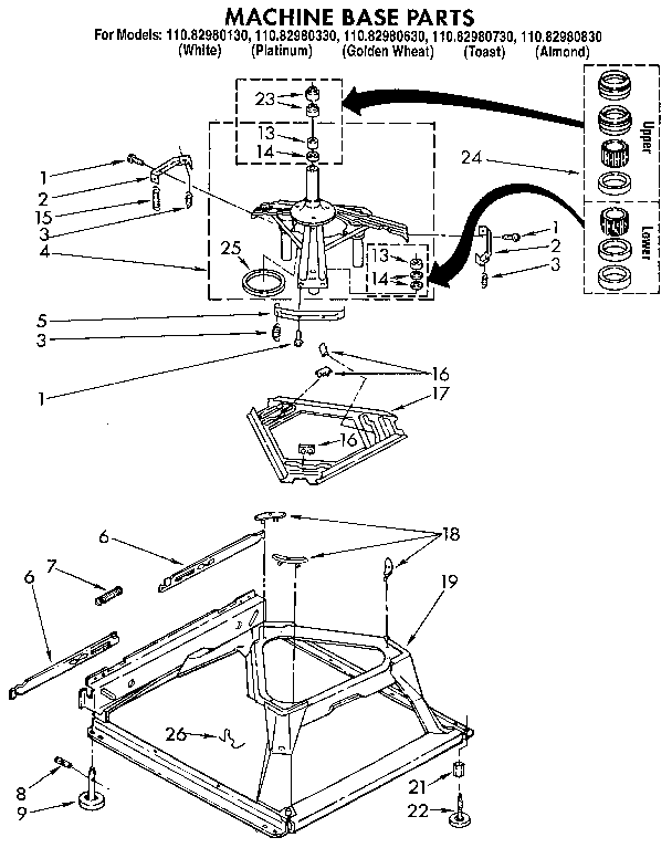
    Washer Counterweight Spring#15

    Machine base Diagram

    Counterweight spring (red)

    Part #388492
    Replaced by #WPW10250667
    ?
    Manufacturer substitution
    This part replaces 388492. Substitute parts can look different from the original.
    BEST SELLER
    This item is not returnable
    In Stock
    $2.09 | 
    50% OFF 
    MSRP: $4.20
    Washer Suspension Spring#3

    Machine base Diagram

    Washer suspension spring

    Part #63907
    Replaced by #WP63907
    ?
    Manufacturer substitution
    This part replaces 63907. Substitute parts can look different from the original.
    BEST SELLER
    This item is not returnable
    In Stock
    $4.19 | 
    24% OFF 
    MSRP: $5.50

    Symptoms common to all washers

    Choose a symptom to see related washer repairs.

    Main causes: leaky water inlet valve, faulty water-level pressure switch, bad electronic control board
    Main causes: lack of electrical power, wiring failure, bad power cord, electronic control board failure, bad user interface board
    Main causes: water heater failure, bad water temperature switch, faulty control board, bad water valve, faulty water temperature sensor
    Main causes: unbalanced load, loose spanner nut, worn drive block, broken shock absorber or suspension spring, debris in drain pump
    Main causes: broken lid switch or lid lock, bad pressure switch, broken shifter assembly, faulty control system
    Main causes: clogged drain hose, house drain clogged, bad drain pump, water-level pressure switch failure, bad control board or timer
    Main causes: worn agitator dogs, bad clutch, broken motor coupler, shifter assembly failure, broken door lock, suspension component failure
    Main causes: no water supply, bad water valves, water-level pressure switch failure, control system failure, bad door lock or lid switch
    Main causes: bad lid switch or door lock, bad timer or electronic control board, wiring failure, bad water inlet valve assembly

    Articles and videos common to all washers

    Use the advice and tips in these articles and videos to get the most out of your washer.

    January 3, 2022

    Why is my washing machine leaking when not in use?

    By Lyle Weischwill

    Learn how to fix a washing machine leak

    December 30, 2021

    How to fix a washing machine

    By Lyle Weischwill

    Learn how to fix your broken washing machine

    April 10, 2020

    Cleaning your appliances after a drinking water advisory

    By Julie Riebe

    Find out how to clean and flush household appliances once a boil water advisory is lifted.