GE
Washer

Model #GFWH3405L0BB Official GE washer

Here are the diagrams and repair parts for GE GFWH3405L0BB washer, as well as links to manuals and error code tables, if available.

There are a couple of ways to find the part or diagram you need:

  • Click a diagram to see the parts shown on that diagram.
  • In the search box below, enter all or part of the part number or the part’s name.

Not all parts are shown on the diagrams—those parts are labeled NI, for “not illustrated”.

We encourage you to save the model to your profile, so it’s easy to access parts and manuals for your appliance whenever you log in.

For DIY troubleshooting advice and repair guides, visit our repair help section.

Owner’s manual

Showing 10 of 181 parts

Liquid Detergent#129

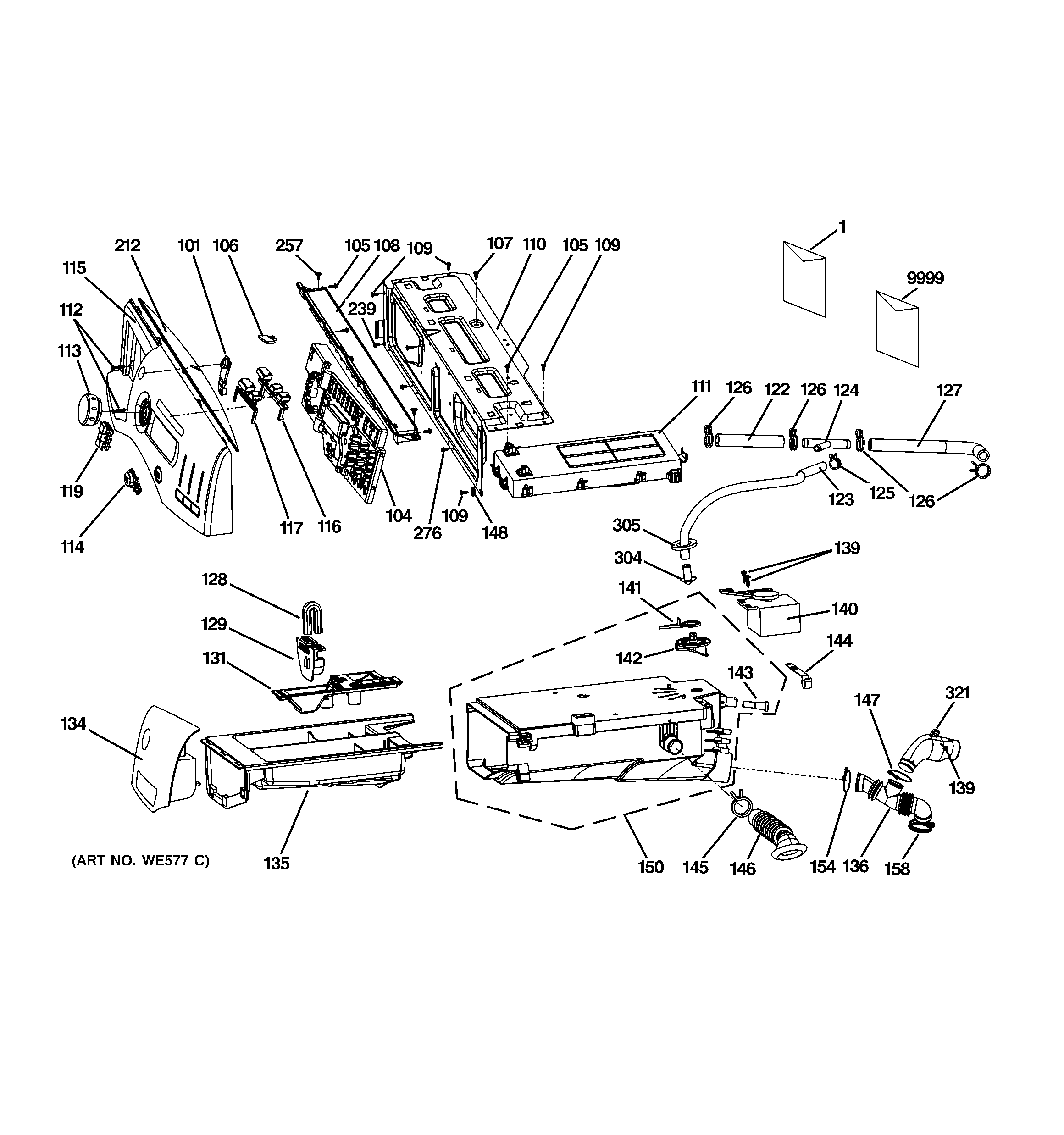
Controls & dispenser Diagram

Liquid detergent

Part #WH41X10180
Replaced by #WH41X10264
?
Manufacturer substitution
This part replaces WH41X10180. Substitute parts can look different from the original.
In Stock
$9.99 | 
9% OFF 
Phone Price: $10.99
EMI Filter#201

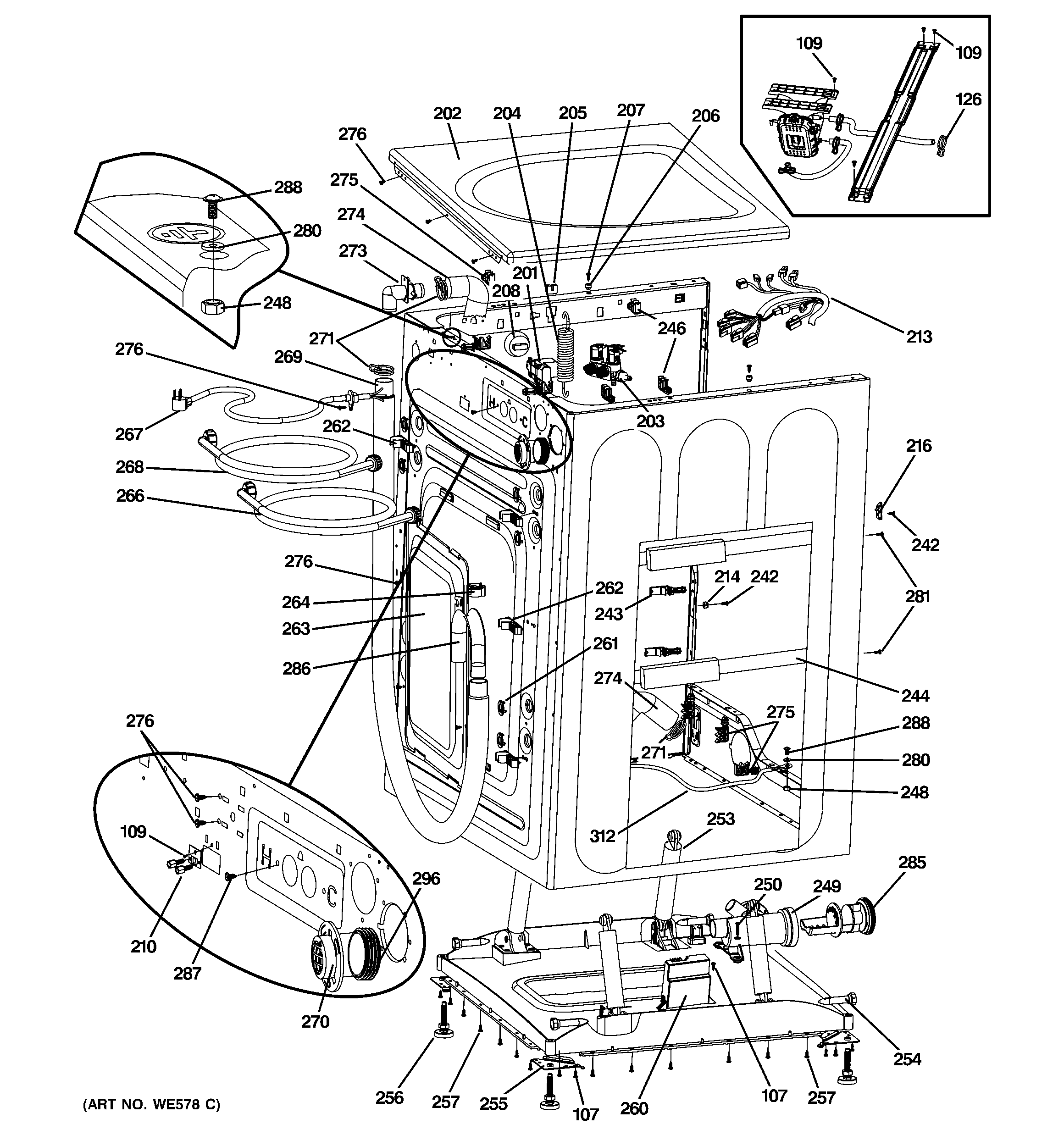
Cabinet & top panel Diagram

Emi filter

Part #WH41X10123
In Stock
$69.99
Washer Drain Hose#274

Cabinet & top panel Diagram

Washer drain hose

Part #WH41X10127
In Stock
$45.79 | 
10% OFF 
Phone Price: $50.79
Washer Drain Hose Clamp#271

Cabinet & top panel Diagram

Washer drain hose clamp

Part #WH01X10265
This item is not returnable
In Stock
$7.69 | 
12% OFF 
Phone Price: $8.69
Washer Door Boot Spring Clamp, Inner#347

Tub & motor Diagram

In Stock
$49.29 | 
9% OFF 
Phone Price: $54.29
Siphon Pipe#128

Controls & dispenser Diagram

Siphon pipe

Part #WH41X10179
In Stock
$7.69 | 
12% OFF 
Phone Price: $8.69
Washer Tub-to-Pump Hose#340

Tub & motor Diagram

Washer tub-to-pump hose

Part #WH41X10250
In Stock
$69.29 | 
7% OFF 
Phone Price: $74.29
Washer Drain Hose#269

Cabinet & top panel Diagram

Washer drain hose

Part #WH41X10126
In Stock
$36.69 | 
12% OFF 
Phone Price: $41.69
Washer Door Boot Spring Clamp#349

Tub & motor Diagram

In Stock
$32.89 | 
13% OFF 
Phone Price: $37.89
Washer Motor#327

Tub & motor Diagram

Washer motor

Part #WH02X10212
In Stock
$7.69 | 
12% OFF 
Phone Price: $8.69

Symptoms common to all washers

Choose a symptom to see related washer repairs.

Main causes: leaky water inlet valve, faulty water-level pressure switch, bad electronic control board
Main causes: lack of electrical power, wiring failure, bad power cord, electronic control board failure, bad user interface board
Main causes: water heater failure, bad water temperature switch, faulty control board, bad water valve, faulty water temperature sensor
Main causes: unbalanced load, loose spanner nut, worn drive block, broken shock absorber or suspension spring, debris in drain pump
Main causes: broken lid switch or lid lock, bad pressure switch, broken shifter assembly, faulty control system
Main causes: clogged drain hose, house drain clogged, bad drain pump, water-level pressure switch failure, bad control board or timer
Main causes: worn agitator dogs, bad clutch, broken motor coupler, shifter assembly failure, broken door lock, suspension component failure
Main causes: no water supply, bad water valves, water-level pressure switch failure, control system failure, bad door lock or lid switch
Main causes: bad lid switch or door lock, bad timer or electronic control board, wiring failure, bad water inlet valve assembly

Articles and videos common to all washers

Use the advice and tips in these articles and videos to get the most out of your washer.

January 3, 2022

Why is my washing machine leaking when not in use?

By Lyle Weischwill

Learn how to fix a washing machine leak

December 30, 2021

How to fix a washing machine

By Lyle Weischwill

Learn how to fix your broken washing machine

April 10, 2020

Cleaning your appliances after a drinking water advisory

By Julie Riebe

Find out how to clean and flush household appliances once a boil water advisory is lifted.