Ryobi
Angle Grinder

Model #G-2300C Official Ryobi angle grinder

Here are the diagrams and repair parts for Ryobi G-2300C angle grinder, as well as links to manuals and error code tables, if available.

There are a couple of ways to find the part or diagram you need:

  • Click a diagram to see the parts shown on that diagram.
  • In the search box below, enter all or part of the part number or the part’s name.

Not all parts are shown on the diagrams—those parts are labeled NI, for “not illustrated”.

We encourage you to save the model to your profile, so it’s easy to access parts and manuals for your appliance whenever you log in.

For DIY troubleshooting advice and repair guides, visit our repair help section.

Showing 10 of 61 parts

Ball Bearing#38

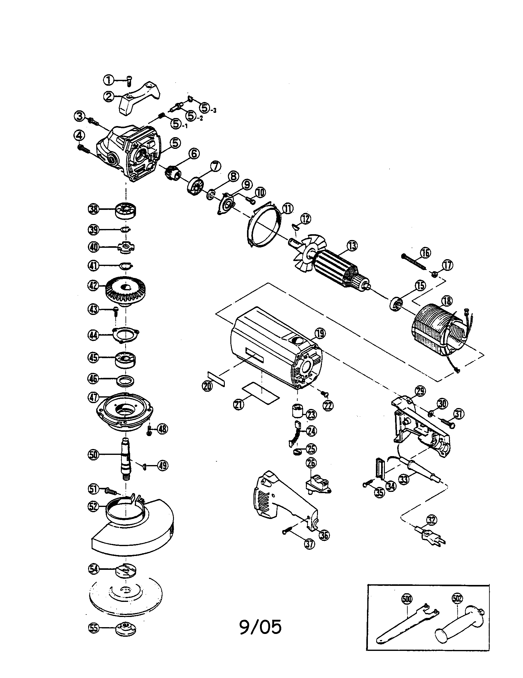
Grinder assembly Diagram

Ball bearing

Part #9846200

The manufacturer no longer makes this part, and there's no substitute part

Ball Bearing#15

Grinder assembly Diagram

Ball bearing

Part #9856200

The manufacturer no longer makes this part, and there's no substitute part

BALL BEARING #6203LLH#45

Grinder assembly Diagram

Ball bearing #6203llh

Part #9896203

The manufacturer no longer makes this part, and there's no substitute part

NAME PLATE G2300C#21A

Grinder assembly Diagram

Name plate g2300c

Part #6910979

The manufacturer no longer makes this part, and there's no substitute part

Brush Cap#25

Grinder assembly Diagram

Brush cap

Part #6570033

The manufacturer no longer makes this part, and there's no substitute part

Tool Rest#2

Grinder assembly Diagram

Tool rest

Part #6370068

The manufacturer no longer makes this part, and there's no substitute part

Clamp Nut#55

Grinder assembly Diagram

Clamp nut

Part #6940227

The manufacturer no longer makes this part, and there's no substitute part

Stopper#40

Grinder assembly Diagram

Stopper

Part #6220027

The manufacturer no longer makes this part, and there's no substitute part

FAN CASING#11

Grinder assembly Diagram

Fan casing

Part #6490110

The manufacturer no longer makes this part, and there's no substitute part

Brush Holder#23

Grinder assembly Diagram

Brush holder

Part #6570032

The manufacturer no longer makes this part, and there's no substitute part