ICP
Air Handler

Model #BPW030SKA1 Official ICP blower coil unit

Here are the diagrams and repair parts for ICP BPW030SKA1 blower coil unit, as well as links to manuals and error code tables, if available.

There are a couple of ways to find the part or diagram you need:

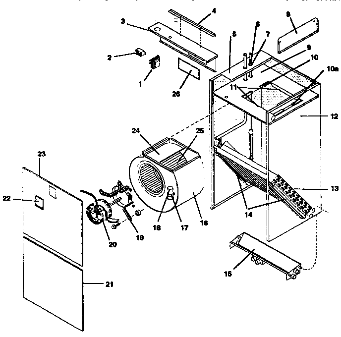
  • Click a diagram to see the parts shown on that diagram.
  • In the search box below, enter all or part of the part number or the part’s name.

Not all parts are shown on the diagrams—those parts are labeled NI, for “not illustrated”.

We encourage you to save the model to your profile, so it’s easy to access parts and manuals for your appliance whenever you log in.

For DIY troubleshooting advice and repair guides, visit our repair help section.

Showing 10 of 31 parts

Panel Cutoff#24

Functional replacement parts Diagram

Panel cutoff

Part #721020013
In Stock
$13.31
Instal Instr

#NI

All parts Diagram

Instal instr

Part #1094242
This item is not returnable
In Stock
$3.49
Furnace Blower Fan Motor Mounting Kit#19

Functional replacement parts Diagram

In Stock
$75.53
Angle

#NI

All parts Diagram

Angle

Part #1094162
In Stock
$12.99
Furnace Blower Fan Wheel#25

Functional replacement parts Diagram

In Stock
$114.19 | 
8% OFF 
Phone Price: $124.19
Control Housing#7

Functional replacement parts Diagram

Control housing

Part #1057787
In Stock
$17.87
Plate#26

Functional replacement parts Diagram

Plate

Part #1094180
This item is not returnable
In Stock
$5.99
Drain Pan#15

Functional replacement parts Diagram

Drain pan

Part #1095279
In Stock
$656.05
Cap Rnrd#18

Functional replacement parts Diagram

Cap rnrd

Part #1094240

The manufacturer no longer makes this part, and there's no substitute part

Adapter#6

Functional replacement parts Diagram

Flow adapter

Part #1055498
Replaced by #1055240
?
Manufacturer substitution
This part replaces 1055498. Substitute parts can look different from the original.
In Stock
$17.32

Articles and videos common to all air handlers

August 5, 2022

Introducing new technical repair content that we’re developing for the Sears Technical Institute

By Lyle Weischwill

Learn about Sears Technical Institute and the advanced technical content being developed for aspiring appliance techs.