Armstrong
Central Air Conditioner

Model #PWC18E7.2-1 Official Armstrong heat pump

Here are the diagrams and repair parts for Armstrong PWC18E72-1 heat pump, as well as links to manuals and error code tables, if available.

There are a couple of ways to find the part or diagram you need:

  • Click a diagram to see the parts shown on that diagram.
  • In the search box below, enter all or part of the part number or the part’s name.

Not all parts are shown on the diagrams—those parts are labeled NI, for “not illustrated”.

We encourage you to save the model to your profile, so it’s easy to access parts and manuals for your appliance whenever you log in.

For DIY troubleshooting advice and repair guides, visit our repair help section.

Owner’s manual

Showing 10 of 34 parts

Valve&tube#324

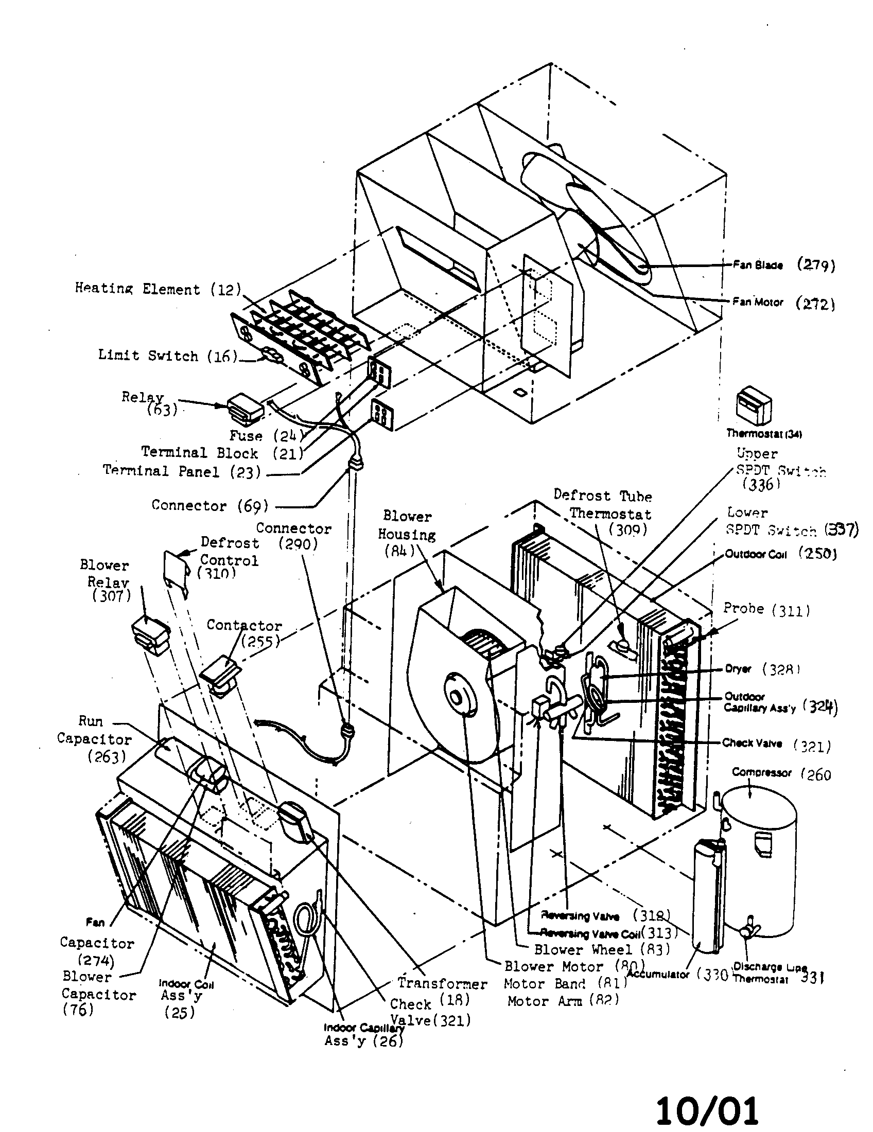
Thru the wall heat pump Diagram

Valve&tube

Part #34249C1

The manufacturer no longer makes this part, and there's no substitute part

Coil-indoor#25

Thru the wall heat pump Diagram

Coil-indoor

Part #33972D1

The manufacturer no longer makes this part, and there's no substitute part

Relay Hw#63

Thru the wall heat pump Diagram

Relay hw

Part #7489B6

The manufacturer no longer makes this part, and there's no substitute part

SWITCH SPOT -FAN SPEED CONTROL#337

Thru the wall heat pump Diagram

Switch spot -fan speed control

Part #8651B1

The manufacturer no longer makes this part, and there's no substitute part

Relay#307

Thru the wall heat pump Diagram

Relay

Part #7489B2

The manufacturer no longer makes this part, and there's no substitute part

Blowerwheel#83

Thru the wall heat pump Diagram

Blowerwheel

Part #3929B1

The manufacturer no longer makes this part, and there's no substitute part

Capacitor#274

Thru the wall heat pump Diagram

Capacitor

Part #34000D4

The manufacturer no longer makes this part, and there's no substitute part

Capcitor#76

Thru the wall heat pump Diagram

Capcitor

Part #34000D1

The manufacturer no longer makes this part, and there's no substitute part

SWITCH SPOT -FAN SPEED CONTROL#336

Thru the wall heat pump Diagram

Switch spot -fan speed control

Part #8624B1

The manufacturer no longer makes this part, and there's no substitute part

HEAT ELEMENT(PWC18E9,2-1)#12

Thru the wall heat pump Diagram

Heat element(pwc18e9,2-1)

Part #32554B2

The manufacturer no longer makes this part, and there's no substitute part

Articles and videos common to all central air conditioners

November 30, 2022

2023 HVAC regulation changes and how they may affect you

By Lyle Weischwill

Find out how new DOE standards going into effect in 2023 can affect you and what you need to do.

October 24, 2022

Easy DIY appliance repairs that anyone can do

By Lyle Weischwill

Get advice on simple DIY fixes for appliances that you can safely do on your own.

August 5, 2022

Introducing new technical repair content that we’re developing for the Sears Technical Institute

By Lyle Weischwill

Learn about Sears Technical Institute and the advanced technical content being developed for aspiring appliance techs.