Sony
Digital Camcorder

Model #DCR-SX41R Official Sony digital camcorder

Here are the diagrams and repair parts for Sony DCR-SX41R digital camcorder, as well as links to manuals and error code tables, if available.

There are a couple of ways to find the part or diagram you need:

  • Click a diagram to see the parts shown on that diagram.
  • In the search box below, enter all or part of the part number or the part’s name.

Not all parts are shown on the diagrams—those parts are labeled NI, for “not illustrated”.

We encourage you to save the model to your profile, so it’s easy to access parts and manuals for your appliance whenever you log in.

For DIY troubleshooting advice and repair guides, visit our repair help section.

Showing 10 of 62 parts

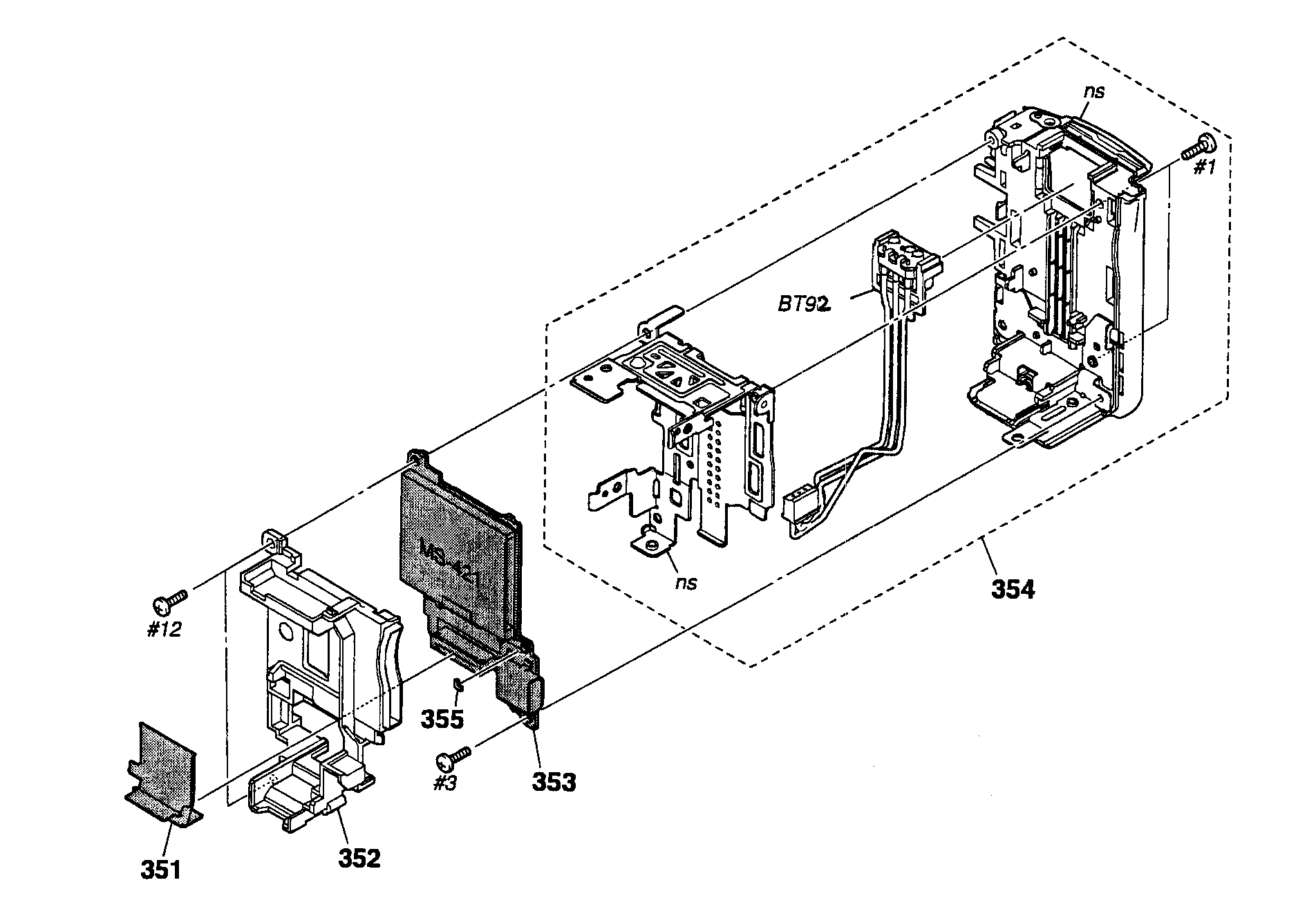
Loud Speak#SP91

Right cabinet 1 Diagram

Loud speak

Part #182526251

The manufacturer no longer makes this part, and there's no substitute part

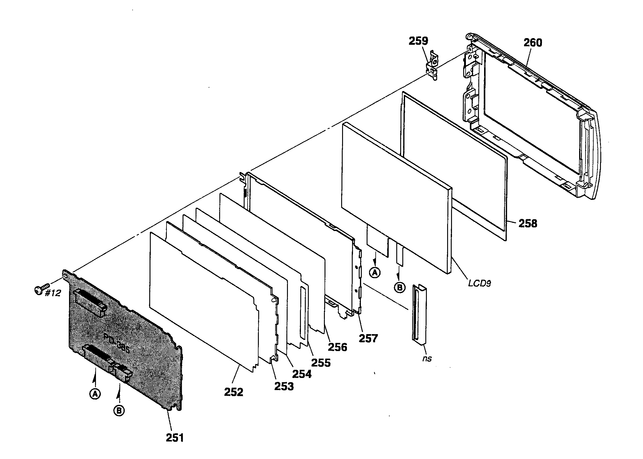
Prism Sheet#255

Lcd assy Diagram

Prism sheet

Part #269451301

The manufacturer no longer makes this part, and there's no substitute part

Prism Sheet#256

Lcd assy Diagram

Prism sheet

Part #269451201

The manufacturer no longer makes this part, and there's no substitute part

Screw

See All Related Diagrams

Screw

Part #307889011

The manufacturer no longer makes this part, and there's no substitute part

Tp Block#LCD9

Lcd assy Diagram

Tp block

Part #A1363617A

The manufacturer no longer makes this part, and there's no substitute part

Connector#NI

Bottom cabinet Diagram

Connector

Part #181806961

The manufacturer no longer makes this part, and there's no substitute part

Screw

See All Related Diagrams

Screw

Part #263556231

The manufacturer no longer makes this part, and there's no substitute part

Frame#257

Lcd assy Diagram

Frame

Part #269451601

The manufacturer no longer makes this part, and there's no substitute part

Battery,li#BT91

Right cabinet 1 Diagram

Battery,li

Part #175613412

The manufacturer no longer makes this part, and there's no substitute part

Cable Audio Video#NI

Bottom cabinet Diagram

Cable audio video

Part #182315651

The manufacturer no longer makes this part, and there's no substitute part