Craftsman
Wet/Dry Vacuum

Model #113177035 Official Craftsman wet/dry vacuum

Here are the diagrams and repair parts for Craftsman 113177035 wet/dry vacuum, as well as links to manuals and error code tables, if available.

There are a couple of ways to find the part or diagram you need:

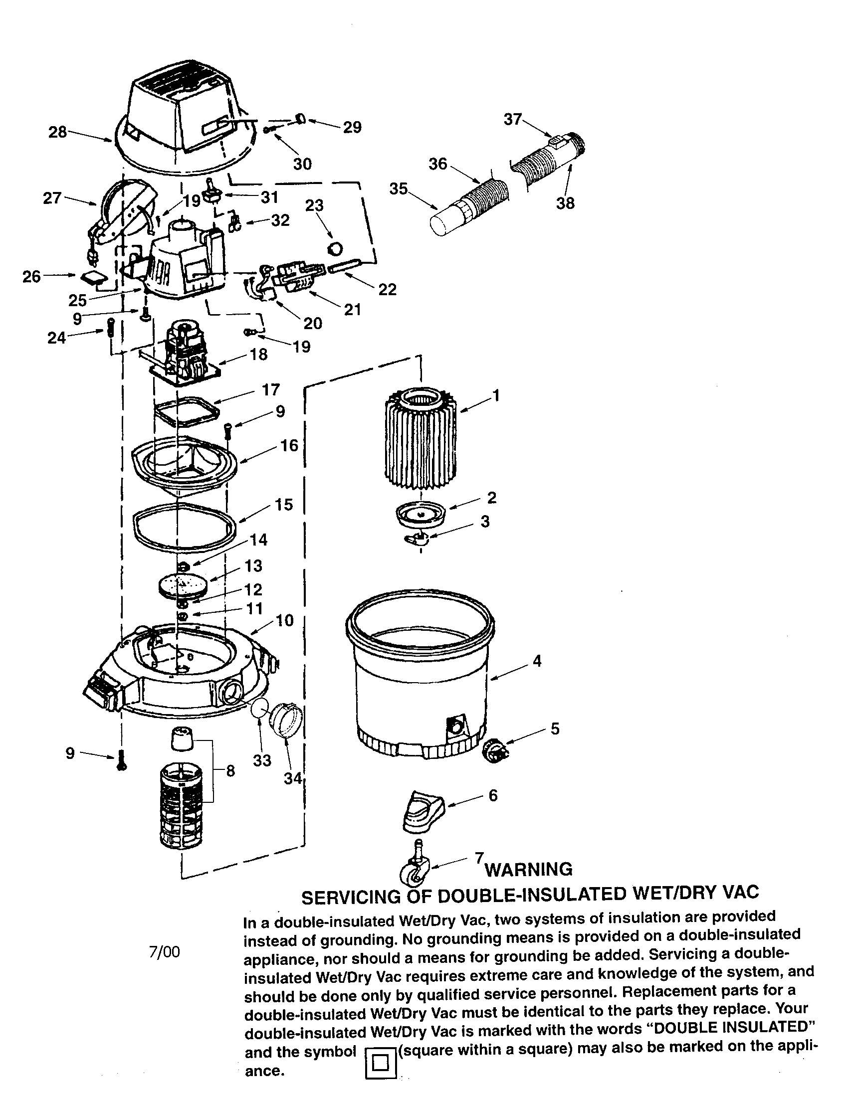
  • Click a diagram to see the parts shown on that diagram.
  • In the search box below, enter all or part of the part number or the part’s name.

Not all parts are shown on the diagrams—those parts are labeled NI, for “not illustrated”.

We encourage you to save the model to your profile, so it’s easy to access parts and manuals for your appliance whenever you log in.

For DIY troubleshooting advice and repair guides, visit our repair help section.

Owner’s manual

Showing 10 of 40 parts

Filter#1

16 gallon wet/dry vac Diagram

Filter

Part #9-17816

The manufacturer no longer makes this part, and there's no substitute part

Shop Vacuum Caster#7

16 gallon wet/dry vac Diagram

Shop vacuum caster

Part #73102

The manufacturer no longer makes this part, and there's no substitute part

Shop Vacuum Drain Cap#5

16 gallon wet/dry vac Diagram

Shop vacuum drain cap

Part #73185

The manufacturer no longer makes this part, and there's no substitute part

Motor Cap#25

16 gallon wet/dry vac Diagram

Motor cap

Part #819324

The manufacturer no longer makes this part, and there's no substitute part

Shop Vacuum Washer#12

16 gallon wet/dry vac Diagram

Shop vacuum washer

Part #15534-1

The manufacturer no longer makes this part, and there's no substitute part

Shop Vacuum Hose Adapter#35

16 gallon wet/dry vac Diagram

Shop vacuum hose adapter

Part #815096

The manufacturer no longer makes this part, and there's no substitute part

Shop Vacuum On/Off Switch#31

16 gallon wet/dry vac Diagram

Shop vacuum on/off switch

Part #73319

The manufacturer no longer makes this part, and there's no substitute part

Shop Vacuum Blower Wheel Spacer#14

16 gallon wet/dry vac Diagram

Shop vacuum blower wheel spacer

Part #818961

The manufacturer no longer makes this part, and there's no substitute part

Shop Vacuum Hose End Interlock#38

16 gallon wet/dry vac Diagram

Shop vacuum hose end interlock

Part #826354

The manufacturer no longer makes this part, and there's no substitute part

Shop Vacuum Hose End Interlock Latch#37

16 gallon wet/dry vac Diagram

Shop vacuum hose end interlock latch

Part #826355-1

The manufacturer no longer makes this part, and there's no substitute part

Symptoms common to all vacuum cleaners

Choose a symptom to see related vacuum cleaner repairs.

Main causes: damaged vacuum hose, clogged motor air filter, bad suction motor
Main causes: broken drive belt, damaged brush roll, tripped brush roll motor overload, bad brush roll motor, wiring failure
Main causes: lack of power, bad power cord, drive motor failure, wiring failure
Main causes: weak suction motor, vacuum bag is full, clog in suction air path, dirty exhaust filter, leaky vacuum hose

Articles and videos common to all vacuum cleaners

Use the advice and tips in these articles and videos to get the most out of your vacuum.

January 5, 2015

10 must-have tools for appliance repair

By Lyle Weischwill

Come see which tools made our top 10 must-haves for DIY appliance repair.

December 18, 2014

Deciding between a canister or upright vacuum

By Lyle Weischwill

Undecided about canister or upright? We compare them.

July 1, 2013

Vacuum common questions

By Lyle Weischwill

Find the answers to frequently asked questions about vacuum cleaners.