Sony
8mm Camcorder

Model #CCD-TRV99 Official Sony 8mm camcorder

Here are the diagrams and repair parts for Sony CCD-TRV99 8mm camcorder, as well as links to manuals and error code tables, if available.

There are a couple of ways to find the part or diagram you need:

  • Click a diagram to see the parts shown on that diagram.
  • In the search box below, enter all or part of the part number or the part’s name.

Not all parts are shown on the diagrams—those parts are labeled NI, for “not illustrated”.

We encourage you to save the model to your profile, so it’s easy to access parts and manuals for your appliance whenever you log in.

For DIY troubleshooting advice and repair guides, visit our repair help section.

Owner’s manual

Showing 10 of 122 parts

AC Adapter#NI

Cabinet parts l Diagram

Ac adapter

Part #147559956

The manufacturer no longer makes this part, and there's no substitute part

Transformer#NI

Cabinet parts l Diagram

Transformer

Part #142684931

The manufacturer no longer makes this part, and there's no substitute part

Ic S579213#NI

Cabinet parts l Diagram

Ic s579213

Part #875952799

The manufacturer no longer makes this part, and there's no substitute part

Fuse#NI

Cabinet parts l Diagram

Fuse

Part #153387411

The manufacturer no longer makes this part, and there's no substitute part

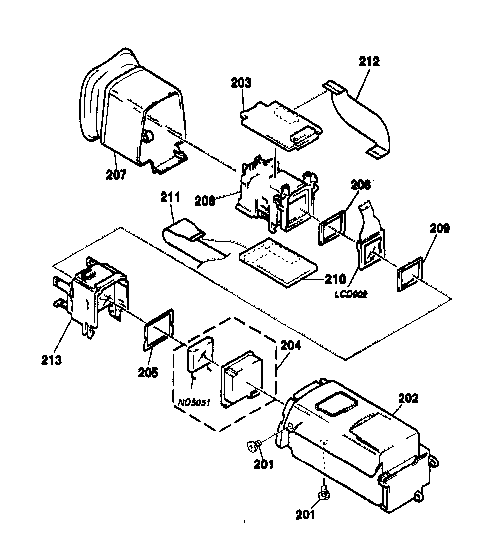
Printed C.#212

Evf assy Diagram

Printed c.

Part #166514911

The manufacturer no longer makes this part, and there's no substitute part

AC Cord#NI

Cabinet parts l Diagram

Ac cord

Part #179010722

The manufacturer no longer makes this part, and there's no substitute part

Camcorder Receiver#NI

Cabinet parts l Diagram

Camcorder receiver

Part #875949852

The manufacturer no longer makes this part, and there's no substitute part

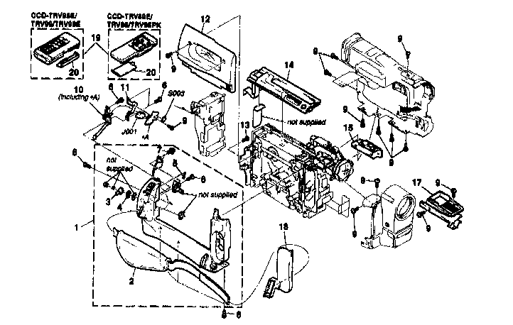
Cabinet (s#17

Cabinet parts l Diagram

Cabinet (s

Part #398872501

The manufacturer no longer makes this part, and there's no substitute part

Ic S-8423y#NI

Cabinet parts l Diagram

Ic s-8423y

Part #875942479

The manufacturer no longer makes this part, and there's no substitute part

Microphone#NI

Front panel assy Diagram

Microphone

Part #154231211

The manufacturer no longer makes this part, and there's no substitute part