Maytag
Dryer

Model #LDE8000ACL Official Maytag washer/dryer

Here are the diagrams and repair parts for Maytag LDE8000ACL washer/dryer, as well as links to manuals and error code tables, if available.

There are a couple of ways to find the part or diagram you need:

  • Click a diagram to see the parts shown on that diagram.
  • In the search box below, enter all or part of the part number or the part’s name.

Not all parts are shown on the diagrams—those parts are labeled NI, for “not illustrated”.

We encourage you to save the model to your profile, so it’s easy to access parts and manuals for your appliance whenever you log in.

For DIY troubleshooting advice and repair guides, visit our repair help section.

Showing 10 of 170 parts

Dryer Drum Support Roller (replaces W10116741, Y303373)#21

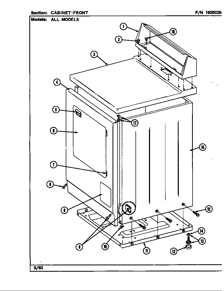
Tumbler Diagram

Roller w/bea

Part #303373
Replaced by #12001541
?
Manufacturer substitution
This part replaces 303373. Substitute parts can look different from the original.
BEST SELLER
In Stock
$17.34 | 
41% OFF 
MSRP: $29.27
Dryer Drum Belt

See All Related Diagrams

Dryer drum belt

Part #312959
Replaced by #WPY312959
?
Manufacturer substitution
This part replaces 312959. Substitute parts can look different from the original.
BEST SELLER
In Stock
$28.33 | 
15% OFF 
Phone Price: $33.33
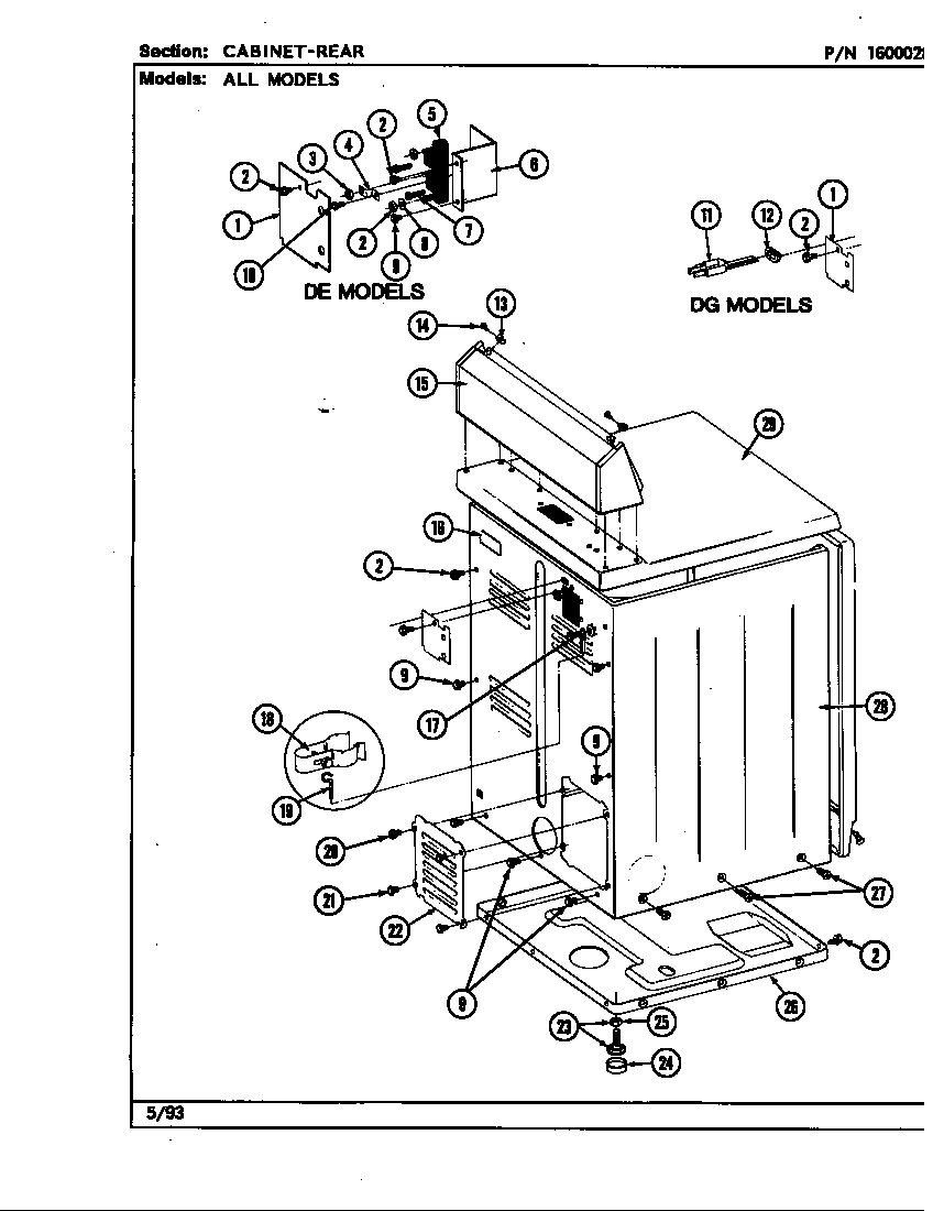
Refrigerator Screw#10

Cabinet-rear Diagram

Screw, #10-3

Part #311423
Replaced by #WP489483
?
Manufacturer substitution
This part replaces 311423. Substitute parts can look different from the original.
BEST SELLER
This item is not returnable
In Stock
$7.99 | 
11% OFF 
Phone Price: $8.99
Dryer Drum Bearing Kit (replaces 312940, 312941)#28

Tumbler Diagram

Back Order
$14.78 | 
30% OFF 
MSRP: $21.17
Dryer Blower Wheel#5

Motor drive Diagram

Impeller

Part #303836
Replaced by #Y303836
?
Manufacturer substitution
This part replaces 303836. Substitute parts can look different from the original.
BEST SELLER
In Stock
$22.39 | 
18% OFF 
Phone Price: $27.39
Dryer Lint Screen#2

Tumbler Diagram

Lint filter

Part #307107
Replaced by #WP33002970
?
Manufacturer substitution
This part replaces 307107. Substitute parts can look different from the original.
BEST SELLER
In Stock
$13.19 | 
13% OFF 
Phone Price: $15.19
Dryer Door Switch#10

Door Diagram

Door switch

Part #305753
Replaced by #W10169313
?
Manufacturer substitution
This part replaces 305753. Substitute parts can look different from the original.
BEST SELLER
In Stock
$16.28 | 
11% OFF 
Phone Price: $18.28
Washer Screw

See All Related Diagrams

Washer screw

Part #211294
Replaced by #WP90767
?
Manufacturer substitution
This part replaces 211294. Substitute parts can look different from the original.
This item is not returnable
In Stock
$4.37 | 
19% OFF 
Phone Price: $5.37
Washer Screw

See All Related Diagrams

Screw

Part #313559
Replaced by #WP90767
?
Manufacturer substitution
This part replaces 313559. Substitute parts can look different from the original.
This item is not returnable
In Stock
$4.37 | 
19% OFF 
Phone Price: $5.37
Dryer Blower Wheel Clamp#4

Motor drive Diagram

Blower wheel clamp

Part #312967
Replaced by #WP312967
?
Manufacturer substitution
This part replaces 312967. Substitute parts can look different from the original.
In Stock
$8.39 | 
11% OFF 
Phone Price: $9.39

Symptoms common to all dryers

Choose a symptom to see related dryer repairs.

Main causes: bad drum support roller, damaged idler pulley, broken blower fan blade, worn drum glide bearing, bad drive motor
Main causes: bad gas valve coils, broken heating element, tripped safety thermostat or fuse, bad operating thermostat, control failure
Main causes: bad timer or electronic control board, door switch failure
Main causes: lack of electrical power, bad power cord, wiring failure, bad control board, blown thermal fuse, bad door switch
Main causes: clogged exhaust vent, bad motor relay, loose dryer door catch, bad door switch, control system failure, faulty drive motor
Main causes: damaged door strike, worn door catch
Main causes: door switch failure, lack of power, broken belt, blown thermal fuse, bad drive motor, control system failure
Main causes: clogged exhaust system, heating system failure, deposits on moisture sensor, control system failure

Repair guides common to all dryers

These step-by-step repair guides will help you safely fix what’s broken on your dryer.

August 1, 2014
By Lyle Weischwill
How to replace a dryer drum support roller

If your dryer thumps or squeals, replace the drum support roller to restore quiet to your home.

Repair difficulty
Time required
 90 minutes or less
August 1, 2014
By Lyle Weischwill
How to replace a dryer thermistor

The thermistor senses the air temperature in the dryer. If your dryer overheats or doesn't heat at all, the thermistor could be the problem.

Repair difficulty
Time required
 30 minutes or less
August 1, 2014
By Lyle Weischwill
How to replace a dryer idler pulley

The idler pulley exerts pressure keeps the drive belt tight so it can rotate the drum. A worn idler pulley squeals or squeaks when the dryer is running. Follow these instructions to replace it.

Repair difficulty
Time required
 90 minutes or less

Articles and videos common to all dryers

Use the advice and tips in these articles and videos to get the most out of your dryer.

October 24, 2022

Easy DIY appliance repairs that anyone can do

By Lyle Weischwill

Get advice on simple DIY fixes for appliances that you can safely do on your own.

August 5, 2022

Introducing new technical repair content that we’re developing for the Sears Technical Institute

By Lyle Weischwill

Learn about Sears Technical Institute and the advanced technical content being developed for aspiring appliance techs.

January 4, 2022

How to replace a Maytag dryer heating element

By Lyle Weischwill

Learn how to replace a Maytag dryer heating element