Kenmore
Canister Vacuum

Model #1162845083 Official Kenmore vacuum cleaner

Here are the diagrams and repair parts for Kenmore 1162845083 vacuum cleaner, as well as links to manuals and error code tables, if available.

There are a couple of ways to find the part or diagram you need:

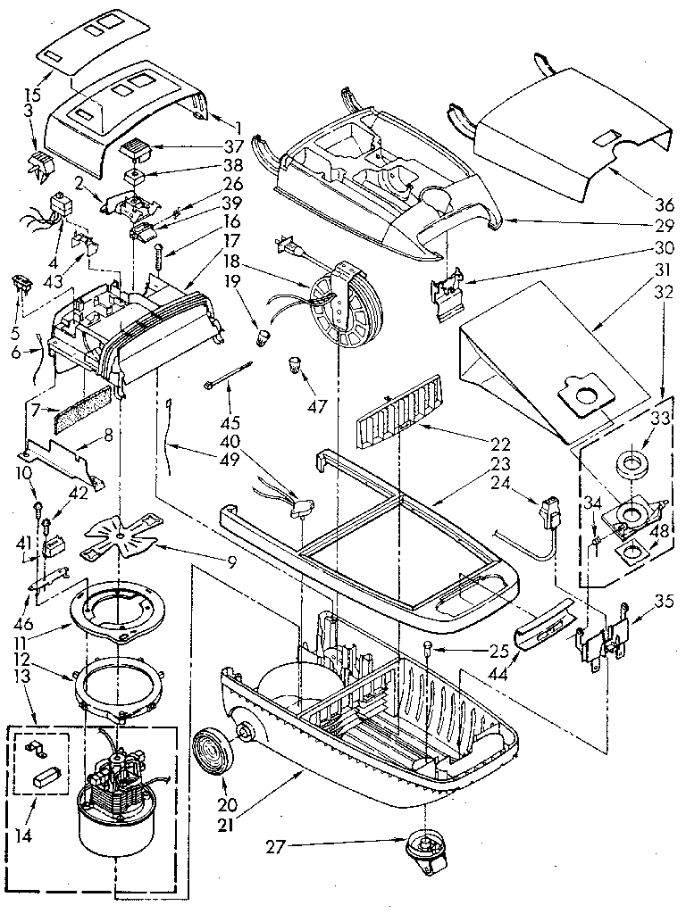
  • Click a diagram to see the parts shown on that diagram.
  • In the search box below, enter all or part of the part number or the part’s name.

Not all parts are shown on the diagrams—those parts are labeled NI, for “not illustrated”.

We encourage you to save the model to your profile, so it’s easy to access parts and manuals for your appliance whenever you log in.

For DIY troubleshooting advice and repair guides, visit our repair help section.

    Showing 10 of 69 parts

    Vacuum Motor Safety Filter#22

    Base assembly Diagram

    Filtr-sfty

    Part #4152969
    Replaced by #KS4152969
    ?
    Manufacturer substitution
    This part replaces 4152969. Substitute parts can look different from the original.
    BEST SELLER

    Get free shipping with Automatic Reorder

    Back Order
    $16.19 | 
    11% OFF 
    Phone Price: $18.19
    Vacuum Upholstery Nozzle#17

    Hose and attachment Diagram

    Upholstery brush

    Part #4147115
    Replaced by #52651
    ?
    Manufacturer substitution
    This part replaces 4147115. Substitute parts can look different from the original.
    BEST SELLER
    This item is not returnable
    In Stock
    $17.99 | 
    10% OFF 
    Phone Price: $19.99
    Vacuum Bag Mount Assembly#32

    Base assembly Diagram

    Mounting bag

    Part #4152984
    Replaced by #4369956
    ?
    Manufacturer substitution
    This part replaces 4152984. Substitute parts can look different from the original.
    This item is not returnable
    In Stock
    $4.39 | 
    19% OFF 
    Phone Price: $5.39
    Vacuum Twist-On Wire Connector#19

    Base assembly Diagram

    Nut

    Part #596564
    Replaced by #KS4154460
    ?
    Manufacturer substitution
    This part replaces 596564. Substitute parts can look different from the original.
    This item is not returnable
    In Stock
    $2.49
    Vacuum Hose#1

    Hose and attachment Diagram

    Hose

    Part #4152649
    Replaced by #4369467
    ?
    Manufacturer substitution
    This part replaces 4152649. Substitute parts can look different from the original.
    In Stock
    $40.99 | 
    11% OFF 
    Phone Price: $45.99
    Vacuum Twist-On Wire Connector#47

    Base assembly Diagram

    Connector

    Part #4151708
    Replaced by #KS4154460
    ?
    Manufacturer substitution
    This part replaces 4151708. Substitute parts can look different from the original.
    This item is not returnable
    In Stock
    $2.49
    Appliance Cable Tie#45

    Base assembly Diagram

    Cable tie

    Part #596702
    Replaced by #WPW10339879
    ?
    Manufacturer substitution
    This part replaces 596702. Substitute parts can look different from the original.
    This item is not returnable
    In Stock
    $3.09 | 
    28% OFF 
    MSRP: $4.30
    Screw#42

    Base assembly Diagram

    Screw

    Part #681699

    The manufacturer no longer makes this part, and there's no substitute part

    Lead Wire#49

    Base assembly Diagram

    Lead wire

    Part #4148614

    The manufacturer no longer makes this part, and there's no substitute part

    Lead Wire#6

    Base assembly Diagram

    Lead wire

    Part #4152744

    The manufacturer no longer makes this part, and there's no substitute part

    Symptoms common to all vacuum cleaners

    Choose a symptom to see related vacuum cleaner repairs.

    Main causes: damaged vacuum hose, clogged motor air filter, bad suction motor
    Main causes: broken drive belt, damaged brush roll, tripped brush roll motor overload, bad brush roll motor, wiring failure
    Main causes: lack of power, bad power cord, drive motor failure, wiring failure
    Main causes: weak suction motor, vacuum bag is full, clog in suction air path, dirty exhaust filter, leaky vacuum hose

    Repair guides for canister vacuums

    How to replace a vacuum power head ribbed drive belt

    Some canister vacuums have a ribbed drive belt that spins the brush roll on a power brush attachment. If the brush roll slips, you can replace it using these instructions.

    Repair difficulty
    Time required
     30 minutes or less
    July 1, 2013
    By Lyle Weischwill
    How to replace a vacuum suction motor

    The suction motor on a vacuum creates the draw of air at the cleaning head that picks up dirt. If the vacuum won't run, give it a new life by replacing the suction motor. These steps explain how.

    Repair difficulty
    Time required
     15 minutes or less
    July 1, 2013
    By Lyle Weischwill
    How to replace a vacuum beater bar

    Replace the brush roll if the bristles ares worn or the cylinder is damaged.

    Repair difficulty
    Time required
     30 minutes or less

    Articles and videos common to all vacuum cleaners

    Use the advice and tips in these articles and videos to get the most out of your vacuum.

    January 5, 2015

    10 must-have tools for appliance repair

    By Lyle Weischwill

    Come see which tools made our top 10 must-haves for DIY appliance repair.

    December 18, 2014

    Deciding between a canister or upright vacuum

    By Lyle Weischwill

    Undecided about canister or upright? We compare them.

    July 1, 2013

    Vacuum common questions

    By Lyle Weischwill

    Find the answers to frequently asked questions about vacuum cleaners.