Panasonic
Digital Camcorder

Model #PV-GS2P Official Panasonic digital camcorder

Here are the diagrams and repair parts for Panasonic PV-GS2P digital camcorder, as well as links to manuals and error code tables, if available.

There are a couple of ways to find the part or diagram you need:

  • Click a diagram to see the parts shown on that diagram.
  • In the search box below, enter all or part of the part number or the part’s name.

Not all parts are shown on the diagrams—those parts are labeled NI, for “not illustrated”.

We encourage you to save the model to your profile, so it’s easy to access parts and manuals for your appliance whenever you log in.

For DIY troubleshooting advice and repair guides, visit our repair help section.

Showing 10 of 65 parts

Evf Case#21

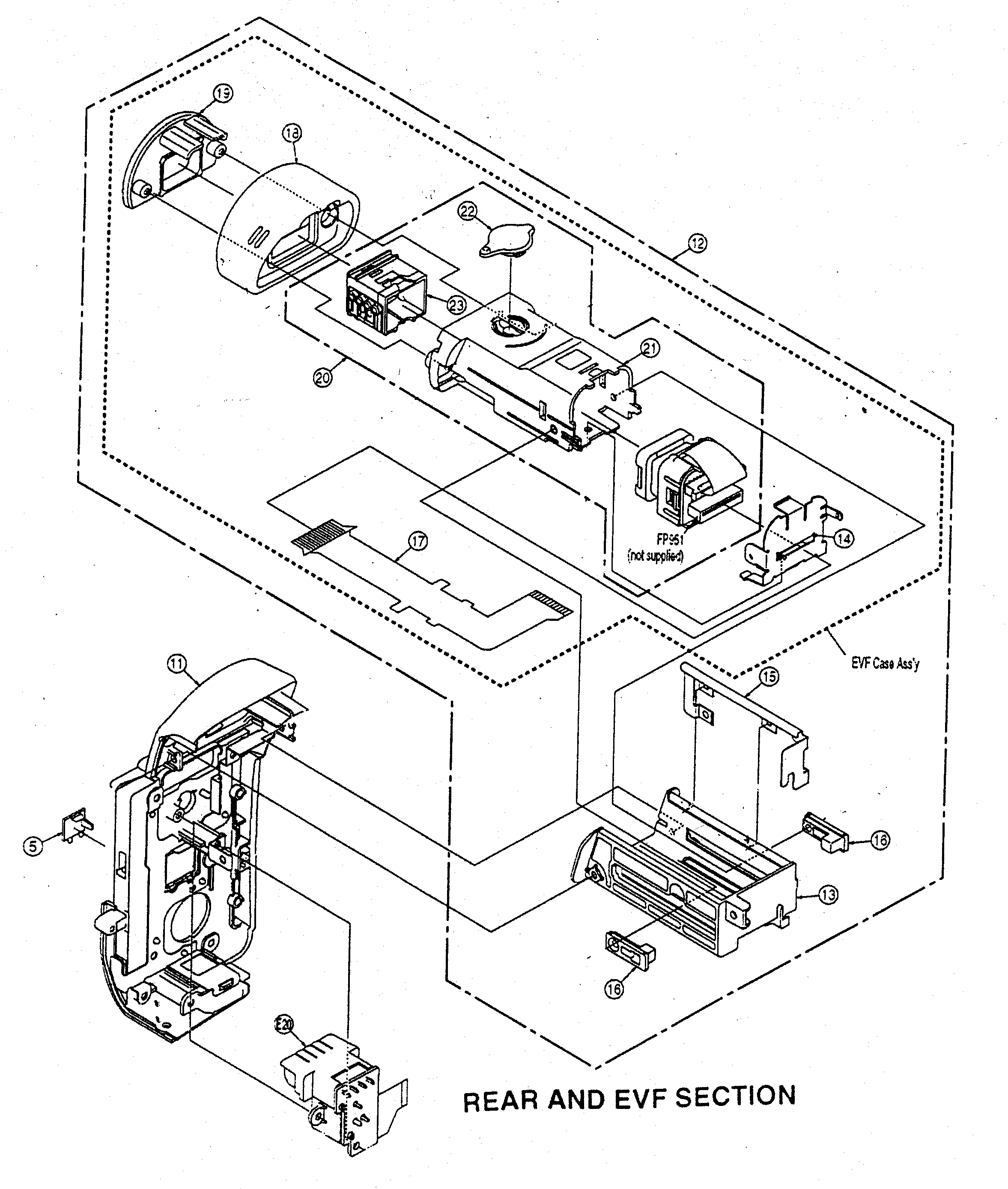
Rear/evf Diagram

Evf case

Part #LSKM1024

The manufacturer no longer makes this part, and there's no substitute part

Bef Sheet#40

Side case r/lcd Diagram

Bef sheet

Part #LSGL0406

The manufacturer no longer makes this part, and there's no substitute part

Chip Fuse#NI

Main parts Diagram

Chip fuse

Part #K5H2022A0008

The manufacturer no longer makes this part, and there's no substitute part

A/V Cable#NI

Main parts Diagram

A/v cable

Part #K2KC4CB00014

The manufacturer no longer makes this part, and there's no substitute part

Diffusion Sheet#38

Side case r/lcd Diagram

Diffusion sheet

Part #LSGL0404

The manufacturer no longer makes this part, and there's no substitute part

Eye View Finder Spring#14

Rear/evf Diagram

Eye view finder spring

Part #LSMA0721

The manufacturer no longer makes this part, and there's no substitute part

Integrated Circuit#NI

Main parts Diagram

Integrated circuit

Part #C3EBGG000013

The manufacturer no longer makes this part, and there's no substitute part

Microphone Damper#702

Front case Diagram

Microphone damper

Part #LSMG0136

The manufacturer no longer makes this part, and there's no substitute part

Absorber#NI

Main parts Diagram

Absorber

Part #D4ED1120A005

The manufacturer no longer makes this part, and there's no substitute part

Integrated Circuit#NI

Main parts Diagram

Integrated circuit

Part #C3EBGG000016

The manufacturer no longer makes this part, and there's no substitute part