Walton
Treadmill

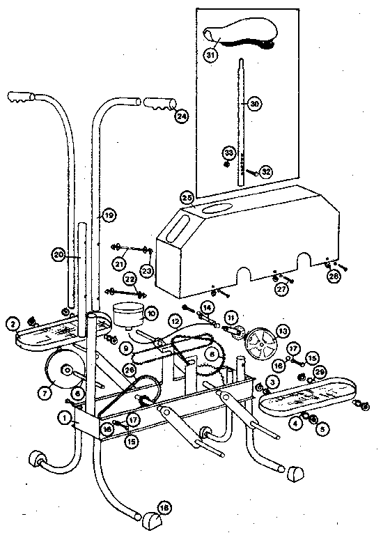
Model #617 CARROUSEI JOGGER Official Walton jogger treadmill

Here are the diagrams and repair parts for Walton 617-CARROUSEI-JOGGER jogger treadmill, as well as links to manuals and error code tables, if available.

There are a couple of ways to find the part or diagram you need:

  • Click a diagram to see the parts shown on that diagram.
  • In the search box below, enter all or part of the part number or the part’s name.

Not all parts are shown on the diagrams—those parts are labeled NI, for “not illustrated”.

We encourage you to save the model to your profile, so it’s easy to access parts and manuals for your appliance whenever you log in.

For DIY troubleshooting advice and repair guides, visit our repair help section.

Showing 10 of 33 parts

Flat Washer#22

Unit parts Diagram

Flat washer

Part #1122

The manufacturer no longer makes this part, and there's no substitute part

Bolt#15

Unit parts Diagram

Bolt

Part #1221

The manufacturer no longer makes this part, and there's no substitute part

Lock Nut#33

Unit parts Diagram

Lock nut

Part #1125

The manufacturer no longer makes this part, and there's no substitute part

Screw#32

Unit parts Diagram

Screw

Part #1114

The manufacturer no longer makes this part, and there's no substitute part

Washer/lock#17

Unit parts Diagram

Washer/lock

Part #1213

The manufacturer no longer makes this part, and there's no substitute part

4l320-v-belt#26

Unit parts Diagram

4l320-v-belt

Part #8014

The manufacturer no longer makes this part, and there's no substitute part

Lock Nut#28

Unit parts Diagram

Lock nut

Part #1050

The manufacturer no longer makes this part, and there's no substitute part

3/8 Flt Wshr#16

Unit parts Diagram

3/8 flt wshr

Part #1212

The manufacturer no longer makes this part, and there's no substitute part

10-24x1 Scrw#27

Unit parts Diagram

10-24x1 scrw

Part #1042

The manufacturer no longer makes this part, and there's no substitute part

Frame Assembly#1

Unit parts Diagram

Frame assembly

Part #4500-A/S

The manufacturer no longer makes this part, and there's no substitute part

Symptoms for treadmills

Choose a symptom to see related treadmill repairs.

Main causes: faulty sensors, wiring failure, bad control console
Main causes: no power, bad power cord, tripped or faulty overload switch, bad power switch, wiring failure, bad motor control board
Main causes: missing safety key, bad control console, wiring failure, faulty motor control board, bad drive motor
Main causes: bad control console, wiring failure, bad motor control board
Main causes: damaged walking belt, improper belt tension, lack of belt lubricant, bad drive motor
Main causes: damaged walking belt, improper belt tension, bad roller bearing
Main causes: rear roller out of alignment, damaged walking belt, bad roller

Repair guides for treadmills

These step-by-step repair guides will help you safely fix what’s broken on your treadmill.

June 1, 2015
By Lyle Weischwill
How to replace a treadmill motor controller

Your treadmill motor won't run with a defective motor controller. Replace the motor controller if it doesn't operate the motor correctly.

Repair difficulty
Time required
 15 minutes or less
How to replace a treadmill walking belt

A worn walking belt will begin to slow down during use. If your treadmill walking belt is worn out, replace it using these steps.

Repair difficulty
Time required
 45 minutes or less
June 1, 2015
By Lyle Weischwill
How to replace a treadmill drive motor

A defective drive motor won't run when activated by the motor controller. Replace the treadmill drive motor if it doesn't run.

Repair difficulty
Time required
 15 minutes or less

Articles and videos common to all fitness & exercise

Use the advice and tips in these articles and videos to get the most out of your treadmill.

June 29, 2022

Top questions about Sears and Sears PartsDirect

By Lyle Weischwill

Get answers to frequently asked questions about Sears and Sears PartsDirect.