Kenmore Elite
Electric Range

Model #79097312410 Official Kenmore Elite electric range

Here are the diagrams and repair parts for Kenmore Elite 79097312410 electric range, as well as links to manuals and error code tables, if available.

There are a couple of ways to find the part or diagram you need:

  • Click a diagram to see the parts shown on that diagram.
  • In the search box below, enter all or part of the part number or the part’s name.

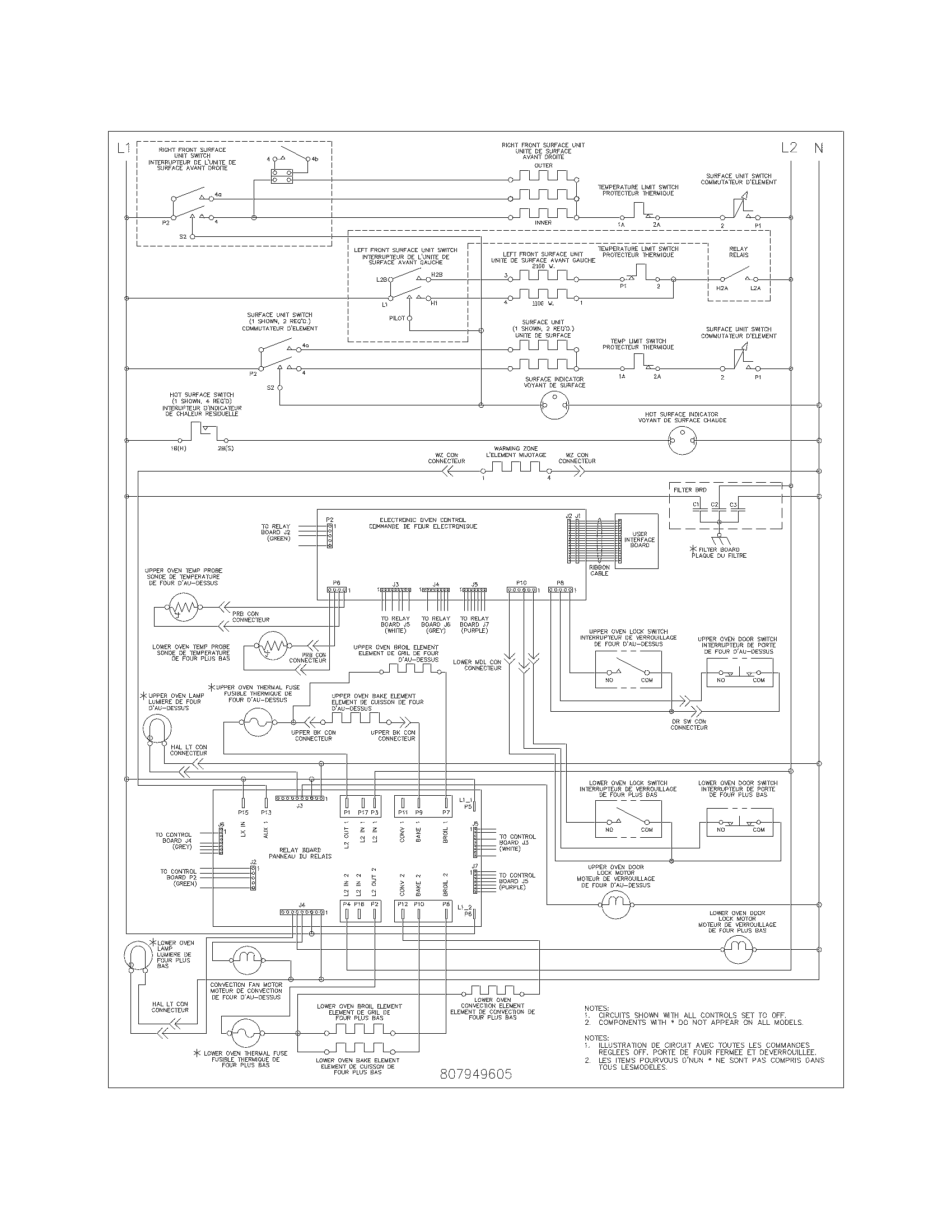
Not all parts are shown on the diagrams—those parts are labeled NI, for “not illustrated”.

We encourage you to save the model to your profile, so it’s easy to access parts and manuals for your appliance whenever you log in.

For DIY troubleshooting advice and repair guides, visit our repair help section.

Showing 10 of 194 parts

Range Surface Element Control Switch (replaces 316238200)#54B

Backguard Diagram

In Stock
$120.15 | 
20% OFF 
MSRP: $150.00
Range Indicator Light Lens (replaces 316437800)#46

Backguard Diagram

In Stock
$11.63 | 
15% OFF 
Phone Price: $13.63
Range Oven Door Inner Glass (replaces 316117502, 316117503)#8

Doors Diagram

Range oven door inner glass

Part #316117502
Replaced by #5304503232
?
Manufacturer substitution
This part replaces 316117502. Substitute parts can look different from the original.
BEST SELLER
In Stock
$65.41 | 
7% OFF 
Phone Price: $70.41
Range Terminal Block#62

Body Diagram

Terminal block

Part #5303935061
Replaced by #5304409888
?
Manufacturer substitution
This part replaces 5303935061. Substitute parts can look different from the original.
BEST SELLER
In Stock
$9.09 | 
10% OFF 
Phone Price: $10.09
Range Bake Element (replaces 318601601, 808650402)#67A

Body Diagram

Oven element

Part #318601601
Replaced by #318601604
?
Manufacturer substitution
This part replaces 318601601. Substitute parts can look different from the original.
BEST SELLER
In Stock
$255.57 | 
$10.00 OFF 
Phone Price: $265.57
Range Radiant Surface Element, 9-in (replaces 316530000)#15C

Main top Diagram

Range radiant surface element

Part #316530000
Replaced by #316530001
?
Manufacturer substitution
This part replaces 316530000. Substitute parts can look different from the original.
BEST SELLER
In Stock
$165.33 | 
6% OFF 
Phone Price: $175.33
Range Oven Door Outer Glass (replaces 316446400)#16

Doors Diagram

Range oven door outer glass

Part #316446400
Replaced by #316446401
?
Manufacturer substitution
This part replaces 316446400. Substitute parts can look different from the original.
BEST SELLER
In Stock
$35.11 | 
20% OFF 
Was: $43.89
Range Surface Element Control Switch#54A

Backguard Diagram

Range surface element control switch

Part #316305100
BEST SELLER
In Stock
$187.40 | 
5% OFF 
Phone Price: $197.40
Range Screw (replaces 316021105, 316021110, 316021112, 5303288571, 7316021109)
In Stock
$14.89 | 
12% OFF 
Phone Price: $16.89
Range Screw (replaces 316021105, 316021110, 316021112, 5303288571, 7316021109)

See All Related Diagrams

Range screw

Part #316021110
Replaced by #316021109
?
Manufacturer substitution
This part replaces 316021110. Substitute parts can look different from the original.
BEST SELLER
In Stock
$14.89 | 
12% OFF 
Phone Price: $16.89

Symptoms common to all ranges

Choose a symptom to see related range repairs.

Main causes: food splatters, spilling food on the oven door, allowing liquid to drip through oven door vent when cleaning the door
Main causes: power supply failure, blown thermal fuse, bad relay control board, damaged terminal block, wiring failure
Main causes: broken oven door lock assembly, wiring failure, electronic control board problem
Main causes: faulty temperature sensor, electronic control board problem, control thermostat failure, weak burner igniter, oven door problem
Main causes: broken broiler element, weak or broken broil burner igniter, control system failure, faulty temperature sensor, wiring failure
Main causes: power supply problem, control thermostat or electronic control board failure, broken element, bad burner igniter
Main causes: bad bake element, broken burner igniter, control system failure, blown thermal fuse, faulty temperature sensor, wiring failure

Repair guides common to all ranges

These step-by-step repair guides will help you safely fix what’s broken on your range.

July 20, 2018
Lyle Weischwill
How to replace a range oven door switch

The oven door switch detects whether the oven door is closed and helps control the oven light. Replace the switch if it doesn’t control the oven light properly.

Repair difficulty
Time required
 30 minutes or less
February 20, 2015
Lyle Weischwill
How to replace a range oven door lock assembly

Oven door not locking? You can replace the lock assembly in less than 30 minutes. Here's how.

Repair difficulty
Time required
 15 minutes or less

Articles and videos common to all ranges

Use the advice and tips in these articles and videos to get the most out of your range.

December 27, 2021

How does a self-cleaning oven work?

Lyle Weischwill

Learn how the self-clean cycle works in an oven.

October 1, 2019

Coil surface element on range not heating video

Lyle Weischwill

Learn how to troubleshoot a coil surface element on your stove that won't heat.

May 23, 2018

F90 error code troubleshooting for ranges video

Wayne Archer

Troubleshoot the door lock system to find and fix the problem.