Kenmore
Tools & Attachment

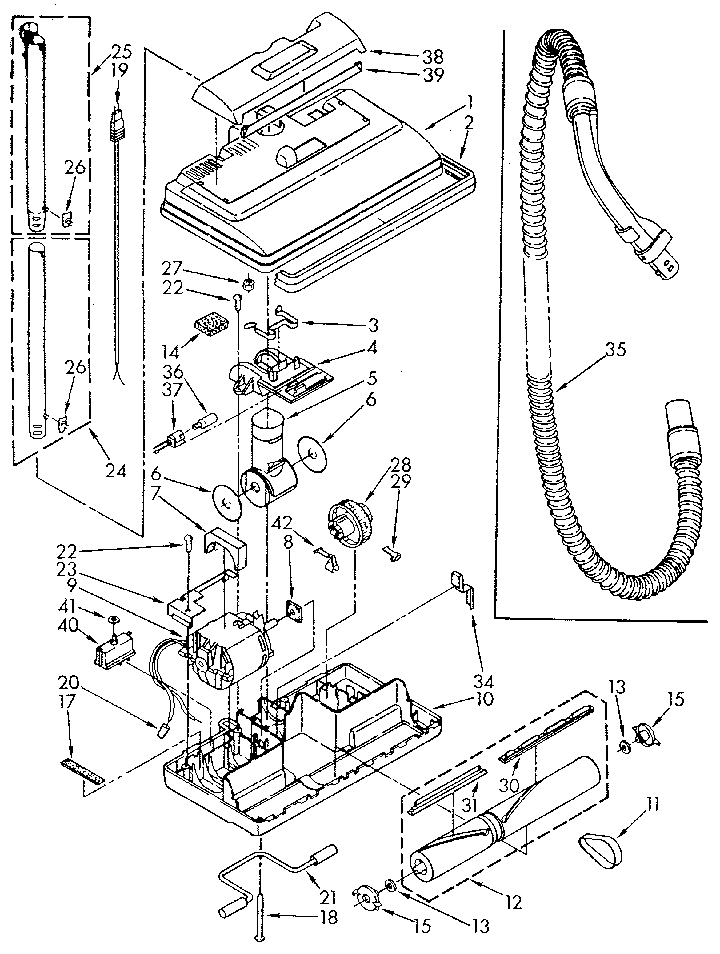
Model #1165413480C Official Kenmore powermate attachment

Here are the diagrams and repair parts for Kenmore 1165413480C powermate attachment, as well as links to manuals and error code tables, if available.

There are a couple of ways to find the part or diagram you need:

  • Click a diagram to see the parts shown on that diagram.
  • In the search box below, enter all or part of the part number or the part’s name.

Not all parts are shown on the diagrams—those parts are labeled NI, for “not illustrated”.

We encourage you to save the model to your profile, so it’s easy to access parts and manuals for your appliance whenever you log in.

For DIY troubleshooting advice and repair guides, visit our repair help section.

Showing 10 of 42 parts

Screw#22

Power mate Diagram

Screw

Part #681297

The manufacturer no longer makes this part, and there's no substitute part

Gasket#41

Power mate Diagram

Gasket

Part #742968
This item is not returnable
In Stock
$2.49
Yoke Bearing Seal#6

Power mate Diagram

Yoke bearing seal

Part #741423
This item is not returnable
In Stock
$2.49
Vacuum Beater Bar Belt#11

Power mate Diagram

Vacuum beater bar belt

Part #742664
Replaced by #KS742664
?
Manufacturer substitution
This part replaces 742664. Substitute parts can look different from the original.
This item is not returnable
Back Order
$3.49 | 
22% OFF 
Phone Price: $4.49
Vacuum Axle Lifter#42

Power mate Diagram

Lifter

Part #742013
Replaced by #4370726
?
Manufacturer substitution
This part replaces 742013. Substitute parts can look different from the original.
This item is not returnable
In Stock
$14.39 | 
12% OFF 
Phone Price: $16.39
Vacuum Twist-On Wire Connector#20

Power mate Diagram

Nut

Part #596564
Replaced by #KS4154460
?
Manufacturer substitution
This part replaces 596564. Substitute parts can look different from the original.
This item is not returnable
In Stock
$2.49
Bumper#2

Power mate Diagram

Bumper

Part #4147432

The manufacturer no longer makes this part, and there's no substitute part

Washer, 12 X 5#13

Power mate Diagram

Washer, 12 x 5

Part #681424

The manufacturer no longer makes this part, and there's no substitute part

Brush#31

Power mate Diagram

Brush

Part #742934

The manufacturer no longer makes this part, and there's no substitute part

Wand#24

Power mate Diagram

Wand

Part #742489

The manufacturer no longer makes this part, and there's no substitute part