McCulloch
Electric Chainsaw

Model #ELECTRAMAC 16ES 11400102-08 Official McCulloch electric chainsaw

Here are the diagrams and repair parts for McCulloch ELECTRAMAC-16ES-11400102-08 electric chainsaw, as well as links to manuals and error code tables, if available.

There are a couple of ways to find the part or diagram you need:

  • Click a diagram to see the parts shown on that diagram.
  • In the search box below, enter all or part of the part number or the part’s name.

Not all parts are shown on the diagrams—those parts are labeled NI, for “not illustrated”.

We encourage you to save the model to your profile, so it’s easy to access parts and manuals for your appliance whenever you log in.

For DIY troubleshooting advice and repair guides, visit our repair help section.

Showing 10 of 50 parts

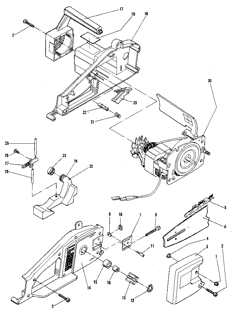
Bar Guide#6

Figure 1 - general assembly Diagram

Bar guide

Part #214236

The manufacturer no longer makes this part, and there's no substitute part

Chain#5

Figure 1 - general assembly Diagram

Chain

Part #218097-12

The manufacturer no longer makes this part, and there's no substitute part

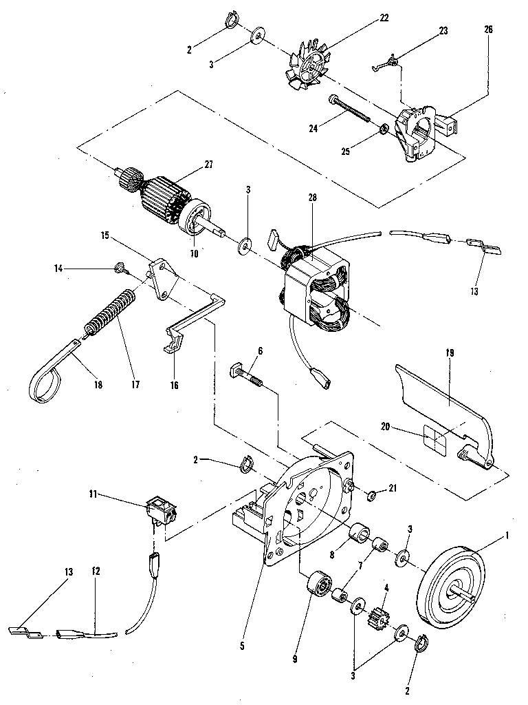
Ring-"o"#21

Figure 2 - motor assembly Diagram

Ring-"o"

Part #105614

The manufacturer no longer makes this part, and there's no substitute part

Screw Bar Plate#11

Figure 1 - general assembly Diagram

Screw bar plate

Part #222701

The manufacturer no longer makes this part, and there's no substitute part

Screw Housing#2

Figure 1 - general assembly Diagram

Screw housing

Part #222300

The manufacturer no longer makes this part, and there's no substitute part

Ring Gear#1

Figure 2 - motor assembly Diagram

Ring gear

Part #222268

The manufacturer no longer makes this part, and there's no substitute part

Spring#17

Figure 2 - motor assembly Diagram

Spring

Part #222285

The manufacturer no longer makes this part, and there's no substitute part

"C" RING

See All Related Diagrams

"c" ring

Part #N/P

The manufacturer no longer makes this part, and there's no substitute part

Hose Oil Pump#29

Figure 1 - general assembly Diagram

Hose oil pump

Part #223322

The manufacturer no longer makes this part, and there's no substitute part

Drive Gear#4

Figure 2 - motor assembly Diagram

Drive gear

Part #222270

The manufacturer no longer makes this part, and there's no substitute part

Articles and videos common to all chainsaws

July 12, 2022

What are the most common replacement parts for chainsaws?

By Lyle Weischwill

Learn about the most common replacement parts for chainsaws and how they can help you fix chainsaw problems.

June 29, 2022

Top questions about Sears and Sears PartsDirect

By Lyle Weischwill

Get answers to frequently asked questions about Sears and Sears PartsDirect.