Kenmore
Dryer

Model #11086094220 Official Kenmore electric dryer

Here are the diagrams and repair parts for Kenmore 11086094220 electric dryer, as well as links to manuals and error code tables, if available.

There are a couple of ways to find the part or diagram you need:

  • Click a diagram to see the parts shown on that diagram.
  • In the search box below, enter all or part of the part number or the part’s name.

Not all parts are shown on the diagrams—those parts are labeled NI, for “not illustrated”.

We encourage you to save the model to your profile, so it’s easy to access parts and manuals for your appliance whenever you log in.

For DIY troubleshooting advice and repair guides, visit our repair help section.

    Showing 10 of 208 parts

    Dryer Drum Belt#30

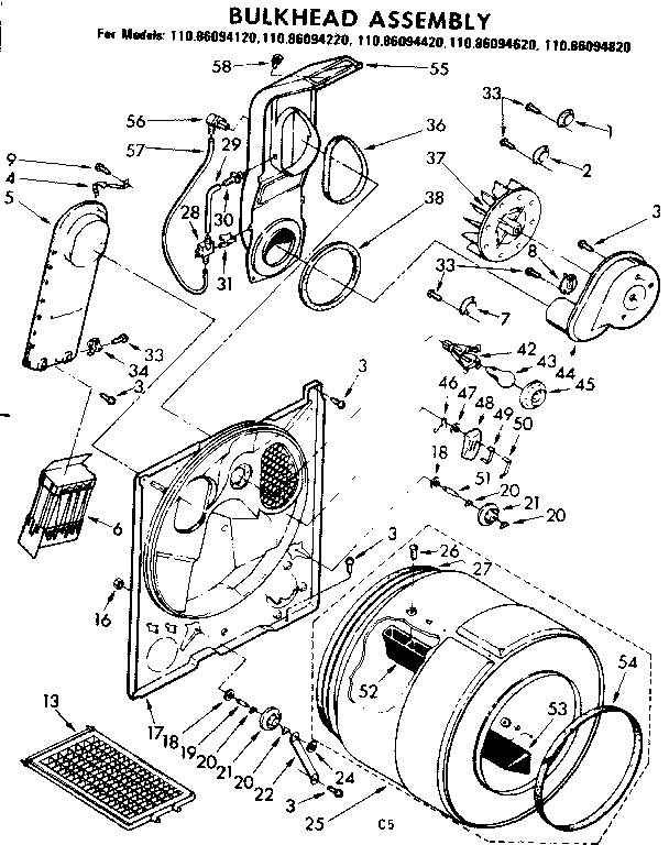
    Cabinet assembly Diagram

    Drum belt

    Part #349533
    Replaced by #341241
    ?
    Manufacturer substitution
    This part replaces 349533. Substitute parts can look different from the original.
    BEST SELLER
    In Stock
    $17.11 | 
    10% OFF 
    Phone Price: $19.11
    Dryer Door Latch Kit#52

    Cabinet assembly Diagram

    Strike

    Part #690082
    Replaced by #279570
    ?
    Manufacturer substitution
    This part replaces 690082. Substitute parts can look different from the original.
    BEST SELLER
    This item is not returnable
    In Stock
    $2.03 | 
    84% OFF 
    MSRP: $13.00
    Dryer Door Latch Kit#58

    Cabinet assembly Diagram

    Catch

    Part #690081
    Replaced by #279570
    ?
    Manufacturer substitution
    This part replaces 690081. Substitute parts can look different from the original.
    BEST SELLER
    This item is not returnable
    In Stock
    $2.03 | 
    84% OFF 
    MSRP: $13.00
    Dryer Lint Screen (White)#22A

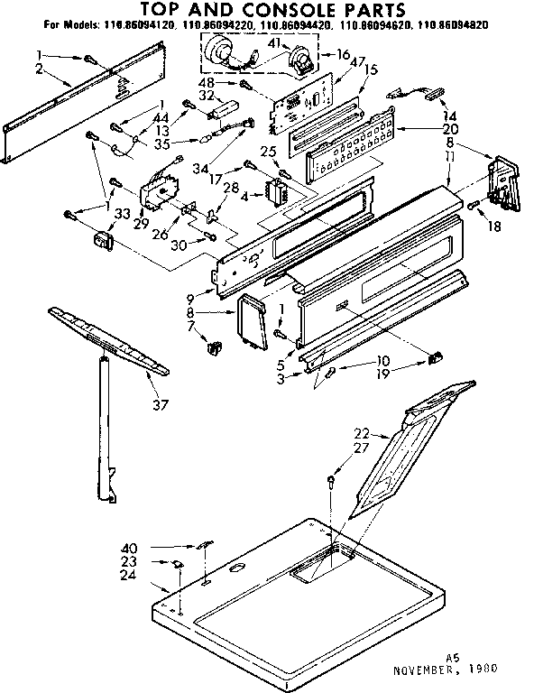
    Top and console part Diagram

    Screen (white)

    Part #348851
    Replaced by #WPW10717210
    ?
    Manufacturer substitution
    This part replaces 348851. Substitute parts can look different from the original.
    BEST SELLER
    In Stock
    $48.52 | 
    9% OFF 
    Phone Price: $53.52
    Dryer Lint Screen (White)#22E

    Top and console part Diagram

    Screen (almond)

    Part #689465
    Replaced by #WPW10717210
    ?
    Manufacturer substitution
    This part replaces 689465. Substitute parts can look different from the original.
    BEST SELLER
    In Stock
    $48.52 | 
    9% OFF 
    Phone Price: $53.52
    Appliance Light Bulb, 40-watt#43

    Bulkhead assembly Diagram

    Lamp

    Part #247591
    Replaced by #40A15
    ?
    Manufacturer substitution
    This part replaces 247591. Substitute parts can look different from the original.
    BEST SELLER
    In Stock
    $8.35 | 
    11% OFF 
    Phone Price: $9.35
    Dryer Drum Support Roller Kit#21

    Bulkhead assembly Diagram

    Support

    Part #349241
    Replaced by #349241T
    ?
    Manufacturer substitution
    This part replaces 349241. Substitute parts can look different from the original.
    BEST SELLER
    In Stock
    $21.99 | 
    19% OFF 
    Phone Price: $26.99
    Dryer Idler Pulley#33

    Cabinet assembly Diagram

    Pulley

    Part #688166
    Replaced by #WP691366
    ?
    Manufacturer substitution
    This part replaces 688166. Substitute parts can look different from the original.
    BEST SELLER
    In Stock
    $16.50 | 
    11% OFF 
    Phone Price: $18.50
    Dryer Drive Motor#27

    Cabinet assembly Diagram

    Motor

    Part #343234
    Replaced by #279827
    ?
    Manufacturer substitution
    This part replaces 343234. Substitute parts can look different from the original.
    BEST SELLER
    In Stock
    $94.03 | 
    28% OFF 
    MSRP: $130.00
    Dryer Drive Motor#26B

    Cabinet assembly Diagram

    Switch

    Part #349588
    Replaced by #279827
    ?
    Manufacturer substitution
    This part replaces 349588. Substitute parts can look different from the original.
    BEST SELLER
    In Stock
    $94.03 | 
    28% OFF 
    MSRP: $130.00

    Symptoms common to all dryers

    Choose a symptom to see related dryer repairs.

    Main causes: bad drum support roller, damaged idler pulley, broken blower fan blade, worn drum glide bearing, bad drive motor
    Main causes: bad gas valve coils, broken heating element, tripped safety thermostat or fuse, bad operating thermostat, control failure
    Main causes: bad timer or electronic control board, door switch failure
    Main causes: lack of electrical power, bad power cord, wiring failure, bad control board, blown thermal fuse, bad door switch
    Main causes: clogged exhaust vent, bad motor relay, loose dryer door catch, bad door switch, control system failure, faulty drive motor
    Main causes: damaged door strike, worn door catch
    Main causes: door switch failure, lack of power, broken belt, blown thermal fuse, bad drive motor, control system failure
    Main causes: clogged exhaust system, heating system failure, deposits on moisture sensor, control system failure

    Repair guides common to all dryers

    These step-by-step repair guides will help you safely fix what’s broken on your dryer.

    August 1, 2014
    By Lyle Weischwill
    How to replace a dryer drum support roller

    If your dryer thumps or squeals, replace the drum support roller to restore quiet to your home.

    Repair difficulty
    Time required
     90 minutes or less
    August 1, 2014
    By Lyle Weischwill
    How to replace a dryer thermistor

    The thermistor senses the air temperature in the dryer. If your dryer overheats or doesn't heat at all, the thermistor could be the problem.

    Repair difficulty
    Time required
     30 minutes or less
    August 1, 2014
    By Lyle Weischwill
    How to replace a dryer idler pulley

    The idler pulley exerts pressure keeps the drive belt tight so it can rotate the drum. A worn idler pulley squeals or squeaks when the dryer is running. Follow these instructions to replace it.

    Repair difficulty
    Time required
     90 minutes or less

    Articles and videos common to all dryers

    Use the advice and tips in these articles and videos to get the most out of your dryer.

    October 24, 2022

    Easy DIY appliance repairs that anyone can do

    By Lyle Weischwill

    Get advice on simple DIY fixes for appliances that you can safely do on your own.

    August 5, 2022

    Introducing new technical repair content that we’re developing for the Sears Technical Institute

    By Lyle Weischwill

    Learn about Sears Technical Institute and the advanced technical content being developed for aspiring appliance techs.

    January 4, 2022

    How to replace a Maytag dryer heating element

    By Lyle Weischwill

    Learn how to replace a Maytag dryer heating element