White-Westinghouse
Dishwasher

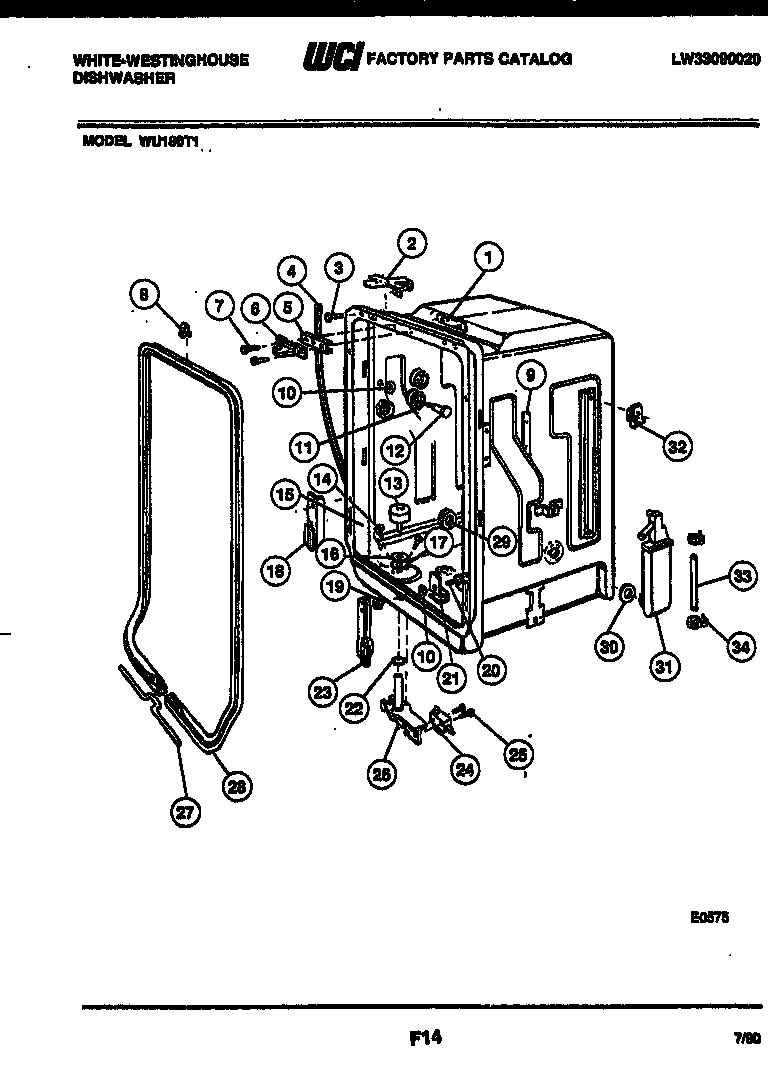
Model #WU180TR1 Official White-Westinghouse 18" dishwasher - lw33090020

Here are the diagrams and repair parts for White-Westinghouse WU180TR1 18" dishwasher - lw33090020, as well as links to manuals and error code tables, if available.

There are a couple of ways to find the part or diagram you need:

  • Click a diagram to see the parts shown on that diagram.
  • In the search box below, enter all or part of the part number or the part’s name.

Not all parts are shown on the diagrams—those parts are labeled NI, for “not illustrated”.

We encourage you to save the model to your profile, so it’s easy to access parts and manuals for your appliance whenever you log in.

For DIY troubleshooting advice and repair guides, visit our repair help section.

    Showing 10 of 178 parts

    Dishwasher Tub Insulation

    #NI

    All parts Diagram

    Tub insulation

    Part #5300809710
    Replaced by #154641601
    ?
    Manufacturer substitution
    This part replaces 5300809710. Substitute parts can look different from the original.
    In Stock
    $33.02 | 
    13% OFF 
    Phone Price: $38.02
    Dishwasher Screw#13

    Door parts Diagram

    Screw

    Part #3018067
    Replaced by #154419403
    ?
    Manufacturer substitution
    This part replaces 3018067. Substitute parts can look different from the original.
    This item is not returnable
    In Stock
    $7.00
    Dishwasher Door Hinge Lever Bearing#36

    Door parts Diagram

    Pad spring

    Part #5300805884
    Replaced by #154671501
    ?
    Manufacturer substitution
    This part replaces 5300805884. Substitute parts can look different from the original.
    In Stock
    $12.40
    Dishwasher Screw#19

    Door parts Diagram

    Screw

    Part #809752
    Replaced by #154419403
    ?
    Manufacturer substitution
    This part replaces 809752. Substitute parts can look different from the original.
    This item is not returnable
    In Stock
    $7.00
    Washer#2

    Motor pump parts Diagram

    Washer

    Part #3018102
    This item is not returnable
    In Stock
    $2.49
    Nut#14

    Power dry and motor parts Diagram

    Nut

    Part #3018143
    This item is not returnable
    In Stock
    $2.49
    Screw#12

    Tub and frame parts Diagram

    Screw

    Part #5300809048
    This item is not returnable
    In Stock
    $4.74
    Refrigerator Water Tubing Clamp

    See All Related Diagrams

    Clamp

    Part #3018031
    Replaced by #5308000133
    ?
    Manufacturer substitution
    This part replaces 3018031. Substitute parts can look different from the original.
    In Stock
    $8.78
    Dishwasher Screw#25

    Motor pump parts Diagram

    Screw

    Part #3018119
    Replaced by #5300807270
    ?
    Manufacturer substitution
    This part replaces 3018119. Substitute parts can look different from the original.
    This item is not returnable
    In Stock
    $4.67
    Appliance Multi-Purpose RTV Sealant

    #NI

    All parts Diagram

    Sealant

    Part #5303018096
    Replaced by #5304469950
    ?
    Manufacturer substitution
    This part replaces 5303018096. Substitute parts can look different from the original.
    In Stock
    $87.79 | 
    5% OFF 
    Phone Price: $92.79

    Symptoms common to all dishwashers

    Choose a symptom to see related dishwasher repairs.

    Main causes: broken door latch, tripped circuit breaker, broken heating element, faulty vent fan, sensor failure, control system problem
    Main cause: damaged rack height adjuster
    Main causes: damaged or stuck spray arm, leaking door seal, damaged door hinge, leaky heating element water seal, cracked water supply line
    Main causes: clogged kitchen sink drain, clogged drain hose, drain check valve damaged, drain pump failure, control system problem
    Main causes: water supply problem, stuck overfill float, clogged water inlet valve screen, water inlet valve failure
    Main causes: glass or popcorn kernel stuck in the chopper blade, drain line vibrating against the cabinet, debris in wash pump or drain pump
    Main causes: broken door spring, damaged or broken door hinge
    Main causes: not using rinse aid, rinse aid dispenser failure, broken heating element, malfunctioning vent, drying fan failure
    Main causes: light switch beside the sink turned off, lack of power, bad dishwasher door switch, control system failure, wiring problem

    Repair guides common to all dishwashers

    These step-by-step repair guides will help you safely fix what’s broken on your dishwasher.

    October 1, 2016
    By Lyle Weischwill
    How to replace a dishwasher door latch assembly

    If the dishwasher door doesn't click shut, a broken door latch is a likely cause. Follow these instructions to replace it yourself.

    Repair difficulty
    Time required
     30 minutes or less
    How to replace a dishwasher user interface control

    The user interface control houses the selection buttons and display. If it fails, you can't select the cycle and settings. Follow these instructions to replace it yourself.

    Repair difficulty
    Time required
     30 minutes or less
    April 1, 2014
    By Lyle Weischwill
    How to replace a dishwasher thermal fuse

    A completely dead control panel often indicates that the thermal fuse on the electronic control board is blown; follow these steps to replace a blown thermal fuse in your dishwasher.

    Repair difficulty
    Time required
     15 minutes or less

    Articles and videos common to all dishwashers

    Use the advice and tips in these articles and videos to get the most out of your dishwasher.

    November 13, 2022

    7 Tips to Get Your Dishwasher Ready for the Holidays

    By Lyle Weischwill

    Find professional tips that can help you get your dishwasher ready for the holidays.

    December 23, 2021

    How to reset a Whirlpool dishwasher

    By Lyle Weischwill

    Learn how to reset a Whirlpool dishwasher when its control freezes up.

    April 10, 2020

    Cleaning your appliances after a drinking water advisory

    By Julie Riebe

    Find out how to clean and flush household appliances once a boil water advisory is lifted.