Craftsman
Chipper/Shredder

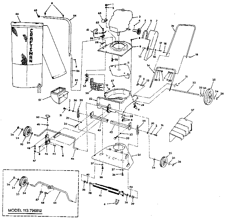
Model #113796812 Official Craftsman vacuum shredder/bagger blower

Here are the diagrams and repair parts for Craftsman 113796812 vacuum shredder/bagger blower, as well as links to manuals and error code tables, if available.

There are a couple of ways to find the part or diagram you need:

  • Click a diagram to see the parts shown on that diagram.
  • In the search box below, enter all or part of the part number or the part’s name.

Not all parts are shown on the diagrams—those parts are labeled NI, for “not illustrated”.

We encourage you to save the model to your profile, so it’s easy to access parts and manuals for your appliance whenever you log in.

For DIY troubleshooting advice and repair guides, visit our repair help section.

Showing 10 of 47 parts

Screw#57

Replacement parts Diagram

Screw

Part #STD523710

The manufacturer no longer makes this part, and there's no substitute part

Retaining Ring#69

Replacement parts Diagram

Retaining ring

Part #804182

The manufacturer no longer makes this part, and there's no substitute part

Nut#12

Replacement parts Diagram

Nut

Part #STD541631

The manufacturer no longer makes this part, and there's no substitute part

Bolt#18

Replacement parts Diagram

Bolt

Part #STD533115

The manufacturer no longer makes this part, and there's no substitute part

Flat Washer, 1/2-in, 8-pack#24

Replacement parts Diagram

Flat washer, 1/2-in, 8-pack

Part #STD551050

The manufacturer no longer makes this part, and there's no substitute part

Roll Pin#55

Replacement parts Diagram

Roll pin

Part #STD572512

The manufacturer no longer makes this part, and there's no substitute part

Hex Head Bolt, 5/16-18 x 1-1/4-in#10

Replacement parts Diagram

Hex head bolt, 5/16-18 x 1-1/4-in

Part #STD523112

The manufacturer no longer makes this part, and there's no substitute part

Retaining Ring#26

Replacement parts Diagram

Retaining ring

Part #STD581050

The manufacturer no longer makes this part, and there's no substitute part

Washer#13

Replacement parts Diagram

Washer

Part #STD551037

The manufacturer no longer makes this part, and there's no substitute part

Screw#36

Replacement parts Diagram

Screw

Part #STD522507

The manufacturer no longer makes this part, and there's no substitute part