Whirlpool
Central Air Conditioner

Model #ALFH0820 Official Whirlpool air conditioner heat pump

Here are the diagrams and repair parts for Whirlpool ALFH0820 air conditioner heat pump, as well as links to manuals and error code tables, if available.

There are a couple of ways to find the part or diagram you need:

  • Click a diagram to see the parts shown on that diagram.
  • In the search box below, enter all or part of the part number or the part’s name.

Not all parts are shown on the diagrams—those parts are labeled NI, for “not illustrated”.

We encourage you to save the model to your profile, so it’s easy to access parts and manuals for your appliance whenever you log in.

For DIY troubleshooting advice and repair guides, visit our repair help section.

Showing 10 of 191 parts

Appliance Screw

See All Related Diagrams

Screw, 8 x 1

Part #488480
Replaced by #WP489069
?
Manufacturer substitution
This part replaces 488480. Substitute parts can look different from the original.
This item is not returnable
In Stock
$4.39 | 
19% OFF 
Phone Price: $5.39
Refrigerator Permagum Sealer#48G

Air flow and control parts Diagram

Capacitor

Part #470168
Replaced by #212643
?
Manufacturer substitution
This part replaces 470168. Substitute parts can look different from the original.
This item is not returnable
In Stock
$50.09 | 
9% OFF 
Phone Price: $55.09
Washer#8

Accessory kit parts Diagram

Washer

Part #488808

The manufacturer no longer makes this part, and there's no substitute part

Room Air Conditioner Foam Seal#48B

Air flow and control parts Diagram

Seal

Part #858839
Replaced by #WP854334
?
Manufacturer substitution
This part replaces 858839. Substitute parts can look different from the original.
In Stock
$9.99 | 
9% OFF 
Phone Price: $10.99
Room Air Conditioner Foam Seal#13

Cabinet and front parts Diagram

Seal

Part #647913
Replaced by #WP854334
?
Manufacturer substitution
This part replaces 647913. Substitute parts can look different from the original.
In Stock
$9.99 | 
9% OFF 
Phone Price: $10.99
Refrigerator Service Valve#58E

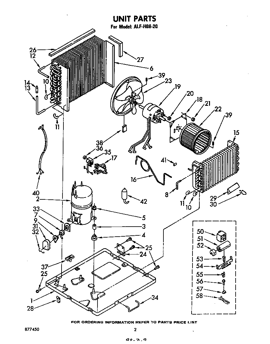
Unit parts Diagram

Valve kit

Part #978026
Replaced by #978026
?
Manufacturer substitution
This part replaces 978026. Substitute parts can look different from the original.
In Stock
$34.19 | 
13% OFF 
Phone Price: $39.19
Bracket Support#13

Accessory kit parts Diagram

Bracket support

Part #644281
In Stock
$35.98
Nut#20

Unit parts Diagram

Nut

Part #488130

The manufacturer no longer makes this part, and there's no substitute part

Motor Run Capacitor#33

Air flow and control parts Diagram

Capacitor

Part #997981
Replaced by #12908
?
Manufacturer substitution
This part replaces 997981. Substitute parts can look different from the original.
This item is not returnable
In Stock
$5.26 | 
16% OFF 
Phone Price: $6.26
Nut#5

Cabinet and front parts Diagram

Nut

Part #486529

The manufacturer no longer makes this part, and there's no substitute part

Articles and videos common to all central air conditioners

November 30, 2022

2023 HVAC regulation changes and how they may affect you

By Lyle Weischwill

Find out how new DOE standards going into effect in 2023 can affect you and what you need to do.

October 24, 2022

Easy DIY appliance repairs that anyone can do

By Lyle Weischwill

Get advice on simple DIY fixes for appliances that you can safely do on your own.

August 5, 2022

Introducing new technical repair content that we’re developing for the Sears Technical Institute

By Lyle Weischwill

Learn about Sears Technical Institute and the advanced technical content being developed for aspiring appliance techs.