Kenmore
Upright Vacuum

Model #1163927280 Official Kenmore vacuum cleaner

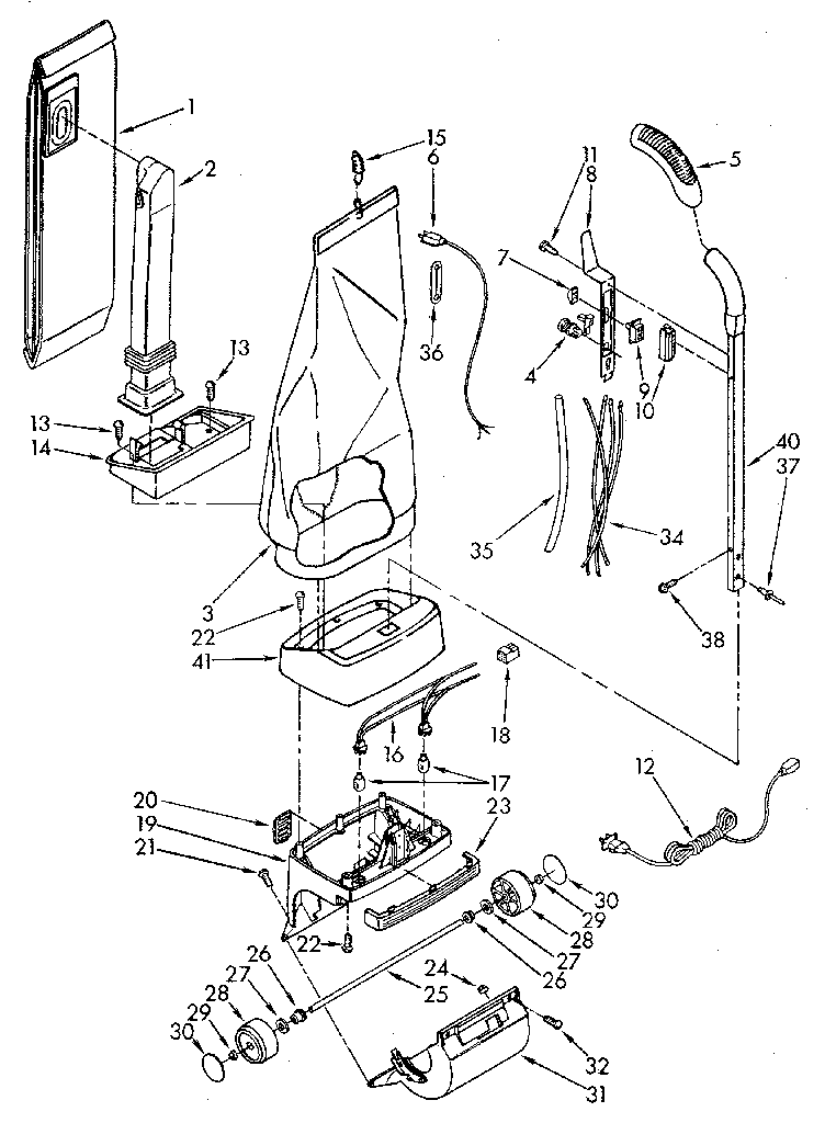
Here are the diagrams and repair parts for Kenmore 1163927280 vacuum cleaner, as well as links to manuals and error code tables, if available.

There are a couple of ways to find the part or diagram you need:

  • Click a diagram to see the parts shown on that diagram.
  • In the search box below, enter all or part of the part number or the part’s name.

Not all parts are shown on the diagrams—those parts are labeled NI, for “not illustrated”.

We encourage you to save the model to your profile, so it’s easy to access parts and manuals for your appliance whenever you log in.

For DIY troubleshooting advice and repair guides, visit our repair help section.

Showing 10 of 112 parts

Washer

See All Related Diagrams

Washer

Part #681384

The manufacturer no longer makes this part, and there's no substitute part

INDICATORCAM#29

Nozzle and motor Diagram

Catch

Part #722955
Replaced by #KS588543
?
Manufacturer substitution
This part replaces 722955. Substitute parts can look different from the original.
In Stock
$9.00
Gasket#2

Hose and attachment Diagram

Gasket

Part #4152184
This item is not returnable
In Stock
$3.99
Screw#11

Handle and bag housing Diagram

Screw

Part #681233

The manufacturer no longer makes this part, and there's no substitute part

Screw

See All Related Diagrams

Screw

Part #681268

The manufacturer no longer makes this part, and there's no substitute part

Lock Washer#29

Handle and bag housing Diagram

Lock washer

Part #681393

The manufacturer no longer makes this part, and there's no substitute part

Vacuum Light Bulb#17

Handle and bag housing Diagram

Light bulb

Part #745362
Replaced by #5248
?
Manufacturer substitution
This part replaces 745362. Substitute parts can look different from the original.
This item is not returnable
Back Order
$2.49 | 
29% OFF 
Phone Price: $3.49
Gasket#8

Nozzle and motor Diagram

Gasket

Part #745337

The manufacturer no longer makes this part, and there's no substitute part

Owner's Manual#1A

Nozzle and motor Diagram

Owner's manual

Part #LIT4153500

The manufacturer no longer makes this part, and there's no substitute part

Screw#43

Nozzle and motor Diagram

Screw

Part #681653

The manufacturer no longer makes this part, and there's no substitute part

Symptoms common to all vacuum cleaners

Choose a symptom to see related vacuum cleaner repairs.

Main causes: damaged vacuum hose, clogged motor air filter, bad suction motor
Main causes: broken drive belt, damaged brush roll, tripped brush roll motor overload, bad brush roll motor, wiring failure
Main causes: lack of power, bad power cord, drive motor failure, wiring failure
Main causes: weak suction motor, vacuum bag is full, clog in suction air path, dirty exhaust filter, leaky vacuum hose

Articles and videos common to all vacuum cleaners

Use the advice and tips in these articles and videos to get the most out of your vacuum.

January 5, 2015

10 must-have tools for appliance repair

By Lyle Weischwill

Come see which tools made our top 10 must-haves for DIY appliance repair.

December 18, 2014

Deciding between a canister or upright vacuum

By Lyle Weischwill

Undecided about canister or upright? We compare them.

July 1, 2013

Vacuum common questions

By Lyle Weischwill

Find the answers to frequently asked questions about vacuum cleaners.