Makita
Water Pump

Model #EW200R Official Makita 2" centrifugal pump

Here are the diagrams and repair parts for Makita EW200R 2" centrifugal pump, as well as links to manuals and error code tables, if available.

There are a couple of ways to find the part or diagram you need:

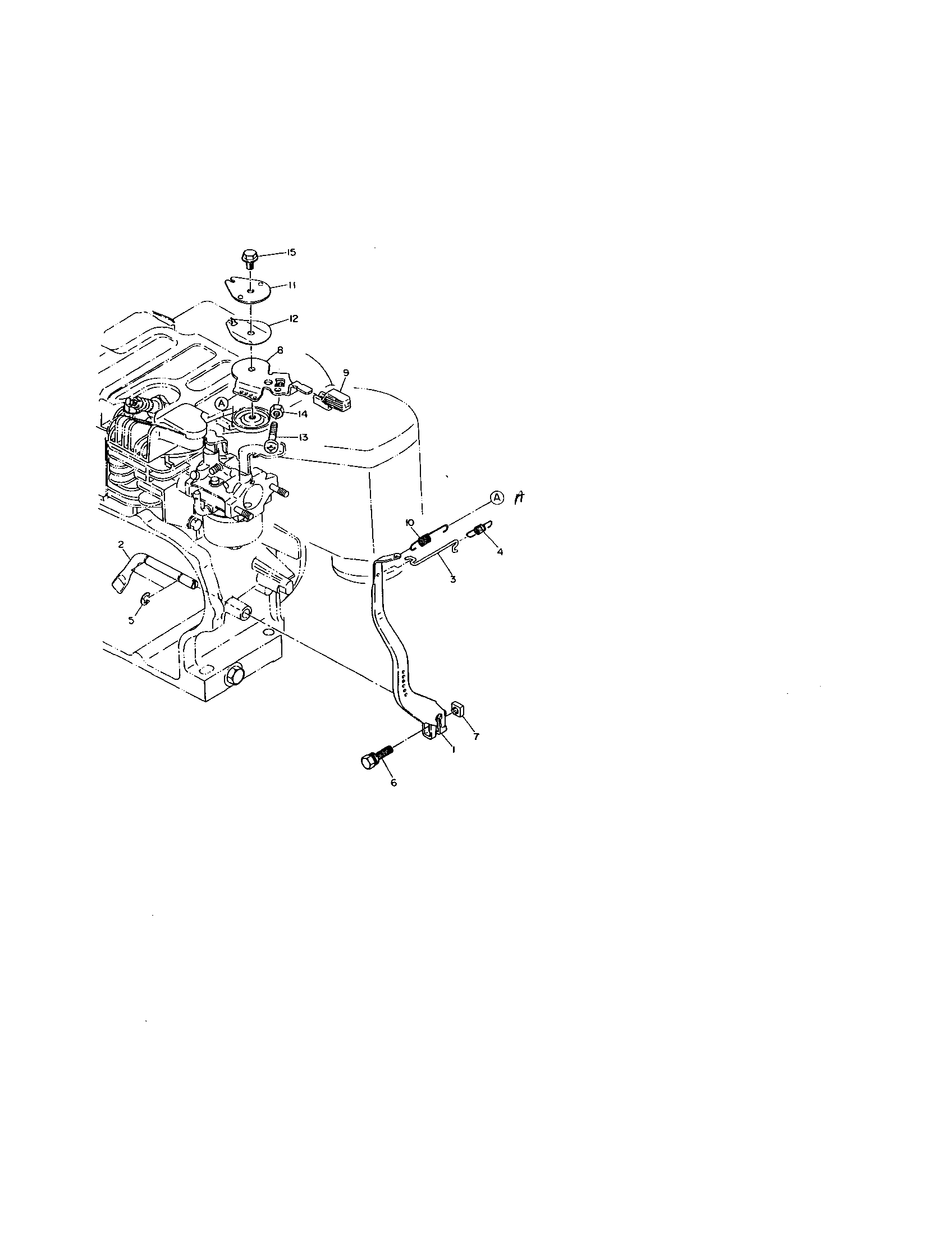
  • Click a diagram to see the parts shown on that diagram.
  • In the search box below, enter all or part of the part number or the part’s name.

Not all parts are shown on the diagrams—those parts are labeled NI, for “not illustrated”.

We encourage you to save the model to your profile, so it’s easy to access parts and manuals for your appliance whenever you log in.

For DIY troubleshooting advice and repair guides, visit our repair help section.

Showing 10 of 178 parts

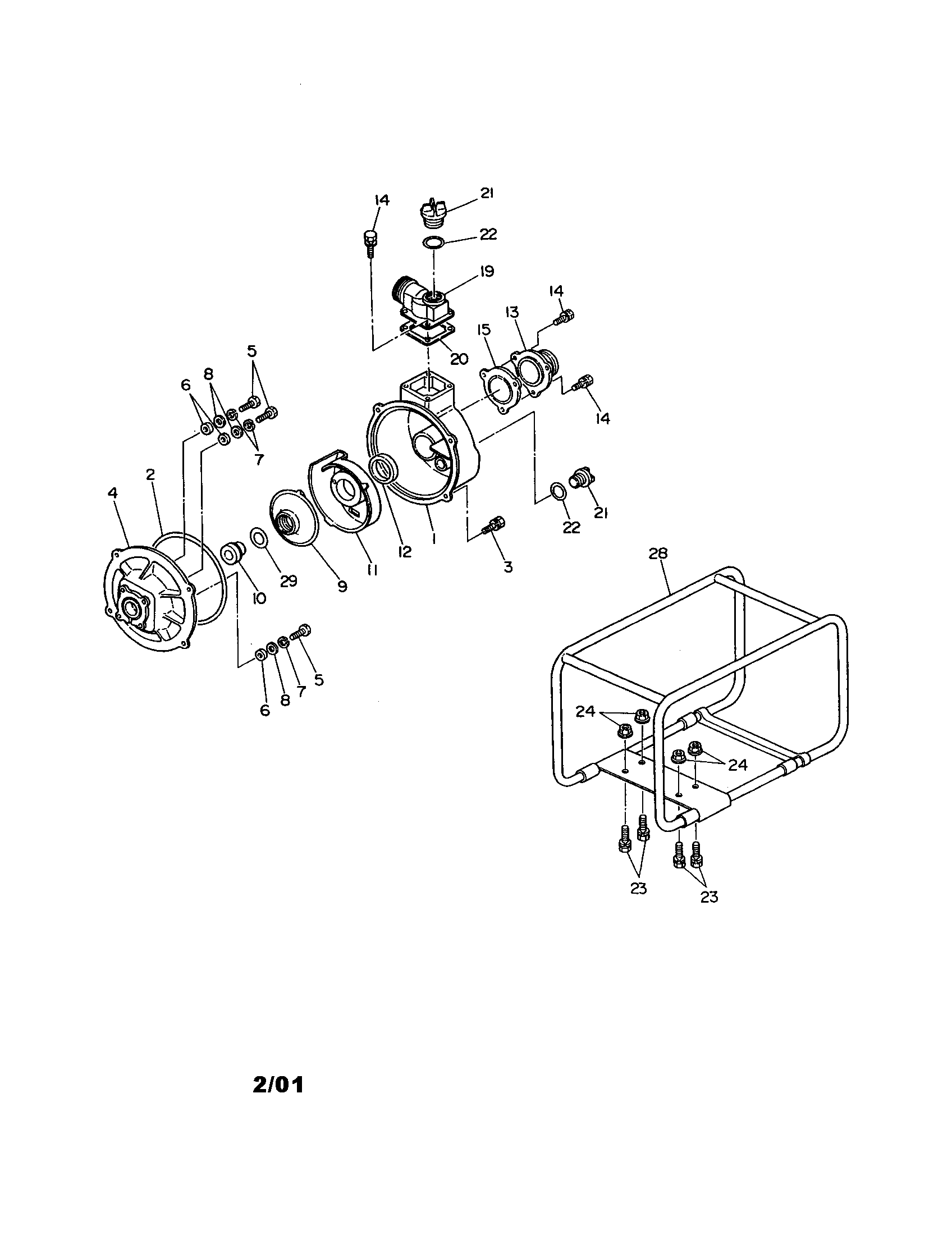
STRAINER (NPT)#2

Accessories Diagram

Strainer (npt)

Part #481-00000-04

The manufacturer no longer makes this part, and there's no substitute part

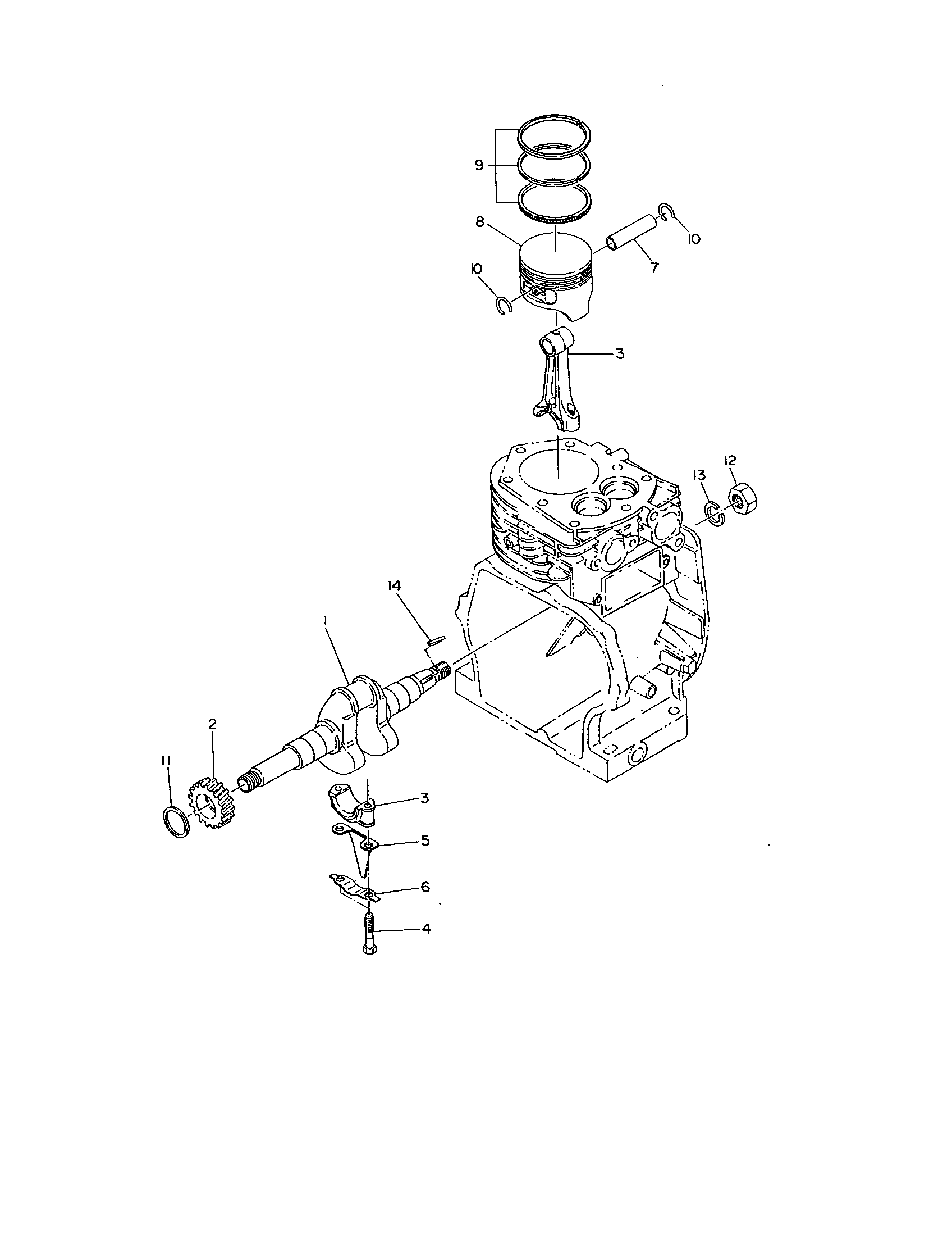
SPACER (T=1.0)#11B

Crankshaft and piston Diagram

Spacer (t=1.0)

Part #023-02501-30

The manufacturer no longer makes this part, and there's no substitute part

CONNECTING ROD BOLT (2)#4

Crankshaft and piston Diagram

Connecting rod bolt (2)

Part #226-23001-03

The manufacturer no longer makes this part, and there's no substitute part

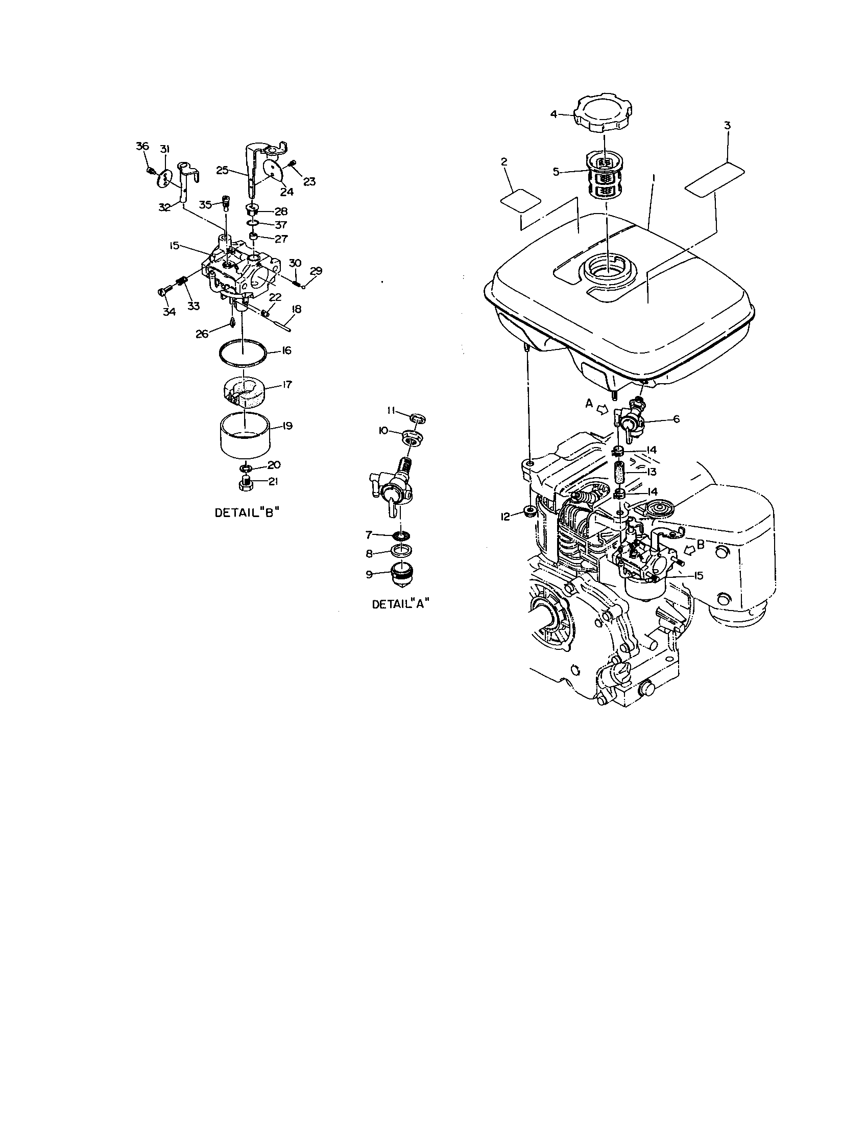
NEEDLE VALVE ASSEMBLY#26

Fuel lubricant Diagram

Needle valve assembly

Part #226-62500-08

The manufacturer no longer makes this part, and there's no substitute part

BOLT (M8X48) (4)#5

2" pump Diagram

Bolt (m8x48) (4)

Part #480-05010-05

The manufacturer no longer makes this part, and there's no substitute part

GASKET COMPLETE, HEAD#16

Crankcase Diagram

Gasket complete, head

Part #226-15001-11

The manufacturer no longer makes this part, and there's no substitute part

STUD, CARBURETOR (2)#7

Crankcase Diagram

Stud, carburetor (2)

Part #010-50601-20

The manufacturer no longer makes this part, and there's no substitute part

BOLT AND WASHER ASSEMBLY (8)#26

Crankcase Diagram

Bolt and washer assembly (8)

Part #013-00600-40

The manufacturer no longer makes this part, and there's no substitute part

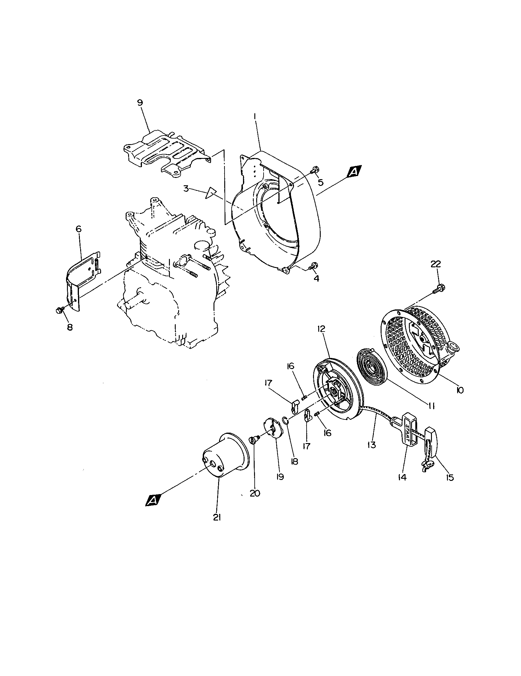
AIR CLEANER ASSEMBLY (INCL FIG. 14-17)#13

Intake and exhaust Diagram

Air cleaner assembly (incl fig. 14-17)

Part #226-32610-00

The manufacturer no longer makes this part, and there's no substitute part

GASKET 2, INSULATOR (T=0.3)#20

Intake and exhaust Diagram

Gasket 2, insulator (t=0.3)

Part #227-35904-03

The manufacturer no longer makes this part, and there's no substitute part