Kenmore
Air Purifier

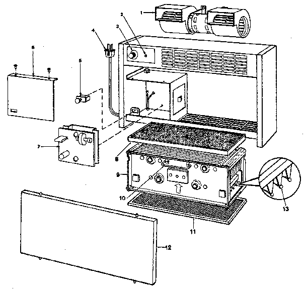
Model #387839801 Official Kenmore electronic air cleaner

Here are the diagrams and repair parts for Kenmore 387839801 electronic air cleaner, as well as links to manuals and error code tables, if available.

There are a couple of ways to find the part or diagram you need:

  • Click a diagram to see the parts shown on that diagram.
  • In the search box below, enter all or part of the part number or the part’s name.

Not all parts are shown on the diagrams—those parts are labeled NI, for “not illustrated”.

We encourage you to save the model to your profile, so it’s easy to access parts and manuals for your appliance whenever you log in.

For DIY troubleshooting advice and repair guides, visit our repair help section.

Showing 10 of 16 parts

Switch#5

Replacement parts Diagram

Switch

Part #F876-0187
Replaced by #F876-0199
?
Manufacturer substitution
This part replaces F876-0187. Substitute parts can look different from the original.
In Stock
$49.49
Collector Cell#9

Replacement parts Diagram

Collector cell

Part #F811-0341
Replaced by #F811-0380
?
Manufacturer substitution
This part replaces F811-0341. Substitute parts can look different from the original.
In Stock
$339.49
Filter#11

Replacement parts Diagram

Filter

Part #F825-0395
Replaced by #F825-0413
?
Manufacturer substitution
This part replaces F825-0395. Substitute parts can look different from the original.
In Stock
$30.91
Ionizing Lead#13

Replacement parts Diagram

Wire l assy

Part #F843-1215
Replaced by #F843-1241
?
Manufacturer substitution
This part replaces F843-1215. Substitute parts can look different from the original.
In Stock
$14.24
Air Purifier Charcoal Filter#8

Replacement parts Diagram

Filter

Part #F825-0393
Replaced by #F825-0412
?
Manufacturer substitution
This part replaces F825-0393. Substitute parts can look different from the original.
In Stock
$61.96
Bracket#14

Replacement parts Diagram

Bracket

Part #F801-0146

The manufacturer no longer makes this part, and there's no substitute part

Knob#3B

Replacement parts Diagram

Knob

Part #F839-0016

The manufacturer no longer makes this part, and there's no substitute part

Power Supply#7

Replacement parts Diagram

Power supply

Part #F858-0838

The manufacturer no longer makes this part, and there's no substitute part

Blower Assembly#1

Replacement parts Diagram

Blower assembly

Part #F848-0365

The manufacturer no longer makes this part, and there's no substitute part

Door#12

Replacement parts Diagram

Door

Part #F808-0519

The manufacturer no longer makes this part, and there's no substitute part