Kenmore
Upright Vacuum

Model #1753745180 Official Kenmore upright vacuum cleaner

Here are the diagrams and repair parts for Kenmore 1753745180 upright vacuum cleaner, as well as links to manuals and error code tables, if available.

There are a couple of ways to find the part or diagram you need:

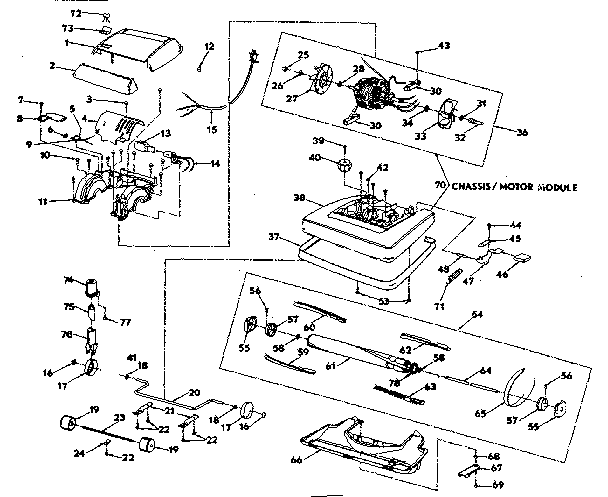
  • Click a diagram to see the parts shown on that diagram.
  • In the search box below, enter all or part of the part number or the part’s name.

Not all parts are shown on the diagrams—those parts are labeled NI, for “not illustrated”.

We encourage you to save the model to your profile, so it’s easy to access parts and manuals for your appliance whenever you log in.

For DIY troubleshooting advice and repair guides, visit our repair help section.

Showing 10 of 85 parts

Wiring Cover#8

Nozzle and motor assembly Diagram

Wiring cover

Part #643040-000

The manufacturer no longer makes this part, and there's no substitute part

Axle#20

Nozzle and motor assembly Diagram

Axle

Part #643740-001

The manufacturer no longer makes this part, and there's no substitute part

Retainer Plate#24

Nozzle and motor assembly Diagram

Retainer plate

Part #643015-000

The manufacturer no longer makes this part, and there's no substitute part

Latch#67

Nozzle and motor assembly Diagram

Latch

Part #660081-001

The manufacturer no longer makes this part, and there's no substitute part

Washer#58

Nozzle and motor assembly Diagram

Washer

Part #706382-321

The manufacturer no longer makes this part, and there's no substitute part

Washer#18

Nozzle and motor assembly Diagram

Washer

Part #706239-313

The manufacturer no longer makes this part, and there's no substitute part

Mounting Screw#39

Nozzle and motor assembly Diagram

Mounting screw

Part #643146-001

The manufacturer no longer makes this part, and there's no substitute part

Vacuum Blower Cover#11

Nozzle and motor assembly Diagram

Vacuum blower cover

Part #640441-009

The manufacturer no longer makes this part, and there's no substitute part

Motor Module#70

Nozzle and motor assembly Diagram

Motor module

Part #660534-018

The manufacturer no longer makes this part, and there's no substitute part

Pully W/tds#32

Nozzle and motor assembly Diagram

Pully w/tds

Part #641967-000

The manufacturer no longer makes this part, and there's no substitute part

Symptoms common to all vacuum cleaners

Choose a symptom to see related vacuum cleaner repairs.

Main causes: damaged vacuum hose, clogged motor air filter, bad suction motor
Main causes: broken drive belt, damaged brush roll, tripped brush roll motor overload, bad brush roll motor, wiring failure
Main causes: lack of power, bad power cord, drive motor failure, wiring failure
Main causes: weak suction motor, vacuum bag is full, clog in suction air path, dirty exhaust filter, leaky vacuum hose

Articles and videos common to all vacuum cleaners

Use the advice and tips in these articles and videos to get the most out of your vacuum.

June 29, 2022

Top questions about Sears and Sears PartsDirect

Lyle Weischwill

Get answers to frequently asked questions about Sears and Sears PartsDirect.

January 5, 2015

10 must-have tools for appliance repair

Lyle Weischwill

Come see which tools made our top 10 must-haves for DIY appliance repair.

July 1, 2013

Vacuum common questions

Lyle Weischwill

Find the answers to frequently asked questions about vacuum cleaners.