Kenmore
Washer

Model #1105902802 Official Kenmore washer

Here are the diagrams and repair parts for Kenmore 1105902802 washer, as well as links to manuals and error code tables, if available.

There are a couple of ways to find the part or diagram you need:

  • Click a diagram to see the parts shown on that diagram.
  • In the search box below, enter all or part of the part number or the part’s name.

Not all parts are shown on the diagrams—those parts are labeled NI, for “not illustrated”.

We encourage you to save the model to your profile, so it’s easy to access parts and manuals for your appliance whenever you log in.

For DIY troubleshooting advice and repair guides, visit our repair help section.

Showing 10 of 295 parts

Washer Screw#24

Wringer and wringer gear case assembly Diagram

Tap screw

Part #90767
Replaced by #WP90767
?
Manufacturer substitution
This part replaces 90767. Substitute parts can look different from the original.
This item is not returnable
In Stock
$4.37 | 
19% OFF 
Phone Price: $5.37
Dryer Motor Clamp#53

Worm gear and motor Diagram

Motor clamp

Part #S-5101-2
Replaced by #WP660658
?
Manufacturer substitution
This part replaces S-5101-2. Substitute parts can look different from the original.
This item is not returnable
In Stock
$6.49 | 
13% OFF 
Phone Price: $7.49
Dryer Motor Clamp#55

Worm gear and motor Diagram

Motor clamp

Part #16966-2
Replaced by #WP660658
?
Manufacturer substitution
This part replaces 16966-2. Substitute parts can look different from the original.
This item is not returnable
In Stock
$6.49 | 
13% OFF 
Phone Price: $7.49
Washer#66

Worm gear and motor Diagram

Washer

Part #11240-2

The manufacturer no longer makes this part, and there's no substitute part

Mach Sc#78

Worm gear and motor Diagram

Mach sc

Part #11762-2

The manufacturer no longer makes this part, and there's no substitute part

Nut#91

Wringer and wringer gear case assembly Diagram

Nut

Part #271172

The manufacturer no longer makes this part, and there's no substitute part

O-Ring#31

Worm gear and motor Diagram

O-ring

Part #10938

The manufacturer no longer makes this part, and there's no substitute part

Screw#48

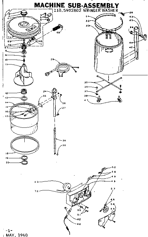
Machine sub-assembly Diagram

Screw

Part #90188
Replaced by #W11176201
?
Manufacturer substitution
This part replaces 90188. Substitute parts can look different from the original.
This item is not returnable
In Stock
$3.83
Hex Nut#68

Worm gear and motor Diagram

Hex nut

Part #11168-2

The manufacturer no longer makes this part, and there's no substitute part

Pin#84

Worm gear and motor Diagram

Pin

Part #187988

The manufacturer no longer makes this part, and there's no substitute part

Symptoms common to all washers

Choose a symptom to see related washer repairs.

Main causes: leaky water inlet valve, faulty water-level pressure switch, bad electronic control board
Main causes: lack of electrical power, wiring failure, bad power cord, electronic control board failure, bad user interface board
Main causes: water heater failure, bad water temperature switch, faulty control board, bad water valve, faulty water temperature sensor
Main causes: unbalanced load, loose spanner nut, worn drive block, broken shock absorber or suspension spring, debris in drain pump
Main causes: broken lid switch or lid lock, bad pressure switch, broken shifter assembly, faulty control system
Main causes: clogged drain hose, house drain clogged, bad drain pump, water-level pressure switch failure, bad control board or timer
Main causes: worn agitator dogs, bad clutch, broken motor coupler, shifter assembly failure, broken door lock, suspension component failure
Main causes: no water supply, bad water valves, water-level pressure switch failure, control system failure, bad door lock or lid switch
Main causes: bad lid switch or door lock, bad timer or electronic control board, wiring failure, bad water inlet valve assembly

Articles and videos common to all washers

Use the advice and tips in these articles and videos to get the most out of your washer.

January 3, 2022

Why is my washing machine leaking when not in use?

Lyle Weischwill

Learn how to fix a washing machine leak

December 30, 2021

How to fix a washing machine

Lyle Weischwill

Learn how to fix your broken washing machine

April 10, 2020

Cleaning your appliances after a drinking water advisory

Wayne Archer

Find out how to clean and flush household appliances once a boil water advisory is lifted.